ENGINE B&S 7220 CLUTCH AND THROTTLE (from sn 670355 to sn 678614 from 2018 to 2019)

Parts list

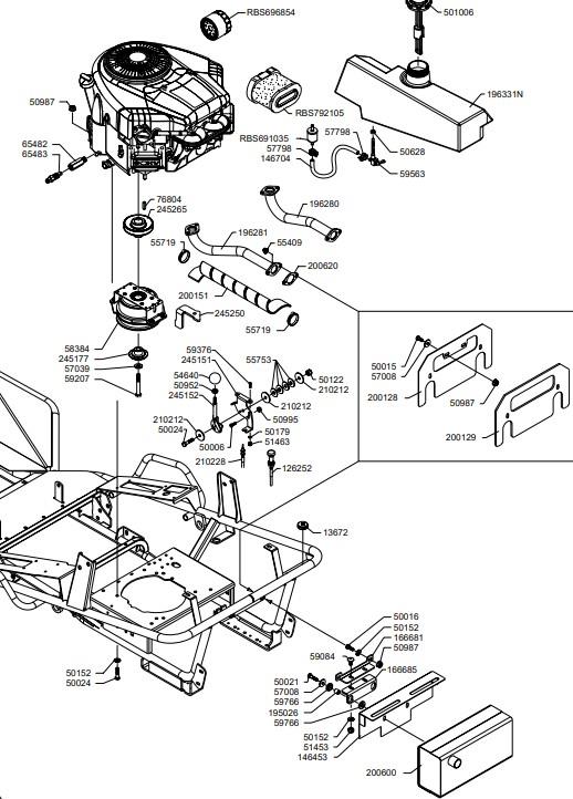
Match the number with the image on the left and click "Add" button to add the item to your basket

Please note, that the prices are for individual items

Items might appear more than once on the drawing, please check and adjust the quantity you require.

RefNoDescriptionPrice
126252126252STARTER CONTROL LEVER£40.82 Add to
1367213672SHOCK ABSORBER£3.93 Add to
146704146704PIPE£4.83 Add to
166681166681BRACKET£18.69 Add to
166685166685BRACKET£7.62 Add to
195026195026SPACER£5.23 Add to
196281196281MANIFOLD£56.30 Add to
196331N196331NTANK£142.01 Add to
200128200128GUARD£21.51 Add to
200129200129INSULATOR£21.51 Add to
200151200151TAPE£28.64 Add to
200620200620GASKET£3.23 Add to
210212210212WASHER£2.39 Add to
245151245151BRACKET£7.70 Add to
245152245152LEVER£20.50 Add to
245177245177WASHER£11.49 Add to
245250245250CLUTCH LOCK PLATE£5.46 Add to
245265245265ENGINE PULLEY Ø 90,5£81.21 Add to
255100255100MUFFLER£128.63 Add to
5001550015SCREW£1.44 Add to
5001650016SCREW£18.80 Add to
5002150021SCREW£1.46 Add to
5002450024SCREW£1.46 Add to
501006501006TANK CAP£61.95 Add to
5012250122NUT£1.44 Add to
5015250152WASHER£1.30 Add to
5017950179WASHER£1.30 Add to
5062850628GASKET£1.55 Add to
5095250952NUT£1.36 Add to
5098750987NUT£2.72 Add to
5099550995NUT£1.32 Add to
5145351453NUT£1.36 Add to
5146351463NUT£1.34 Add to
5464054640BALL£6.17 Add to
5540955409NUT£1.58 Add to
5571955719CLAMP£1.81 Add to
5575355753BELLEVILLE SPRING£1.90 Add to
5700857008WASHER£1.35 Add to
5703957039WASHER£1.97 Add to
5779857798CLAMP£1.49 Add to
5908459084SCREW£1.69 Add to
5920759207SCREW£3.97 Add to
5937659376SCREW£1.49 Add to
5956359563TAP£14.77 Add to
5976659766SHOCK ABSORBER£6.70 Add to
6548265482EXTENSION£10.94 Add to
6548365483STEM£9.56 Add to
7680476804FEATHER KEY£2.71 Add to
RBS691035RBS691035FILTERING ELEMENT£21.77 Add to
RBS696854RBS696854OIL FILTER£51.19 Add to
RBS792105RBS79210522HP AIR FILTER£87.44 Add to