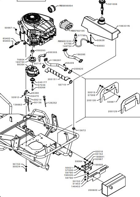
ENGINE B&S 7220 CLUTCH AND THROTTLE (from sn 658241 to sn 670354 from 2018 to 2019)

Parts list

Match the number with the image on the left and click "Add" button to add the item to your basket

Please note, that the prices are for individual items

Items might appear more than once on the drawing, please check and adjust the quantity you require.

RefNoDescriptionPrice
126252126252STARTER CONTROL LEVER£40.82 Add to
136682136682ACCELERATOR CONTROL LEVER£18.50 Add to
1367213672SHOCK ABSORBER£3.93 Add to
146704146704PIPE£4.83 Add to
165703165703ENGINE PULLEY CLS7 EC£49.35 Add to
196281196281MANIFOLD£56.30 Add to
196331N196331NTANK£142.01 Add to
200128200128GUARD£21.51 Add to
200129200129INSULATOR£21.51 Add to
200151200151TAPE£28.64 Add to
200305200305CLUTCH LOCK PLATE£7.33 Add to
200620200620GASKET£3.23 Add to
245177245177WASHER£11.49 Add to
500080500080TOOL KIT£5.19 Add to
5001550015SCREW£1.44 Add to
501006501006TANK CAP£61.95 Add to
5013850138NUT£1.30 Add to
5062850628GASKET£1.55 Add to
5098750987NUT£2.72 Add to
5281252812SCREW£1.30 Add to
5540955409NUT£1.58 Add to
5571955719CLAMP£1.81 Add to
5700857008WASHER£1.35 Add to
5703957039WASHER£1.97 Add to
5779857798CLAMP£1.49 Add to
5921459214SCREW£1.45 Add to
5926659266SCREW£3.84 Add to
5956359563TAP£14.77 Add to
6536065360NUT£2.53 Add to
6548265482EXTENSION£10.94 Add to
6548365483STEM£9.56 Add to
7680476804FEATHER KEY£2.71 Add to
RBS691035RBS691035FILTERING ELEMENT£21.77 Add to
RBS696854RBS696854OIL FILTER£51.19 Add to
RBS792105RBS79210522HP AIR FILTER£87.44 Add to