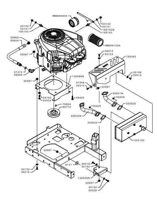
ENGINE B&S 7180 AND EXHAUST BOX (from sn 679833 to sn 715830 from 2019 to 2022)

Parts list

Match the number with the image on the left and click "Add" button to add the item to your basket

Please note, that the prices are for individual items

Items might appear more than once on the drawing, please check and adjust the quantity you require.

RefNoDescriptionPrice
136469N136469NSUPPORT£35.46 Add to
146626N146626NBRACKET£18.87 Add to
195142N195142NBRACKET£7.16 Add to
195143195143PIN£5.39 Add to
195463195463GUARD£55.48 Add to
200620200620GASKET£3.23 Add to
255100255100MUFFLER£128.63 Add to
5001450014SCREW£1.44 Add to
5001550015SCREW£1.44 Add to
5001650016SCREW£18.80 Add to
5002450024SCREW£1.46 Add to
5002850028SCREW£1.49 Add to
5014250142NUT£1.32 Add to
5015150151WASHER£1.28 Add to
5015250152WASHER£1.30 Add to
5019950199WASHER£1.58 Add to
5098750987NUT£2.72 Add to
5540955409NUT£1.58 Add to
5700857008WASHER£1.35 Add to
5727457274WASHER£1.47 Add to
5940559405SCREW£0.86 Add to
5984959849ADAPTOR 90°£23.84 Add to
5986659866PLUG£3.01 Add to
65631N65631NMANIFOLD£52.61 Add to
65632N65632NMANIFOLD£58.24 Add to
6564465644HYDRAULIC HOSE£26.66 Add to
6577265772ENGINE PULLEY 0113 CLS9£57.33 Add to
7680476804FEATHER KEY£2.71 Add to
81418141WASHER£3.84 Add to
RBS591334RBS591334AIR CLEANER£52.96 Add to
RBS696854RBS696854OIL FILTER£51.19 Add to