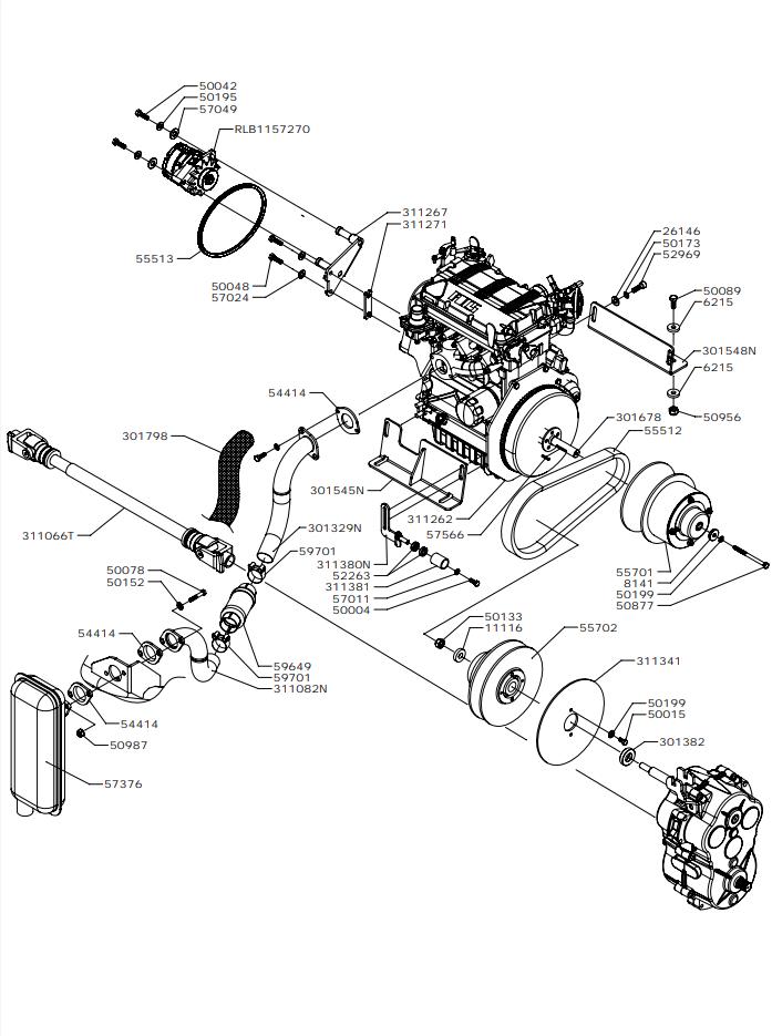
ENGINE

Parts list

Match the number with the image on the left and click "Add" button to add the item to your basket

Please note, that the prices are for individual items

Items might appear more than once on the drawing, please check and adjust the quantity you require.

RefNoDescriptionPrice
1111611116WASHER£2.91 Add to
200993200993TIGHTENER ROLLER ASSY£39.00 Add to
2614626146WASHER£3.64 Add to
5000450004SCREW£1.36 Add to
5001550015SCREW£1.44 Add to
5004250042SCREW£1.97 Add to
5004850048SCREW£1.90 Add to
5007850078SCREW£1.69 Add to
5008950089SCREW£1.85 Add to
5013350133NUT£2.21 Add to
5015250152WASHER£1.30 Add to
5017350173WASHER£1.34 Add to
5019550195WASHER£1.45 Add to
5019950199WASHER£1.58 Add to
5087750877SCREW£2.58 Add to
5095650956NUT£1.47 Add to
5098750987NUT£2.72 Add to
5226352263BEARING£9.03 Add to
5296952969SCREW£1.49 Add to
5441454414GASKET£8.86 Add to
5551255512O-RING (5 X 555610)£9.07 Add to
5551355513RING, COMPR (10 X 555692)£173.38 Add to
5701157011WASHER£1.30 Add to
5702457024WASHER£1.49 Add to
5704957049WASHER£1.60 Add to
5737657376MUFFLER£225.07 Add to
5756657566FEATHER KEY£5.46 Add to
5964959649JOINT£156.88 Add to
5970159701CLAMP£5.36 Add to
62156215WASHER£4.15 Add to
81418141WASHER£3.84 Add to