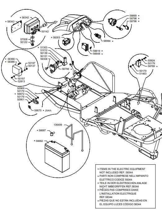
ELECTRIC EQUIPMENT (from sn 670355 to sn 715430 from 2018 to 2021)

Parts list

Match the number with the image on the left and click "Add" button to add the item to your basket

Please note, that the prices are for individual items

Items might appear more than once on the drawing, please check and adjust the quantity you require.

RefNoDescriptionPrice
136499136499RUBBER BAND£6.12 Add to
5012250122NUT£1.44 Add to
5013750137NUT£1.30 Add to
5013950139NUT£1.34 Add to
5014250142NUT£1.32 Add to
5015150151WASHER£1.28 Add to
5017950179WASHER£1.30 Add to
5019750197WASHER£1.29 Add to
5090150901SCREW£1.42 Add to
5092450924SCREW£1.49 Add to
5096950969NUT£1.30 Add to
5101251012NUT£1.54 Add to
5130351303INSULATING CAP£2.81 Add to
5146351463NUT£1.34 Add to
5281352813SCREW£1.30 Add to
5664856648SWITCH£57.37 Add to
5666256662DRY BATTERY£128.27 Add to
5667256672SMALL PLATE£4.03 Add to
5667556675FUSE£2.48 Add to
5668756687INSULATING CAP£2.31 Add to
5679656796RELAY£45.01 Add to
5700857008WASHER£1.35 Add to
5830358303HOUR-METER£46.93 Add to
5834258342LIGHT£62.85 Add to
5834358343BULB£78.69 Add to
5834458344ELECTRIC SYSTEM£225.80 Add to
5836658366CONNECTION£2.90 Add to
5838658386ELECTRONIC CONTROL UNIT (No Returns on this item)£145.21 Add to
5876958769MICRO-SWITCH£22.34 Add to
5879658796IGNITION KEY£10.82 Add to
5879858798IGNITION KEY£6.12 Add to
5881958819PLATE£4.01 Add to
5886958869IGNITION SWITCH£40.14 Add to
5898458984WARNING LIGHT£12.89 Add to
5930859308SCREW£1.92 Add to