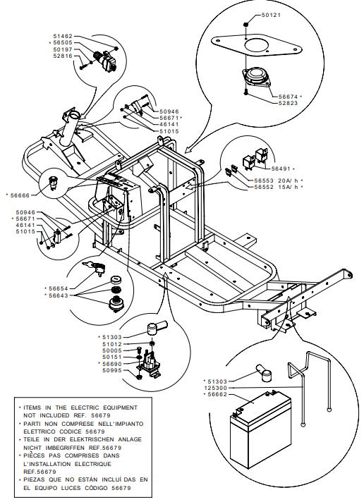
ELECTRIC EQUIPMENT (from sn 303001 to sn 303747 from 2003 to 2005)

Parts list

Match the number with the image on the left and click "Add" button to add the item to your basket

Please note, that the prices are for individual items

Items might appear more than once on the drawing, please check and adjust the quantity you require.

RefNoDescriptionPrice
4614146141STICKER PLATE£3.89 Add to
5000550005SHAFT -INPUTN/A POA
5012150121NUT£1.36 Add to
5015150151WASHER£1.28 Add to
5019750197WASHER£1.29 Add to
5094650946SCREW£1.36 Add to
5099550995NUT£1.32 Add to
5101251012NUT£1.54 Add to
5101551015NUT£1.34 Add to
5130351303INSULATING CAP£2.81 Add to
5146251462NUT£1.34 Add to
5281652816SCREW£1.32 Add to
5282352823SCREW£0.15 Add to
5649156491RELAY£22.49 Add to
5650556505MICRO-SWITCH£43.22 Add to
5655256552FUSE£2.48 Add to
5655356553FUSE£2.48 Add to
5664356643IGNITION SWITCH£33.57 Add to
5665456654KEYS COUPLE£11.84 Add to
5666256662DRY BATTERY£128.27 Add to
5667156671MICRO-SWITCH£23.47 Add to
5667456674MICRO-SWITCH£43.39 Add to