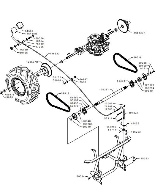
DIFFERENTIAL LOCK (from sn 505450 to sn 518640 from 2008 to 2009)

Parts list

Match the number with the image on the left and click "Add" button to add the item to your basket

Please note, that the prices are for individual items

Items might appear more than once on the drawing, please check and adjust the quantity you require.

RefNoDescriptionPrice
125346125346LEVER£37.51 Add to
125353125353NYLON BUSHING£8.42 Add to
125367125367PINION£58.36 Add to
136280136280PINION£37.51 Add to
136281136281SHAFT£121.46 Add to
136293136293DISK£4.66 Add to
136294136294COUPLING£28.27 Add to
136295136295LEVER£12.55 Add to
146475146475LEVER SPRING£9.99 Add to
146522146522WIRE£10.46 Add to
1700617006BUSHING£51.96 Add to
1700717007CLAMP£2.61 Add to
5001650016SCREW£18.80 Add to
5002850028SCREW£1.49 Add to
5005650056SCREW£2.51 Add to
5012550125NUT£1.58 Add to
5015250152WASHER£1.30 Add to
5015450154WASHER£1.37 Add to
5017350173WASHER£1.34 Add to
5017550175WASHER£1.42 Add to
5019950199WASHER£1.58 Add to
5034050340CIRCLIP£1.45 Add to
5098750987NUT£2.72 Add to
5145351453NUT£1.36 Add to
5171451714PIN£1.61 Add to
5243352433BEARING£39.65 Add to
5331153311SPLIT PIN£1.40 Add to
5453954539DUST CAP£14.01 Add to
5908459084SCREW£1.69 Add to
5925159251SCREW£1.71 Add to
5951859518DRIVE CHAIN£24.20 Add to
75607560FAIRLEAD£5.61 Add to
7614076140NYLON BUSHING£6.83 Add to
7629876298SPRING£3.81 Add to
81418141WASHER£3.84 Add to