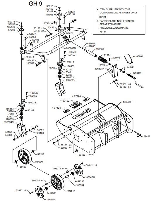
68 CM ALL PURPOSE FLAIL FRAME AND FRONT WHEELS (from sn 662305 from 2018)

Parts list

Match the number with the image on the left and click "Add" button to add the item to your basket

Please note, that the prices are for individual items

Items might appear more than once on the drawing, please check and adjust the quantity you require.

RefNoDescriptionPrice
0712107121STICKER£20.41 Add to
0715107151STICKER£5.09 Add to
105433105433BUSHING£4.69 Add to
135449135449BOOT£4.07 Add to
176603176603SPACER£8.54 Add to
186533186533SCREW£7.03 Add to
186554186554SPACER£5.87 Add to
186563186563PLUG£12.47 Add to
196074196074SPACER£3.64 Add to
196078196078BRACKET£5.36 Add to
196094196094STOP£10.70 Add to
196500H196500HFAIRING£488.07 Add to
196508H196508HBRACKET£17.21 Add to
196540U196540UDISK£8.44 Add to
196547196547WHEEL£20.41 Add to
196559196559LEVER£37.98 Add to
196560196560CYLINDER CUTTING HEIGHT ADJ£30.00 Add to
196592N196592NYOKE£39.88 Add to
196594N196594NYOKE£39.88 Add to
206009N206009NFRAME£234.02 Add to
206871206871FRONT WHEEL ASSY£61.90 Add to
33763376SPACER£3.02 Add to
5001550015SCREW£1.44 Add to
5003350033SCREW£1.66 Add to
5007250072SCREW£2.26 Add to
5010050100SCREW£2.04 Add to
5010250102NUT£1.36 Add to
5014250142NUT£1.32 Add to
5015150151WASHER£1.28 Add to
5015250152WASHER£1.30 Add to
5015350153WASHER£1.34 Add to
5049650496FITTING£1.90 Add to
5096150961NUT£1.61 Add to
5104451044NUT£2.54 Add to
5230752307BEARING£4.85 Add to
5233652336BEARING£6.29 Add to
5287252872SCREW£1.44 Add to
5397953979PIN£1.75 Add to
5458754587RUBBER BELLOW£13.12 Add to
5572655726PIN£1.49 Add to
5700857008WASHER£1.35 Add to
5705357053WASHER£1.39 Add to
5728257282BELLEVILLE SPRING£2.27 Add to
5746757467PIN£4.37 Add to
5977359773MAGNET£6.21 Add to
76437643SPACER£2.71 Add to