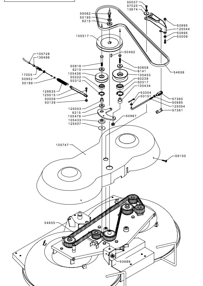
106 cm MULCHING DECK TRANSMISSION(from s/n303001 to s/n 521514 from 2003 to 2009)

Parts list

Match the number with the image on the left and click "Add" button to add the item to your basket

Please note, that the prices are for individual items

Items might appear more than once on the drawing, please check and adjust the quantity you require.

RefNoDescriptionPrice
105433105433BUSHING£4.69 Add to
105434105434BUSHING£6.44 Add to
105476105476TIGHTENER LEVER£13.90 Add to
105517105517PULLEY£100.91 Add to
105728105728WIRE£6.77 Add to
105747105747HOOD£137.74 Add to
125507125507SPACER£2.22 Add to
126635126635SPRING£13.34 Add to
136496136496BOOT£2.53 Add to
1367413674WASHER£3.43 Add to
155902155902GUIDE PULLEY£33.43 Add to
155904155904GUIDE PULLEY£41.08 Add to
1700517005ADJUSTER£5.27 Add to
5000750007SCREW£1.50 Add to
5000950009SCREW£1.42 Add to
5013950139NUT£1.34 Add to
5015150151WASHER£1.28 Add to
5018950189WASHER£1.34 Add to
5019550195WASHER£1.45 Add to
5022250222BEARING£8.85 Add to
5023650236BEARING£14.72 Add to
5031250312CIRCLIP£1.71 Add to
50317-50317-CIRCLIP£2.16 Add to
5049250492FEATHER KEY 6X 6X20£2.12 Add to
5085850858SCREW£1.71 Add to
5091650916SCREW£2.12 Add to
5095250952NUT£1.36 Add to
5098550985NUT£1.30 Add to
5098750987NUT£2.72 Add to
5098950989NUT£1.59 Add to
5099550995NUT£1.32 Add to
5330453304SPLIT PIN£1.37 Add to
5465554655BELT£264.83 Add to
5465854658BELT£80.07 Add to
5702557025WASHER£1.34 Add to
5736057360YOKE£4.93 Add to
5736157361CLIP£3.09 Add to
5906259062SCREW£1.71 Add to
5910059100SCREW£1.36 Add to
62156215WASHER£4.15 Add to
81418141WASHER£3.84 Add to