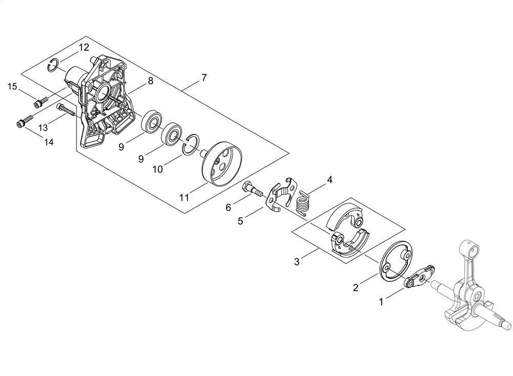
CLUTCH

Parts list

Match the number with the image on the left and click "Add" button to add the item to your basket

Please note, that the prices are for individual items

Items might appear more than once on the drawing, please check and adjust the quantity you require.

RefNoDescriptionPrice
001EC-A552-000390HUB , CLUTCH£15.79 Add to
003EC-P100-000080CLUTCH SHOE SET£54.72 Add to
004EC-A566-000230SPRING , CLUTCH£3.70 Add to
005EC-V453-000230SPRING , FLAT£7.85 Add to
006EC-A557-000190SHAFT , CLUTCH£4.50 Add to
009EC-94018-46001BEARING , BALL£7.56 Add to
010EC-900702-00028CIRCLIP£2.17 Add to
011EC-A556-001540DRUM , CLUTCH£36.38 Add to
012EC-900701-00012CIRCLIP£1.61 Add to
013EC-V805-000170BOLT, TORX 5£2.66 Add to
014EC-V805-000160BOLT, TORX 5£2.66 Add to
015EC-V805-000130BOLT£2.66 Add to