Parts list
Match the number with the image on the left and click "Add" button to add the item to your basket
Please note, that the prices are for individual items
Items might appear more than once on the drawing, please check and adjust the quantity you require.
| Ref | No | Description | Price | |
|---|
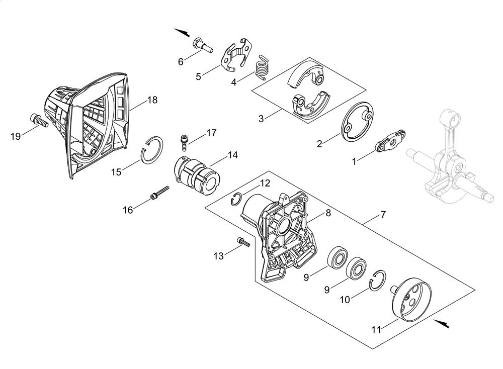
| 001 | EC-A552-000390 | HUB , CLUTCH | £15.79 | Add to |
| 003 | EC-P100-000080 | CLUTCH SHOE SET | £54.72 | Add to |
| 004 | EC-A566-000230 | SPRING , CLUTCH | £3.70 | Add to |
| 005 | EC-V453-000230 | SPRING , FLAT | £7.85 | Add to |
| 006 | EC-A557-000190 | SHAFT , CLUTCH | £4.50 | Add to |
| 007 | EC-P100-002610 | CASE , CLUTCH ASY | £116.61 | Add to |
| 009 | EC-900807-06001 | BEARING , BALL | £11.04 | Add to |
| 010 | EC-900702-00028 | CIRCLIP | £2.17 | Add to |
| 011 | EC-A556-001540 | DRUM , CLUTCH | £36.38 | Add to |
| 012 | EC-900701-00012 | CIRCLIP | £1.61 | Add to |
| 013 | EC-V805-000170 | BOLT, TORX 5 | £2.66 | Add to |
| 014 | EC-V420-004090 | CUSHION | £25.08 | Add to |
| 015 | EC-900702-00045 | RETAINING RING | £3.21 | Add to |
| 016 | EC-V805-000170 | BOLT, TORX 5 | £2.66 | Add to |
| 017 | EC-V805-000140 | BOLT , TORX 5 | £2.66 | Add to |
| 018 | EC-A580-000011 | COVER , CLUTCH CASE | £11.64 | Add to |
| 019 | EC-V835-000000 | BOLT, TORX 5 | £2.66 | Add to |
Great services thank you
Jessie Cameron
09/05/2026
Helpful bunch and quick delivery
A Pelham
09/05/2026
I needed a replacement grass box for my Mountfield mower, I found World of mowers had an excellent range at very good prices. The ordering process was very straightforward and the item was delivered earlier than expected, this was not an issue as Parcel Force notified me of the delivery date and gave me a time frame window. Overall an excellent experience and I would certainly use WoM again.
Paul Dunn
09/05/2026
Very helpful over the phone in finding the correct part number. Then ordered and delivered very quickly. Well done.
Ray Setterfield
08/05/2026
All our prices include VAT