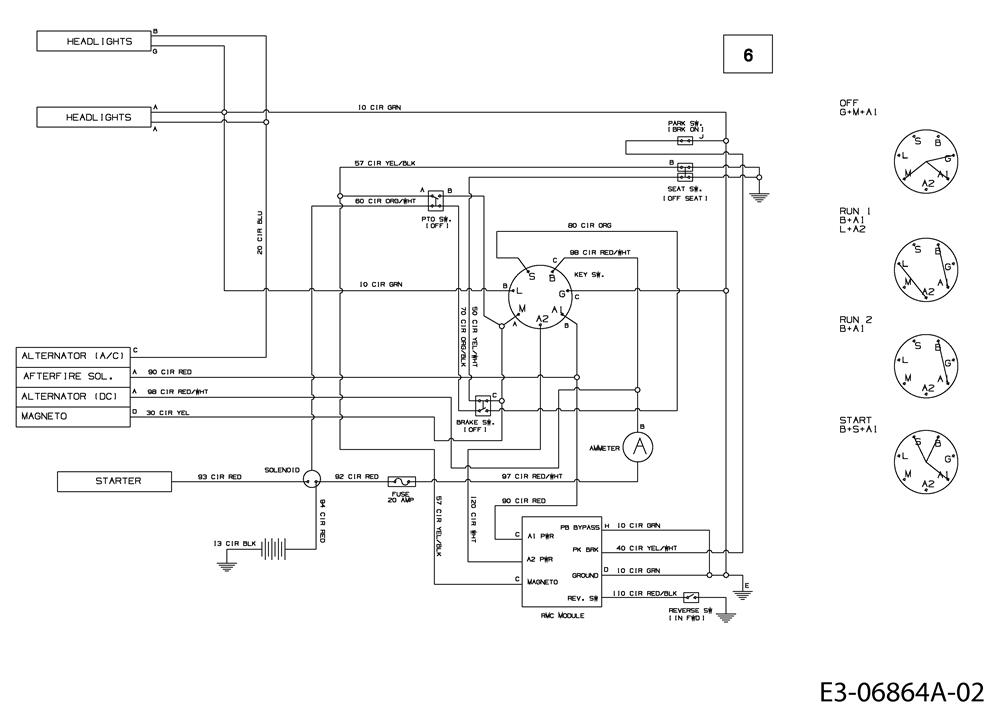
Parts list
Match the number with the image on the left and click "Add" button to add the item to your basket
Please note, that the prices are for individual items
Items might appear more than once on the drawing, please check and adjust the quantity you require.
| Ref | No | Description | Price | |
|---|
| 006 | 725-04432F | | N/A | POA |
Good to deal with qwick turn round will use again cheers
Russel Laverack
29/04/2026
AAAAAA++
ROBERT HEAD
28/04/2026
great service parts delivered on time
Roger Kidd
27/04/2026
Excellent service, friendly and helpful, highly recommended
Gerald Palmer
27/04/2026
All our prices include VAT