MTD015478

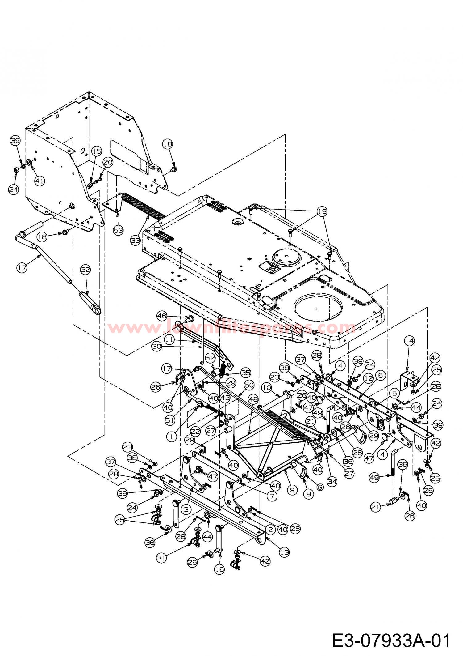
Parts list

Match the number with the image on the left and click "Add" button to add the item to your basket

Please note, that the prices are for individual items

Items might appear more than once on the drawing, please check and adjust the quantity you require.

RefNoDescriptionPrice
00116682P637SLEEVE ASSY-PIVOT 16682£25.42 Add to
00217554ASM:DK LFT PVT BRKT R.FR-P£370.89 Add to
00317555637BRKT ASM:PIVOT:DECK LIFT RH RR 17555£35.00 Add to
00417556637BRKT ASM:PIVOT:DECK LIFT LH 17556£25.66 Add to
00517557637BRKT ASM:PIVOT:DECK LIFT SHORT 17557£21.63 Add to
00617562637CONNECTING LINK LH 17562£12.45 Add to
00717563CONNECTING LINK RH£53.52 Add to
00817568SHAFT:ASM CROSS£470.07 Add to
00917573A637NO LONGER AVAILABLEN/A POA
01017574637SHAFT 17574£65.10 Add to
01117580637STRAP:LIFT HANDLE SUPPORT 17580£16.58 Add to
01217581ABRKT:SUPPORT PIVOT L.H.N/A POA
01317582ABRKT:SUPPORT PIVOR R.HN/A POA
01417597-ZBRAKE ROD GUIDE BRKT£12.68 Add to
01517962PLT:SW£4.66 Add to
016683-0111-ZLINK ASSY. 3.31"LG.£16.05 Add to
017683-0584HNDL ASM:DECK LIFTN/A POA
018710-0604ASCREW£3.62 Add to
019710-1012BOLT:RIBBED:HD 5/16-24 x.87"LG£3.39 Add to
020710-1388SCREW£3.23 Add to
021711-3397FERRULE ADJUSTMENT£12.78 Add to
022712-04065NUT£4.02 Add to
023712-3010NUT 5/16 x 18£2.77 Add to
024712-3017NUT:JAM:3/8-16:GR5£2.97 Add to
025712-3057NUT 5/16-24£3.00 Add to
026714-0104PIN INTERNAL COTTER£2.78 Add to
027714-0115COTTER PIN£3.42 Add to
028714-0470COTTER PIN£5.07 Add to
029714-0507COTTER PIN 3/32 DIA£3.13 Add to
030725-0157NO LONGER AVAILABLEN/A POA
031726-0272CLAMP£2.98 Add to
032731-2509GRIP (OBSOLETE) (OBSOLETE)N/A
033732-0603EXTENSION SPRING£25.20 Add to
034732-0638EXTENSION SPRING£15.71 Add to
035732-0640EXTENSION SPRING£4.92 Add to
036736-0101WASH:FLAT:.406 X 1.00 X .030£12.63 Add to
037736-0116WASH:FLAT:.635 x.93 x.06£3.70 Add to
038736-0119LOCK WASHER 5/16£3.33 Add to
039736-0169L. WASHER£2.89 Add to
040736-0185FLAT WASHER (RED)£3.59 Add to
041736-0192WASH:FL:.535 X .93 X .090£3.59 Add to
042736-0242BELL WASHER£3.72 Add to
043736-0314WASHER-THRUST£2.97 Add to
044736-0773WASH:FLAT:16x22x1 DIN 988£2.93 Add to
046738-0143SHOULDER BOLT£12.24 Add to
047738-0281SCR:SHLDR:.625 x.17:3/8-16£8.44 Add to
048738-0667NO LONGER AVAILABLEN/A POA
049747-0634LINK:LIFT ADJ 3/8X3.62 LG. (OBSOLETE)£34.66 Add to
050747-0745ROD:DECK LIFT£19.38 Add to
051747-0746ROD:DECK ENGAGE£10.42 Add to
052750-0379SPACER .657 ID X .87 OD X .85£5.33 Add to
053783-0138BRKT:RET:TRANS SPR£15.75 Add to