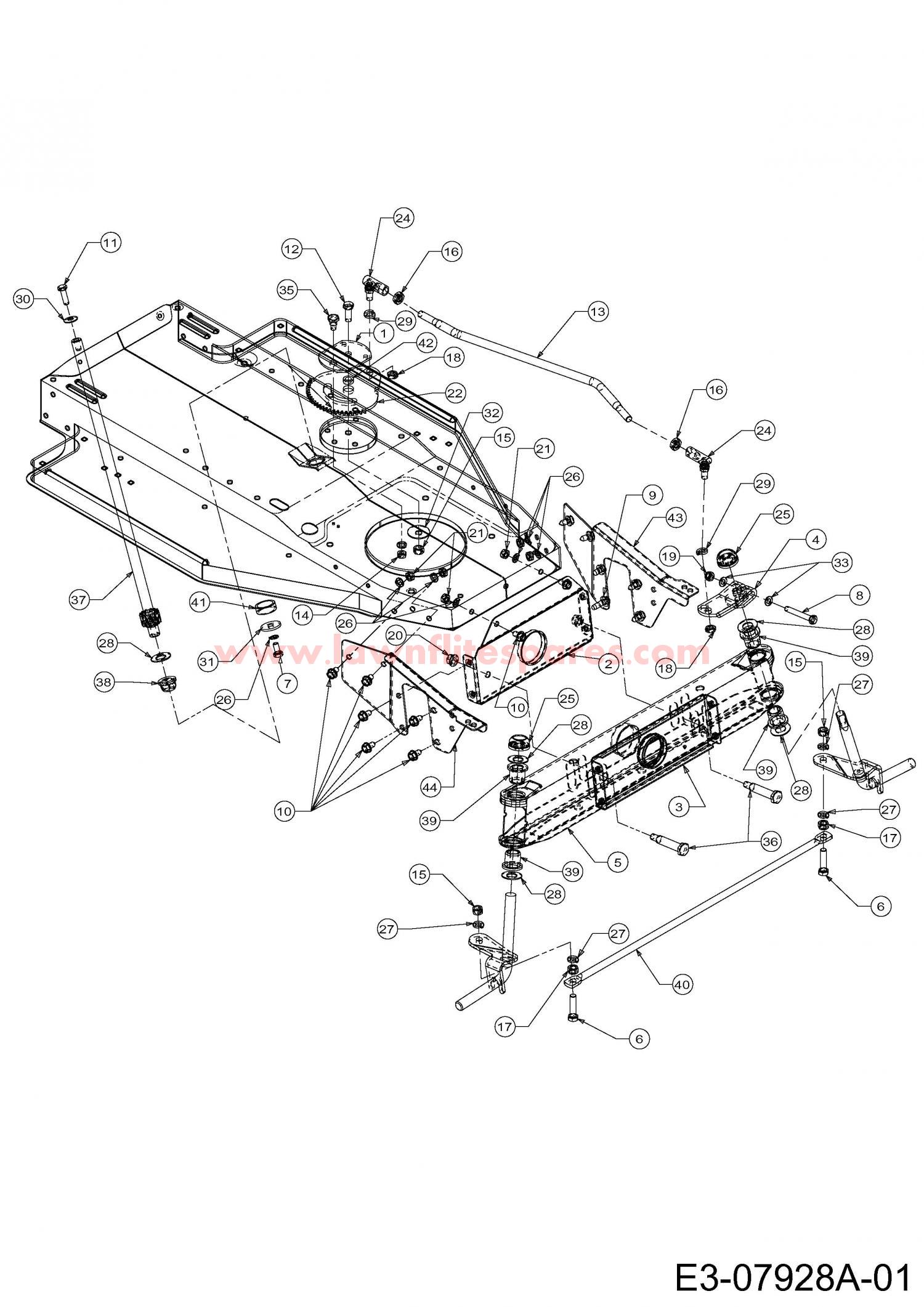
MTD015472

Parts list

Match the number with the image on the left and click "Add" button to add the item to your basket

Please note, that the prices are for individual items

Items might appear more than once on the drawing, please check and adjust the quantity you require.

RefNoDescriptionPrice
001783-04644BRACKET£15.63 Add to
00217547637NO LONGER AVAILABLEN/A POA
00317548637PIVOT BAR SUPP BRACKET FRONT (OBSOLETE)£35.00 Add to
004683-0055637STEERING ARM£51.15 Add to
005683-0128B637PIVOT BAR ASSY£65.51 Add to
006710-0459ATIE ROD BOLT£3.62 Add to
007710-0538HEX L BOLT£4.15 Add to
008710-0593SCREW-HEX£4.86 Add to
009710-0602SCREW:TT:5/16-18:1.00:HXINDWSH£5.64 Add to
010710-0604ASCREW£3.62 Add to
011710-0643BOLT£3.85 Add to
012710-1039HEX BOLT 3/8-24 x 1 INCH Lg£3.62 Add to
013711-1117ANO LONGER AVAILABLEN/A POA
014712-0158NUT, HEX CENTER LOCK, 5/16-18£9.35 Add to
015712-0214HEX NUT£3.55 Add to
016712-0240NUT£3.62 Add to
017712-0241HEX NUT 3/8-24£2.79 Add to
018712-0262NUT:JAMLK:3/8-24:GR2£12.97 Add to
019712-0411NUT£2.69 Add to
020712-0431NUT£3.20 Add to
021712-3010NUT 5/16 x 18£2.77 Add to
022717-0622CGEAR SEGMENT£39.29 Add to
024723-0448ABALL JOINT ASSY£24.61 Add to
025726-0214PUSH CAP£5.36 Add to
026736-0119LOCK WASHER 5/16£3.33 Add to
027736-0169L. WASHER£2.89 Add to
028736-0187FLAT WASHER£3.19 Add to
029736-0217H.L. WASHER (RED)£4.89 Add to
030736-0242BELL WASHER£3.72 Add to
031736-0343WASHER-5/16 x 1.25£4.57 Add to
032736-0356BELL WASHER£3.95 Add to
033736-3081WASH:FLAT:.320 x .600 x.060:HT£10.52 Add to
035738-0141SHLD SCREW (OBSOLETE) (OBSOLETE) (OBSOLETE) (OBSOLETE)N/A
036738-0527SCR:SHLDR:.498 DIA X 2.045£7.78 Add to
037738-0937STEERING SHAFT£64.66 Add to
038741-0225HEX FLANGE BEARING£4.92 Add to
039741-0659FLANGE BEARING£5.31 Add to
040747-0861637ROD:TIE:NON-ADJ 21.72 LG 747-0861£19.25 Add to
041750-0532SPACER (OBSOLETE)N/A
042750-0535SPACER£10.09 Add to
043783-0255B637PLT:SD:PIVOT BAR-L.H. 783-0255B£24.40 Add to
044783-0256B637PLT:SD:PIVOT BAR-R.H. 783-0256B£24.20 Add to