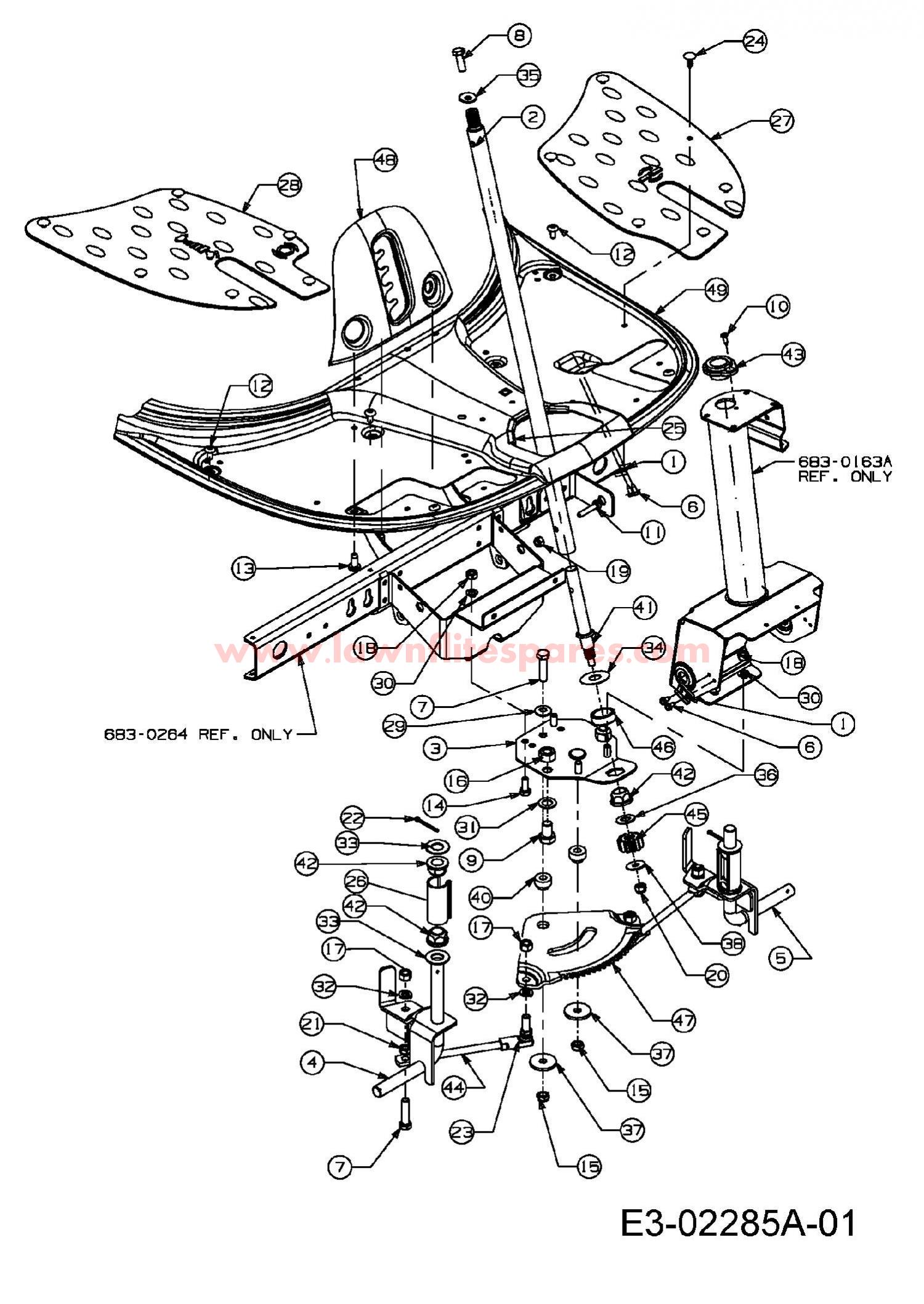
MTD009234

Parts list

Match the number with the image on the left and click "Add" button to add the item to your basket

Please note, that the prices are for individual items

Items might appear more than once on the drawing, please check and adjust the quantity you require.

RefNoDescriptionPrice
00117962PLT:SW£4.66 Add to
002650-0007TUBE ASM:STRG:.88 x 24.36 LG£53.43 Add to
003683-0033ASTEERING SUPPORT BRACKET ASSY (RED)£35.15 Add to
004683-0144BAXLE ASM:FRONT R.H.N/A POA
005683-0145BAXLE ASM:FRT L.H.N/A POA
006710-0224NO LONGER AVAILABLEN/A POA
007710-0459ATIE ROD BOLT£3.62 Add to
008710-0643BOLT£3.85 Add to
009710-0689HEX.SCREW HHCS:1/2-13:.75NYLON£7.22 Add to
010710-0837OVAL SUNK SCREW£3.51 Add to
011710-0958NO LONGER AVAILABLEN/A POA
012710-1017TAP SCREW£2.97 Add to
013710-1611BSCREW SELF TAP£5.88 Add to
014710-3008HEX BOLT£3.03 Add to
015712-0116HEX NUT£3.96 Add to
016712-0206NUT£3.42 Add to
017712-0241HEX NUT 3/8-24£2.79 Add to
018712-3010NUT 5/16 x 18£2.77 Add to
019712-0324HEX. INS L NUT£3.69 Add to
020712-0411NUT£2.69 Add to
021712-0711NUT£3.07 Add to
022714-0470COTTER PIN£5.07 Add to
023723-0156BALL JOINT 3/8-24£23.17 Add to
024726-3046RATCHET£3.11 Add to
025731-051181EDGE GUARD 731-0511£32.27 Add to
026731-1649CAPAXLE CAP£3.89 Add to
027735-0265APAD:FLOOR:LH£39.89 Add to
028735-0266APAD:FLOOR:RH£39.89 Add to
029736-0105BELL WASHER£3.33 Add to
030736-0119LOCK WASHER 5/16£3.33 Add to
031736-0160WASH:FLAT:.530x.930x.050£3.39 Add to
032736-0169L. WASHER£2.89 Add to
033736-0187FLAT WASHER£3.19 Add to
034736-0196WASHER:FLAT:.628 x 1.56 x 0.36£3.20 Add to
035736-0231WASHER FLAT£3.58 Add to
036736-0272WASHER:FL:.510 X 1.000 X .060£3.16 Add to
037736-0320WASH:FLAT:.380 x.1.380 x.125£4.70 Add to
038736-3078WASH:FLAT:.344 x 1.00 x 063:HD£4.23 Add to
040738-0541SPCR:STRG:SHLD£5.88 Add to
041738-3089AADAPTER STEERING COLUMN£65.99 Add to
042741-0225HEX FLANGE BEARING£4.92 Add to
043741-0356BRG:STRG COL .890 ID x 1.36 OD£4.85 Add to
044747-0955TIE ROD£17.13 Add to
045748-0290PINION£12.78 Add to
046750-0532SPACER (OBSOLETE)N/A
047783-0411STEERING GEAR SEGMENT£100.97 Add to
048783-04324PLT:LFTN/A POA
049783-0565CCVR:FRM:UPRN/A POA