MTD009102

Parts list

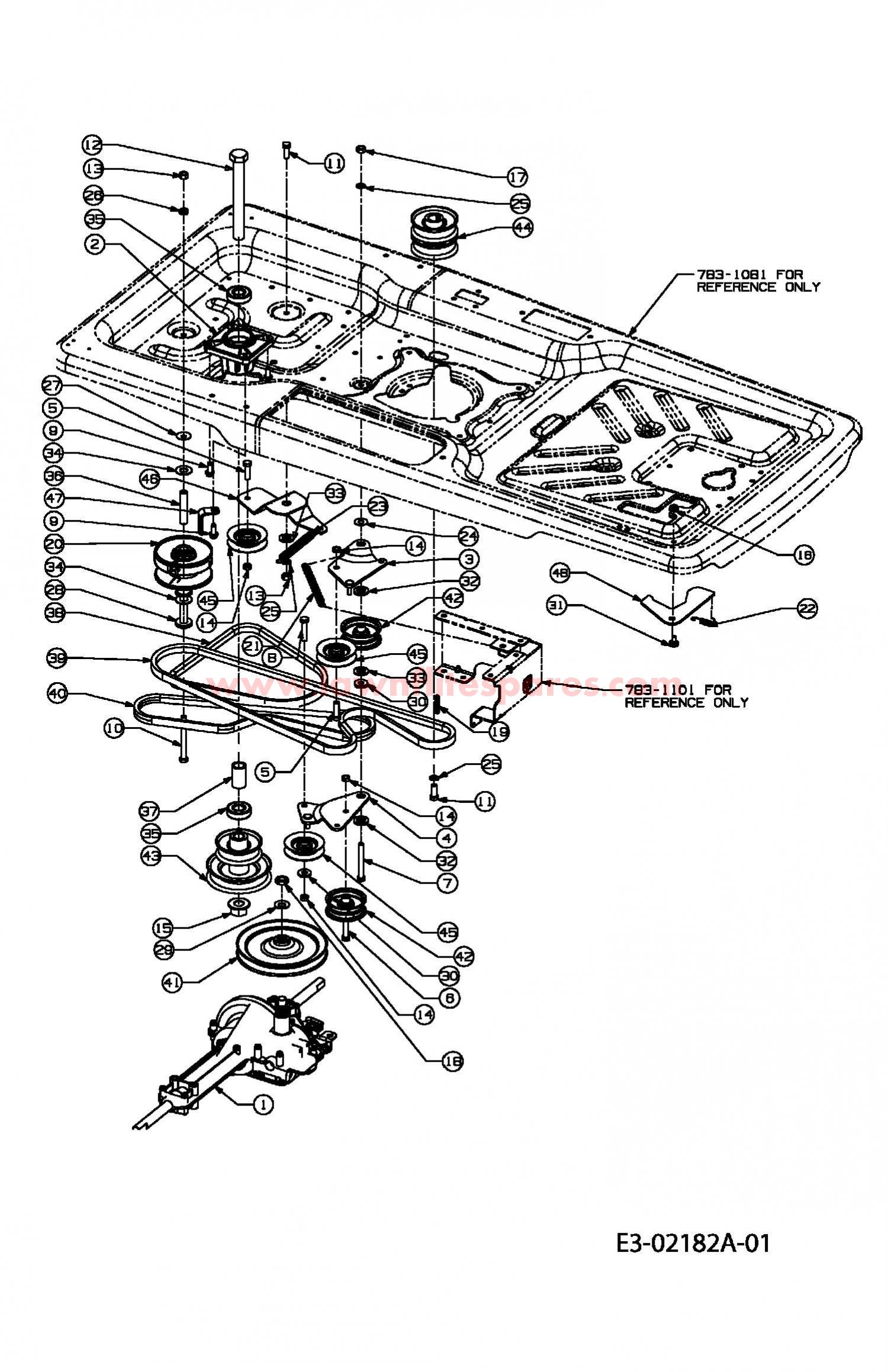
Match the number with the image on the left and click "Add" button to add the item to your basket

Please note, that the prices are for individual items

Items might appear more than once on the drawing, please check and adjust the quantity you require.

RefNoDescriptionPrice
001618-0564ATRANS ASM: SNGL SPD 618-0564£673.86 Add to
002618-0452HSG COMPL:SPDL:MACHINED£102.61 Add to
003683-0446BRKT ASM:IDLR:DR£16.60 Add to
004683-0447BRKT ASM:IDLR:DR£17.92 Add to
005710-0191HEX BOLT (RED)£7.13 Add to
006710-0459ATIE ROD BOLT£3.62 Add to
007710-0521SCREW HHCS:3/8-16:3.00:GR8:STD£5.19 Add to
008710-0539HHCS:3/8-24:1.75:GR5:STD£4.46 Add to
009710-0650SCREW£3.58 Add to
010710-0902SCREW HHCS:3/8-24:3.75:GR5:STD£15.40 Add to
011710-1039HEX BOLT 3/8-24 x 1 INCH Lg£3.62 Add to
012710-1812HHCS:M20 X 2.5:160£20.18 Add to
013712-0241HEX NUT 3/8-24£2.79 Add to
014712-0296NUT:JAMLK:3/8-24£3.59 Add to
015712-0695NUT:FLG:M20-2.5 DIN 6923£6.63 Add to
016712-3004AHEX FLANGE NUT£2.97 Add to
017712-3017NUT:JAM:3/8-16:GR5£2.97 Add to
018712-3035NUT:JAM:9/16-18:GRADE 5£3.59 Add to
019714-0133SQUARE KEY£10.83 Add to
020717-0884NO LONGER AVAILABLEN/A POA
021732-0308EXTENSION SPRING£10.04 Add to
022732-0418SPR:EXTN:.38 OD X 2.10£5.21 Add to
023732-0814SPRING 56 DIA x 5.52 LG£11.51 Add to
024736-0101WASH:FLAT:.406 X 1.00 X .030£12.63 Add to
025736-0169L. WASHER£2.89 Add to
026736-0217H.L. WASHER (RED)£4.89 Add to
027736-0219BELL WASHER (RED)£3.58 Add to
028736-0247F.I. WASH£8.70 Add to
029736-0427BELL:WASH:.567 x 1.125 x .06£3.31 Add to
030736-3052WASH:FLAT:.406 X 1.00 X .105£3.77 Add to
031738-0155BOLT:SHLDR:.435 x.160:5/16-18£7.50 Add to
032738-0347SPACER£4.16 Add to
033738-0968SPACER£11.79 Add to
034741-0405NO LONGER AVAILABLEN/A POA
035741-0919BBALL BEARING£28.69 Add to
036750-0705SLV:SPCR:.56:2.71£18.27 Add to
037750-0952SPCR:.792 X 1.060 X 1.800 LG£7.88 Add to
038754-0453V BELT£53.72 Add to
039754-0493BELT£33.95 Add to
040754-0494BELT£37.92 Add to
041756-0650PUL:TRANS:7.0x5/8-36£84.67 Add to
042756-0981BPUL:IDLR:FLAT 2.75 ODN/A POA
043756-1195PULLEY£104.60 Add to
044756-1200PUL:ENG:DBL 3.56 X 3.56 (OBSOLETE)N/A
045756-04241PULLEY£28.01 Add to
046783-0528BRKT:IDLR:VARI SPEED TRANS£19.17 Add to
047783-1292637CABLE BRACKET 783-1292£13.05 Add to
048783-1341-ZBRKT:LOCK:PED£21.60 Add to