MTD009101

Parts list

Match the number with the image on the left and click "Add" button to add the item to your basket

Please note, that the prices are for individual items

Items might appear more than once on the drawing, please check and adjust the quantity you require.

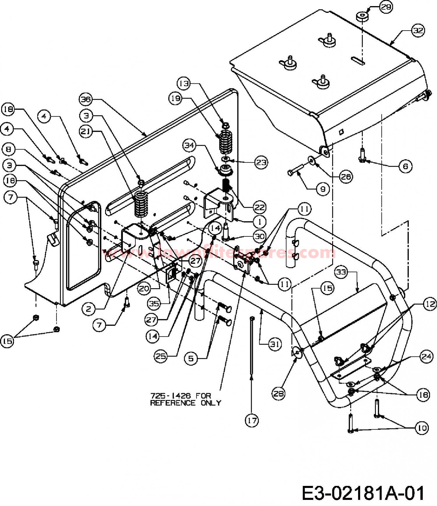
RefNoDescriptionPrice
001683-0575SUPPORT L.H. (Y.M. GREEN)N/A POA
002683-0576SUPPORT R.H. (Y.M. GREEN)N/A POA
003710-0604ASCREW£3.62 Add to
004710-0642SCREW-HEX HD TAP 4-20 x 7.5£3.68 Add to
005710-1250BOLT:CRG:5/16-18:1.5:CRVD£2.77 Add to
006710-1315SCR TT 3/8-16 1.250 HXINDWSH S£5.70 Add to
007710-1681HEX BOLT M8 X 20 DIN 933 (RED)£3.24 Add to
008710-1690HHCS:M6-1:16.00£3.39 Add to
009710-1703Screw 21.1443.77£3.39 Add to
010710-3103SCRE.HHCS:5/16-18:2.00:GR5:STD£3.16 Add to
011712-0271NUT:SEMS:1/4-20£3.03 Add to
012712-0421KNOB£6.43 Add to
013712-0431NUT£3.20 Add to
014712-0689NUT:HEX:M6-1:DIN 934£2.33 Add to
015712-0692HEX NUT£3.10 Add to
016712-3004AHEX FLANGE NUT£2.97 Add to
017725-0157NO LONGER AVAILABLEN/A POA
018726-3046RATCHET£3.11 Add to
019732-0735SPR:COMPRS:1.314 OD x 2.55 LG£18.48 Add to
020732-0750ASPACER: SWITCH ACTUATOR£24.75 Add to
021732-0996SPR:COMPRS:.233 ODX1.00 LG£7.13 Add to
022732-0997SPRING:CMPRS:.66 OD X 1.5 LG£3.58 Add to
023736-0105BELL WASHER£3.33 Add to
024736-0195WASHER 1540-043£2.93 Add to
025736-0222NO LONGER AVAILABLEN/A POA
026736-0289Washer£5.50 Add to
027736-0648WASHER:LOCK:B6:DIN 127£2.44 Add to
028736-0743WASH:FLAT:8.4 x 35 x 1,5£3.76 Add to
029738-04008SPCR:1.250 x.475 x.380 ID£7.37 Add to
030738-1014SCREW-SHOULDER£5.81 Add to
031749-1264TUBE:SUPT:SEATN/A POA
032783-04005SEAT BASE£47.57 Add to
033783-04293NO LONGER AVAILABLEN/A POA
034783-0733SPACER£16.56 Add to
035783-0931ANGLE:BRKT:SAFETY SWITCHN/A POA
036783-1118BBRKT:SUPT:SEATN/A POA