MTD009073

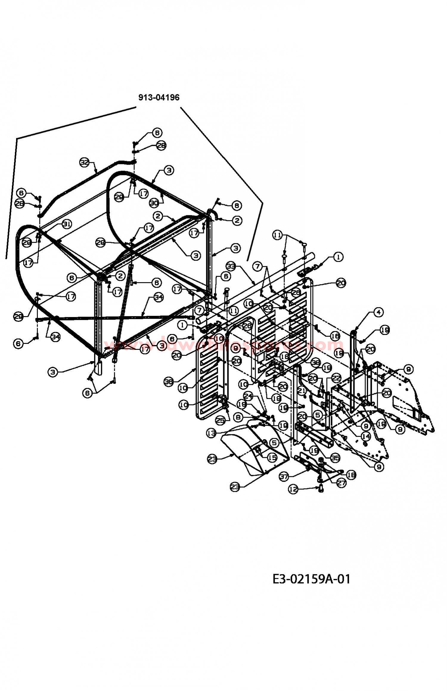
Parts list

Match the number with the image on the left and click "Add" button to add the item to your basket

Please note, that the prices are for individual items

Items might appear more than once on the drawing, please check and adjust the quantity you require.

RefNoDescriptionPrice
00115995AGRASS CATCHER SUPPORT PLATEN/A POA
002649-0011637TUBE ASSY CATCHER£123.78 Add to
003664-0073BBAG ONLY£159.09 Add to
004683-0105BRKT ASM:SPRT:LH GRASSCTCH£45.13 Add to
005683-0106A637BRKT ASM:SUPT:GRSCTCH:R.H 683-0106A£54.96 Add to
006710-1194SCREW 10/24 x 1.00 DX60 CATCHER£4.95 Add to
007710-1388SCREW£3.23 Add to
008710-1399SCREW HEX£4.62 Add to
009710-1376CAP SCREW£4.50 Add to
010710-1690HHCS:M6-1:16.00£3.39 Add to
011710-1700CARRIAGE BOLT M8x40 DIN 603-8.£4.11 Add to
012710-1701SCREW HEX M12x25 DIN 933-8.8£5.46 Add to
013710-1759SCREW£3.95 Add to
014711-0679ACLEVIS PIN£6.70 Add to
015711-0701CLEVIS PIN£4.89 Add to
016712-0147NO LONGER AVAILABLEN/A POA
017712-0161NYLOK NUT #10-24£6.05 Add to
018712-0630NUT: HEX:M12-1.75:DIN 934-8£3.44 Add to
019712-0691HEX NUT M6 DIN 985£2.66 Add to
020712-0692HEX NUT£3.10 Add to
021714-0147COTTER PIN£3.51 Add to
022714-0507COTTER PIN 3/32 DIA£3.13 Add to
023731-1606BCHUT:dis:30" RD DECK£43.05 Add to
024732-0755EXT SPRING£6.72 Add to
025732-0838ASPRING£6.95 Add to
026736-0119LOCK WASHER 5/16£3.33 Add to
027736-0253WASH:BLVL:.525 x 1.000 x.050£3.87 Add to
028736-0400FLAT WASHER .194x.620Dx.63TH£3.77 Add to
029736-0764-ZWASHER REINFORCE£7.99 Add to
030749-04226637SIDE FRAME (LH)£52.12 Add to
031749-04227637SIDE FRAME (R.H.)£52.24 Add to
032749-0962A637HANDLE£15.87 Add to
033749-0963637TUBE:1.25 DIA X 29.4 LG 749-0963£29.47 Add to
034749-0964637TUBE 1/2 X 29.51 BLACK£23.66 Add to
035749-0966637HITCH TUBE 400 749-0966£63.25 Add to
036783-0278A637BACK PLATE BLACK£143.36 Add to
037783-0286637BRACKET-HITCH EXT£26.00 Add to
038783-0308637SHIELD:GRASS 783-0308£11.55 Add to