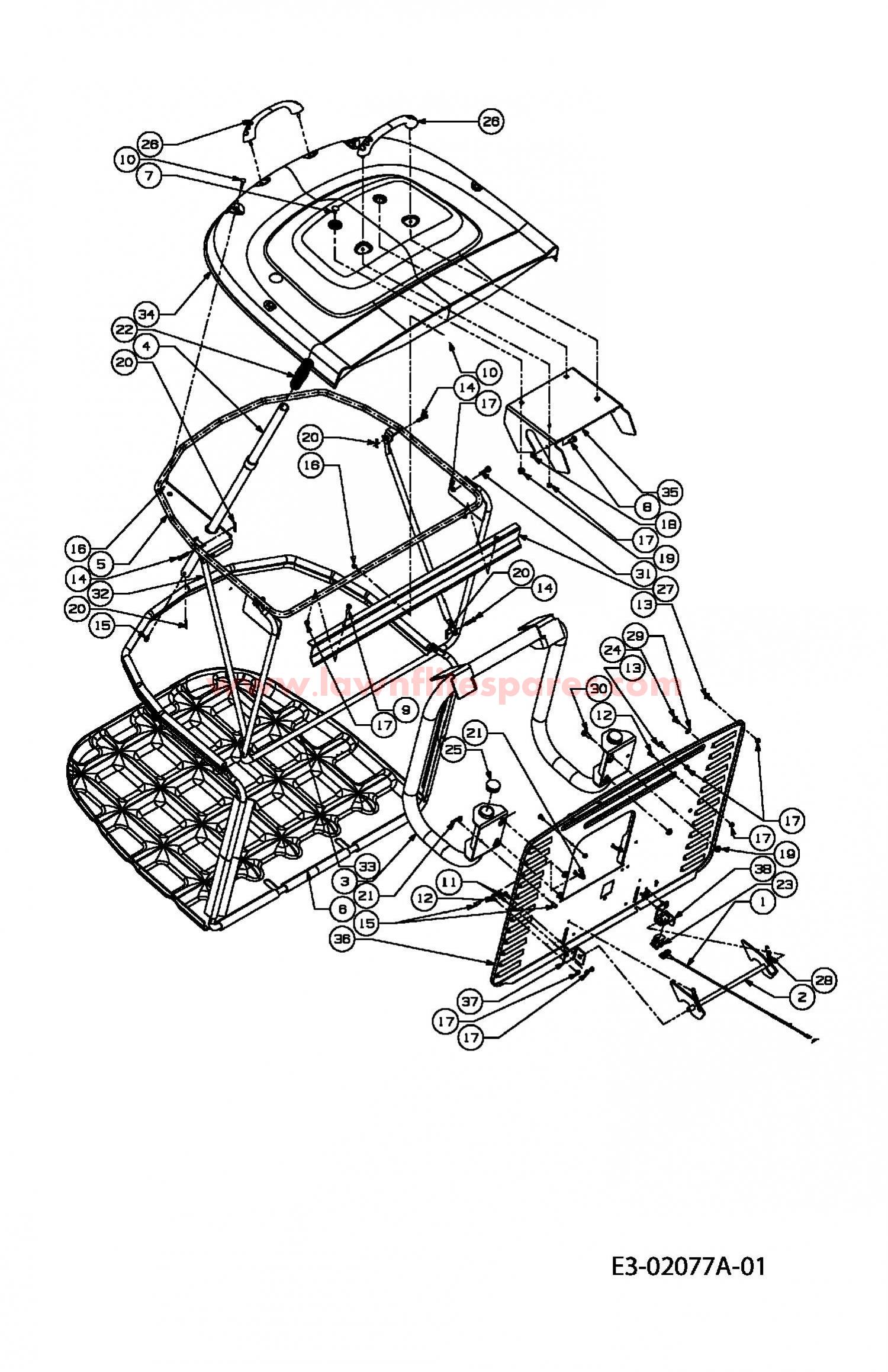
Parts list
Match the number with the image on the left and click "Add" button to add the item to your basket
Please note, that the prices are for individual items
Items might appear more than once on the drawing, please check and adjust the quantity you require.
| Ref | No | Description | Price | |
|---|
| 001 | 629-1101A | HARN ASM:500:BAG PRESENT | £36.31 | Add to |
| 002 | 647-0063B637 | PAWL GRASBAG | £31.44 | Add to |
| 003 | 649-0132637 | FRM ASM:PIVOT:300L BAG 649-0132 | £234.05 | Add to |
| 004 | 649-04052637 | TUBE LEVER BLACK | £26.48 | Add to |
| 005 | 649-04008637 | FRM ASM:TOP:GRSBG 300L 649-04008 | £205.78 | Add to |
| 006 | 664-0110A | GRASS BAG | £157.95 | Add to |
| 007 | 710-0260A | BOLT:CRG: 5/16-18:.62 GR5 | £2.93 | Add to |
| 008 | 710-1376 | CAP SCREW | £4.50 | Add to |
| 009 | 710-1399 | SCREW HEX | £4.62 | Add to |
| 010 | 710-1612 | BOLT:CRG:5mm x 30.0 LG | £5.69 | Add to |
| 011 | 710-1690 | HHCS:M6-1:16.00 | £3.39 | Add to |
| 012 | 710-1691 | HEX. SCREW:M6X12 DIN 933 8.8 | £4.11 | Add to |
| 013 | 710-1765 | SCR:TORX:M6-1 x 15.00 | £2.93 | Add to |
| 014 | 711-04138 | PIN | £4.11 | Add to |
| 015 | 711-0701 | CLEVIS PIN | £4.89 | Add to |
| 016 | 712-0642 | NUT FLGLK M5 0.8 | £2.68 | Add to |
| 017 | 712-0691 | HEX NUT M6 DIN 985 | £2.66 | Add to |
| 018 | 712-0692 | HEX NUT | £3.10 | Add to |
| 019 | 712-3004A | HEX FLANGE NUT | £2.97 | Add to |
| 020 | 714-0104 | PIN INTERNAL COTTER | £2.78 | Add to |
| 021 | 714-0145 | R CLIP | £2.78 | Add to |
| 022 | 720-0204 | GRIP:1.0 ID x 4.7 LG | £12.60 | Add to |
| 023 | 725-3167 | SW:MT:SNAP NO | £24.68 | Add to |
| 024 | 726-3046 | RATCHET | £3.11 | Add to |
| 025 | 731-04048 | CAP:TUBE:SUPT 300L/250L BAG | £3.80 | Add to |
| 026 | 731-04174 | HNDL:BAG:W/SCR 400/500 S | £58.97 | Add to |
| 027 | 731-2835A | BAG SEAL (OBSOLETE) (OBSOLETE) | N/A | |
| 028 | 732-0264 | EXTENSION SPRING | £10.47 | Add to |
| 029 | 736-0463 | WASH:FLAT: .250 x .630 x .052 | £3.31 | Add to |
| 030 | 738-0140 | SHLD SCREW | £6.03 | Add to |
| 031 | 738-1183 | SCR:SHLDR:9.5mmX5mm:M6-1X24 LG | £3.85 | Add to |
| 032 | 749-04010637 | TUBE:SUPT:CROSS GRSBG 250/300 749-04010 | £33.38 | Add to |
| 033 | 749-1412637 | TUBE:FRM:FRT:BAG 250L/300L 749-1412 | £82.12 | Add to |
| 034 | 783-04179A-R | CVR:BAG:HT:300L 783-04179 | N/A | POA |
| 035 | 783-04180637 | BRKT:HOOK:BAG 300L 783-04180 | £41.36 | Add to |
| 036 | 783-04559637 | NO LONGER AVAILABLE | N/A | POA |
| 037 | 783-1391 | BRKT:MT:LATCH BAG 250L/300L | £8.18 | Add to |
| 038 | 783-1392 | BRKT:LATCH:MT:SW BAG 250L/300L | £13.25 | Add to |
| 039 | 753-0808638 | SPARE PART KIT GRASS BAG | £428.20 | Add to |
| 39A | 753-0808650 | SPARE PART KIT GRASS BAG | £284.19 | Add to |
| 39B | 753-0808665 | NO LONGER AVAILABLE | N/A | POA |
Order promptly dealt with and delivered on date stated.
Thank you
Stuart Lowe
25/03/2026
Ordered a blade for a Mountfield mower which arrived promptly, really well packaged, and was exactly as described. Easy to order, good value and quick delivery. Thanks
Robert Cordwell
23/03/2026
Really quick delivery and able to get the infornation on part needed.
Steven Foster
22/03/2026
Easy to order correct part online good price quick delivery
Paul Sibley
21/03/2026
All our prices include VAT