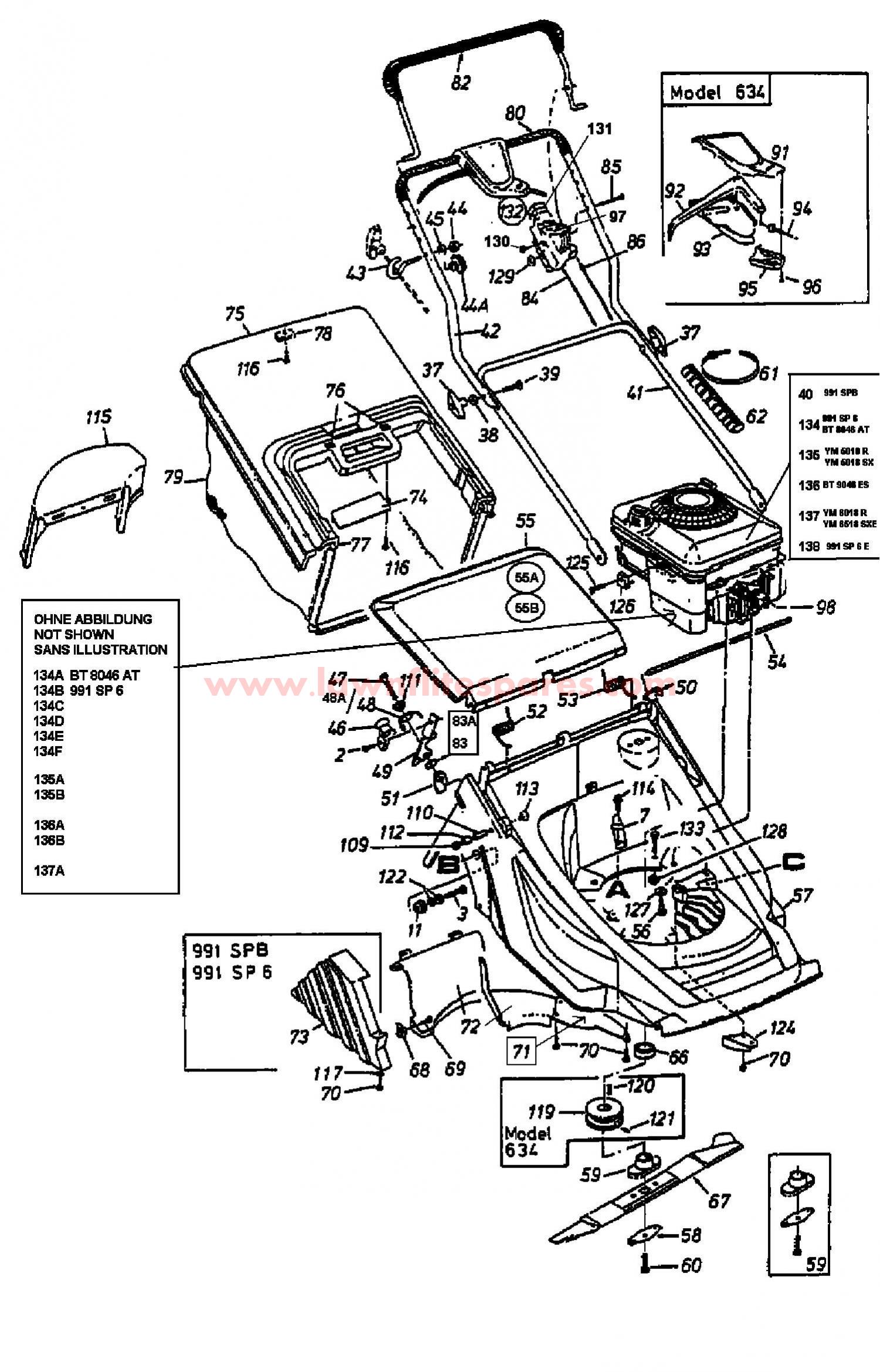
MTD007799

Parts list

Match the number with the image on the left and click "Add" button to add the item to your basket

Please note, that the prices are for individual items

Items might appear more than once on the drawing, please check and adjust the quantity you require.

RefNoDescriptionPrice
002710-0599HEX TT SCREW 1/4-20£4.95 Add to
003710-0623SCR:TT:3/8-16:.750 HXINDWSH£6.30 Add to
007736-0270BELL WASHER£3.91 Add to
011750-0812NO LONGER AVAILABLEN/A POA
037720-0368WING NUT£5.19 Add to
038736-0689L-WASHER£3.26 Add to
039710-1375SCREW£3.69 Add to
040752B2269E1ENG:B&S 4.0HP QUATRON/A POA
041749-0817637NO LONGER AVAILABLEN/A POA
042749-0816NO LONGER AVAILABLEN/A POA
043710-1205ROPE GUIDE£3.26 Add to
044712-0324HEX. INS L NUT£3.69 Add to
045736-0119LOCK WASHER 5/16£3.33 Add to
046719-0279GUIDE STARTER ROPE£9.50 Add to
047710-0874HHCS:5/16-18:1.25:GR5:SPEC£3.20 Add to
048732-0646SPRING-HDLE LATCH RH£8.32 Add to
04917748A637NO LONGER AVAILABLEN/A POA
05017749637LOCK-HANDLE-LH 17749£20.99 Add to
051726-0211U NUT£3.96 Add to
052732-0654SPRING RH£7.75 Add to
053732-0653NO LONGER AVAILABLEN/A POA
054747-0773NO LONGER AVAILABLEN/A POA
055731-1105DOOR-CHUTE EURO£62.38 Add to
056710-1008NO LONGER AVAILABLEN/A POA
057731-1103*NO LONGER AVAILABLEN/A POA
058736-0524BSPR BLADE BELL£8.61 Add to
059811-00248BLADE LOCK ADAPTER-KIT£40.38 Add to
060710-1044HEX BLOT 3/8-24 X 1.5 INCHS LONG£4.74 Add to
061726-0240TIE:CBL:3/16:7.0 LG£4.13 Add to
062731-0759CDT:CNVLT:.625 I.D.£3.82 Add to
066750-0968NO LONGER AVAILABLEN/A POA
067742-063818 INCH BLADE£26.40 Add to
068712-0400U NUT£5.75 Add to
069710-1388SCREW£3.23 Add to
070710-1220SCREW£2.81 Add to
07117740637SPIRAL BAFFLE£53.34 Add to
072731-1109PANEL HANDLE£29.01 Add to
073731-1110NO LONGER AVAILABLEN/A POA
074731-1113DRAWBAR£8.32 Add to
075731-1107COVER-HARDTOP EURO£78.26 Add to
076720-0272CATCH-MAGNETIC£13.24 Add to
077747-0538637chassis 747-0538£34.74 Add to
07817801-ZNO LONGER AVAILABLEN/A POA
079764-0273BAG GRASS£115.29 Add to
080720-0387SHRINKABLE TUBE PHTALAT FREE£12.60 Add to
082647-0004LVR:CONT:DELUXE£47.81 Add to
083736-0242BELL WASHER£3.72 Add to
084746-1009THROTTLE CONTROL WIRE£14.70 Add to
085710-0605SCR:MACH:1/4-20:1.825:OVALCSK£3.44 Add to
086746-1007NO LONGER AVAILABLEN/A POA
091731-1057NO LONGER AVAILABLEN/A POA
092731-0620ALEVER£13.21 Add to
093731-1058NO LONGER AVAILABLEN/A POA
094746-10066SPD ADJUSTING CABLE£23.87 Add to
095731-1059CABLE MOUNTING CAP£8.97 Add to
096710-0841SCREW£4.89 Add to
097746-0876LEVER-THROTTLE£12.97 Add to
098735-0639NO LONGER AVAILABLEN/A POA
109710-1131SCREW£5.70 Add to
110750-0816NO LONGER AVAILABLEN/A POA
110A750-0817spacer£9.01 Add to
111738-0839bush oilite£6.01 Add to
112750-0503SPACER£3.33 Add to
113712-0399NUT-PROPEL£6.73 Add to
114710-0642SCREW-HEX HD TAP 4-20 x 7.5£3.68 Add to
115731-1112NO LONGER AVAILABLEN/A POA
116710-1220SCREW£2.81 Add to
117736-3034NO LONGER AVAILABLEN/A POA
119756-0554A2.62 DIA PULLEY£70.01 Add to
120714-3009SQUARE KEY£3.33 Add to
121710-0497THREADED PIN£3.70 Add to
122736-0169L. WASHER£2.89 Add to
12417513637BRACKET-BELT KEEPER 17513£11.55 Add to
125710-1237SCREW SELF TAP£3.00 Add to
126731-2219Clamp 079.11.346£12.02 Add to
127736-0105BELL WASHER£3.33 Add to
128712-3027LOCK NUT£2.79 Add to
129736-0501SPRING WASHER (RED)£4.00 Add to
130712-0324HEX. INS L NUT£3.69 Add to
131746-0875THROTTLE BOX BODY£17.98 Add to
132811-0185CONTROL-THROTTLE£29.81 Add to
133710-0578NO LONGER AVAILABLEN/A POA
134752B1752E1ENG:QUANTUM 5.0HPN/A POA
134A751B281451SHRD-ENG-XTL-OYSTERGRAY£130.65 Add to
134B731-1396AENGINE HOOD£62.98 Add to
134C751B224511GUARD-FLYWHEEL£8.17 Add to
134D710-0599HEX TT SCREW 1/4-20£4.95 Add to
134E751B224437EXHAUST PROTECTION£39.98 Add to
134F710-1268SCREW HEX WASHER HD TAPP£3.26 Add to
135752B1774E1ENG:QUANTUM 5.5HPN/A POA
135A751B224511GUARD-FLYWHEEL£8.17 Add to
135B710-0599HEX TT SCREW 1/4-20£4.95 Add to
136752B1756E1ENG:QUAN 5.5HPN/A POA
136A751B281451SHRD-ENG-XTL-OYSTERGRAY£130.65 Add to
136B751B224437EXHAUST PROTECTION£39.98 Add to
137752B1775E1ENG:QUAN 6.0HP I/CN/A POA
137A751B493017CAP FUEL TANKN/A POA
138752B065601ENG:QUANTUM 5.0HP (ELEC)N/A POA
40A751B281476SHROUD:ENG:QUATRO£28.34 Add to
44A720-0279WING NUT£2.99 Add to
48A732-0647SPRING-HDLE LATCH LH£7.82 Add to
55A731-1548NO LONGER AVAILABLEN/A POA
55B731-1842CHUTE DOOR£85.54 Add to
57A731-1547*NO LONGER AVAILABLEN/A POA
57B111.11.114NO LONGER AVAILABLEN/A POA
73A731-1111NO LONGER AVAILABLEN/A POA
75A731-1549COVER-HARDTOP 18"RD£80.18 Add to
75B731-1843HARDTOP COVER£98.90 Add to
79A764-0467NO LONGER AVAILABLEN/A POA
83A736-0700FLAT WASHER£2.63 Add to