MTD007331

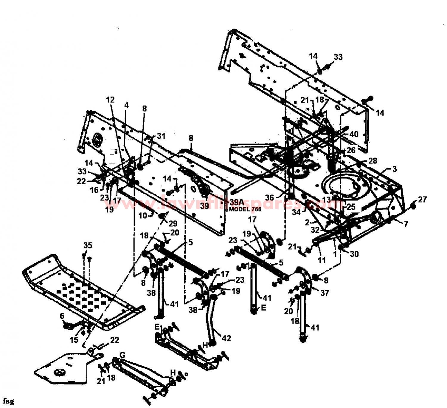
Parts list

Match the number with the image on the left and click "Add" button to add the item to your basket

Please note, that the prices are for individual items

Items might appear more than once on the drawing, please check and adjust the quantity you require.

RefNoDescriptionPrice
001783-0377637NO LONGER AVAILABLEN/A POA
002783-0376637NO LONGER AVAILABLEN/A POA
003783-0375637BRACKET STABILIZER SUPPORT LH 783-0375£44.50 Add to
004783-0197LINK-ENGAGEMENT ARM£15.06 Add to
005783-0103637SIDE BAR 783-0103£12.34 Add to
006761-0168DBRACKET ASSY-BRAKE 761-0168B£32.66 Add to
007750-0972SPCR:.515 ID X.69 OD X 2.97 LG£11.22 Add to
008748-0331SHLD SPACER£4.23 Add to
009747-0916ANO LONGER AVAILABLEN/A POA
010747-0610LIFT ROD£29.13 Add to
011738-0669SHFT:.375 DIA X 9.40 LG£25.91 Add to
012736-0418AFLAT WASHER .34 ID X 2.25 OD X£5.81 Add to
013736-0169L. WASHER£2.89 Add to
014736-0425BELLWASHER£3.31 Add to
015736-0329L. WASHER£3.26 Add to
016736-0267WASH:FLAT:.385 x.87 x.06:HT£3.80 Add to
017736-0231WASHER FLAT£3.58 Add to
018736-0160WASH:FLAT:.530x.930x.050£3.39 Add to
019736-0119LOCK WASHER 5/16£3.33 Add to
020716-0104RETAINING RING 1650-001£3.58 Add to
021714-0145R CLIP£2.78 Add to
022714-0111COTTER PIN£3.20 Add to
023712-3010NUT 5/16 x 18£2.77 Add to
024712-3006NUT£2.77 Add to
025712-0241HEX NUT 3/8-24£2.79 Add to
026712-3066NUT:HEX:1/2-20 GR5£3.31 Add to
027712-0346NO LONGER AVAILABLEN/A POA
028711-0841LINK:ADJ:LIFT .500-20£21.09 Add to
029711-0677FERRULE:5/16-18 x.312 DIA£13.47 Add to
030710-1319HHCS:1/2-20:11.00:GR5:SPEC£17.76 Add to
031710-0376SCREW HEX CAP 5/16£9.02 Add to
032710-0180HHCS:3/8-24:.750:GR5:STD£3.90 Add to
033710-1238SCREW£3.20 Add to
034710-0607SELF TAP SCREW£4.71 Add to
035710-0134BOLT£3.03 Add to
036683-0079LEVER ASSY.-ENGAGE£15.19 Add to
037683-0029A637LINK-PIVOT ASSY LH 683-0029A£14.96 Add to
038683-0028ALINK PIVOT ASSY-RH£27.24 Add to
039783-04113BRACKET-INDEX DECK LIFT 17730£23.36 Add to
04017712-0637DECK:LIFT LINK ADJ 17712£12.17 Add to
04114804A637DECK LINK HANGER£16.94 Add to
04214800A637LINK DECK HANGER ASSY£25.89 Add to
39A783-0118PIN-EQUIP SUPPORT£22.08 Add to