0115 920 0099
World Of Mowers
M T D
My account
Basket
Spares
Gutbrod
Mastercut
MOWMASTER
MTD
MTD-Engines
Contact Us
Home
MTD Spares
LAWN TRACTORS - 13-304, 13-304P, 13-604 AND 13-605
LAWN TRACTORS - 13-304, 13-304P, 13-604 AND 13-605
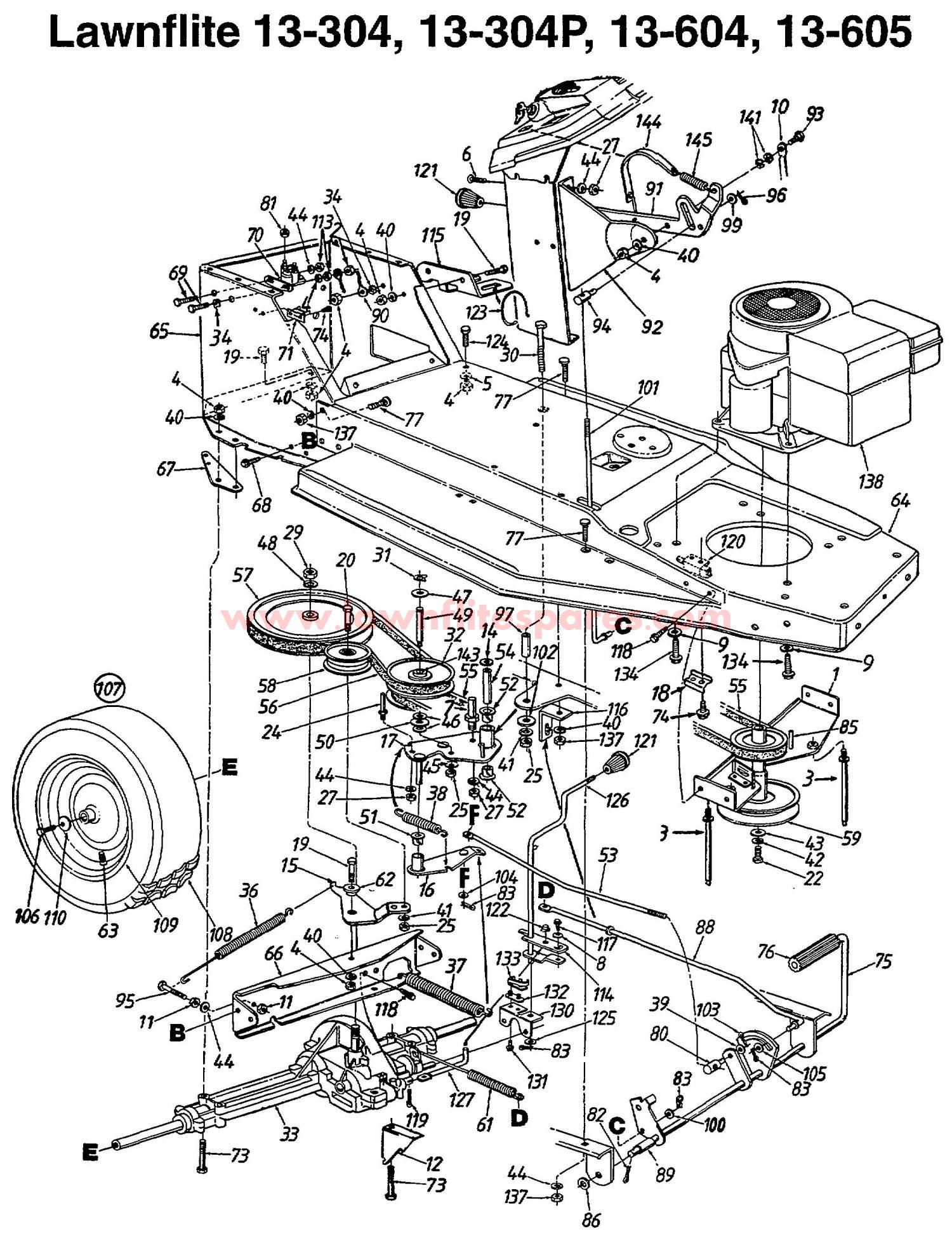
Parts list
Match the number with the image on the left and click "Add" button to add the item to your basket
Please note, that the prices are for individual items
Items might appear more than once on the drawing, please check and adjust the quantity you require.
Ref
No
Description
Price
749-0836A
NO LONGER AVAILABLE
N/A
POA
783-0993-Z
BRKT:SEL:7 SPEED 783-0993
£25.64
Add to
001
783-0265A637
NO LONGER AVAILABLE
N/A
POA
002
712-0291
LOCK-NUT
£2.77
Add to
003
711-1239
PIN
£5.00
Add to
004
712-3010
NUT 5/16 x 18
£2.77
Add to
005
736-0242
BELL WASHER
£3.72
Add to
006
710-0286
SCREW
£3.31
Add to
007
711-1000
BELT KEEPER
£9.71
Add to
008
736-0270
BELL WASHER
£3.91
Add to
009
736-3072
WASH:FLAT:.38 x.93 x.110:HT
£8.27
Add to
010
749-0820
BRACE-SPEED SELECTOR
£12.90
Add to
011
712-0138
NUT
£3.03
Add to
012
783-1325637
HALTEWINKEL R CKZUGFEDER DECK
£14.28
Add to
014
736-0235
WASHER:FLAT:.406 x 1.260x .170
£8.35
Add to
015
17694A
NO LONGER AVAILABLE
N/A
POA
016
16554A-Z
BRKT:VAR.SPD.TORQ ASSY-PAI 16554A
£26.52
Add to
017
16676A
BRACKET ASSY-VAR SP
£29.89
Add to
018
17962
PLT:SW
£4.66
Add to
019
710-3008
HEX BOLT
£3.03
Add to
020
710-0151
HHCS:3/8-24:2.00:GR5:SPEC
£4.84
Add to
022
710-0757
HEX SCREW
£7.96
Add to
024
711-1000
BELT KEEPER
£9.71
Add to
025
712-0241
HEX NUT 3/8-24
£2.79
Add to
027
712-0287
NUT HEX
£3.31
Add to
029
712-3035
NUT:JAM:9/16-18:GRADE 5
£3.59
Add to
030
710-0902
SCREW HHCS:3/8-24:3.75:GR5:STD
£15.40
Add to
031
716-0114
RING:RET:.56 DIA SHAFT
£3.58
Add to
032
717-0800A
PUL:DR:VARI SPD 5.06 DIA
£236.50
Add to
033
618-0166D
TRANSAXLE
£577.74
Add to
034
736-0607
WASH:LOCK:5/16 EXT TOOTH
£3.31
Add to
036
732-0384
EXT SPRING
£15.79
Add to
037
732-0459
SPRING 6.7
£15.10
Add to
038
732-0568
SPRING EXTENSION
£5.45
Add to
039
736-0117
WASH:FLAT:.385 x.620 x.033
£3.31
Add to
040
736-0119
LOCK WASHER 5/16
£3.33
Add to
041
736-0169
L. WASHER
£2.89
Add to
042
736-0171
WASHER
£2.93
Add to
043
736-0322
FI-WASH
£8.68
Add to
044
736-0329
L. WASHER
£3.26
Add to
045
736-0331
BELL WASHER
£3.95
Add to
046
736-0355
WASHER
£3.19
Add to
047
736-0414
WASHER
£5.00
Add to
048
736-0427
BELL:WASH:.567 x 1.125 x .06
£3.31
Add to
049
738-0569
SHAFT V. PULLEY
£39.36
Add to
050
741-0405
NO LONGER AVAILABLE
N/A
POA
051
741-0419
FLANGE BEARING (OBSOLETE)
N/A
052
741-0495
FLANGED BRG.
£8.22
Add to
053
747-0599B
NO LONGER AVAILABLE
N/A
POA
054
750-0703
SPACER .375 ID X .625 OD X 1.5
£11.36
Add to
055
754-0280A
BELT
£70.95
Add to
056
754-0281
BELT TRANS 620
£53.72
Add to
057
656-0003
Pulley
£60.48
Add to
058
756-0643A
PUL IDLER FLAT 3.12
£27.94
Add to
059
756-0551
ENGINE PULLEY
£76.80
Add to
061
732-0413
EXT SPRING
£12.22
Add to
062
748-0234
SHOULDER SPACER
£5.43
Add to
063
734-0255
VALVE - TUBELESS AIR
£7.02
Add to
064
17588A
FRAME: LOWER
£202.93
Add to
065
783-04796637
NO LONGER AVAILABLE
N/A
POA
066
16654
BRACKET-TRANSAXLE SUPPORT
N/A
POA
067
16659637
PLATE-REINFORCEMENT
£12.14
Add to
068
710-0726
HEX SCREW AB 5/16-12:0.750
£3.19
Add to
069
710-0751
BOLT 069
£3.39
Add to
070
725-1426A
SOLENOID
£24.30
Add to
071
753-0685
KIT CIRCUIT BREAKER (OBSOLETE) (OBSOLETE)
N/A
072
736-0222
NO LONGER AVAILABLE
N/A
POA
073
710-0176
HHCS:5/16-18:2.75:GR5:STD
£6.11
Add to
074
710-1388
SCREW
£3.23
Add to
075
17644A637
ROD ASM:BRK/CL 17644A
£76.77
Add to
076
735-0239A
FOOT PAD
£8.75
Add to
077
710-1012
BOLT:RIBBED:HD 5/16-24 x.87"LG
£3.39
Add to
080
711-0198
PIVOT BUSHING
£12.12
Add to
081
712-0271
NUT:SEMS:1/4-20
£3.03
Add to
082
714-0470
COTTER PIN
£5.07
Add to
083
714-0507
COTTER PIN 3/32 DIA
£3.13
Add to
085
714-0114
SQUARE KEY
£5.26
Add to
086
736-0256
WASHER:FL:.635 IDX.930 ODX.03
£3.20
Add to
088
747-0593
ROD:BRAKE
£24.20
Add to
089
750-0800
SPACER
£3.90
Add to
090
725-0976A
NO LONGER AVAILABLE
N/A
POA
091
17457B
NO LONGER AVAILABLE
N/A
POA
092
16693B
NO LONGER AVAILABLE
N/A
POA
093
738-0138A
SCR HEX CAP
£9.42
Add to
094
711-0677
FERRULE:5/16-18 x.312 DIA
£13.47
Add to
095
710-0428
NO LONGER AVAILABLE
N/A
POA
096
714-0104
PIN INTERNAL COTTER
£2.78
Add to
097
750-0703
SPACER .375 ID X .625 OD X 1.5
£11.36
Add to
099
736-0264
WASH:FLAT:.330 x.630x.0635
£3.59
Add to
100
736-0463
WASH:FLAT: .250 x .630 x .052
£3.31
Add to
101
747-0675A
NO LONGER AVAILABLE
N/A
POA
102
736-0133
WASH:FLAT:.411 X 1.25 X .100
£3.87
Add to
103
714-0115
COTTER PIN
£3.42
Add to
104
736-0275
WASH:FLAT:.344 x .688 x.065
£3.07
Add to
105
736-0278
WASH:FLAT:.330x.687x.030:HT
£3.20
Add to
106
710-0627
HEX SCREW
£3.32
Add to
107
734-0592-G
WHL:COMP:18 x 6.5 7
£184.03
Add to
108
734-0294
TIRE:18 X 6.5 X 8 SQ SH
£125.82
Add to
109
634-04174662
RIM ASM-8.0X5.38 w/VALVE
£78.95
Add to
110
736-0242
BELL WASHER
£3.72
Add to
113
712-0298
NUT:JAM:1/4-20:GR2
£3.80
Add to
114
17178A
NO LONGER AVAILABLE
N/A
POA
115
783-1016B
BRKT:ROD:SPEED CONTROL
£8.99
Add to
116
17597637
NO LONGER AVAILABLE
N/A
POA
117
710-0289
HHCS:1/4-20:.50:GR2:STD
£20.02
Add to
118
710-0599
HEX TT SCREW 1/4-20
£4.95
Add to
119
714-0149B
COTTER PIN
£3.58
Add to
120
725-1657A
SAFETY SWITCH
£14.15
Add to
121
720-0232
KNOB:SHFT:1.60 OD X 1.56
£6.72
Add to
122
726-0231
CUP-RETAINER
£3.59
Add to
123
732-0525
COMP SPRING CLIP
£3.13
Add to
124
710-0650
SCREW
£3.58
Add to
125
736-0226
WASHER:FLAT:.474 x.879 x.064
£3.39
Add to
126
747-0694AP3Z
NO LONGER AVAILABLE
N/A
POA
127
747-0685
CLUTCH LINK (OBSOLETE) (OBSOLETE)
N/A
130
17179
NO LONGER AVAILABLE
N/A
POA
131
710-0227
SCR:AB:#8-18:0.500:HXINDWH
£3.07
Add to
132
726-0222
PLATE-INSULATOR NUT
£3.05
Add to
133
753-0580
NO LONGER AVAILABLE
N/A
POA
134
710-0502A
SCR:TTSEMS:3/8-16:1.250:HXLWSH
£7.56
Add to
135
710-0672
HHCS:5/16-24:1.25:GR5:STD
£3.51
Add to
137
712-3057
NUT 5/16-24
£3.00
Add to
141
736-0141
WASH:SPR:.440 x.750 x.015
£3.39
Add to
143
741-0404
BRG:NDL:.5625 IDx.7500x.5550
£34.91
Add to
144
683-0239
NO LONGER AVAILABLE
N/A
POA
145
732-0691
EXT SPRING 2.04 INCH LONG
£5.54
Add to
Customer reviews
First class service welcome a well run mower parts department
Vernon Simmons
22/05/2026
Gaskets and fuel filter for my Mountfield mower ordered Sunday, arrived Tuesday. Great service.
Trevor Thornton
22/05/2026
Very happy with the service provided. I rang in order to check that I was ordering the correct part before placing my order online and the person that I was spoke to was extremely helpful and knowledgeable. Delivery was very quick. I'd be happy to use this company again if the need should arise.
Rod Nickerson
22/05/2026
All good. Parts as described and perfect fit and working well. Thank you.
Alan Prangnell
22/05/2026
View all
All our prices include VAT
By using this site you agree to our
Terms and Conditions
and our
Cookie Policy
.
Please
Accept
these before using the site.