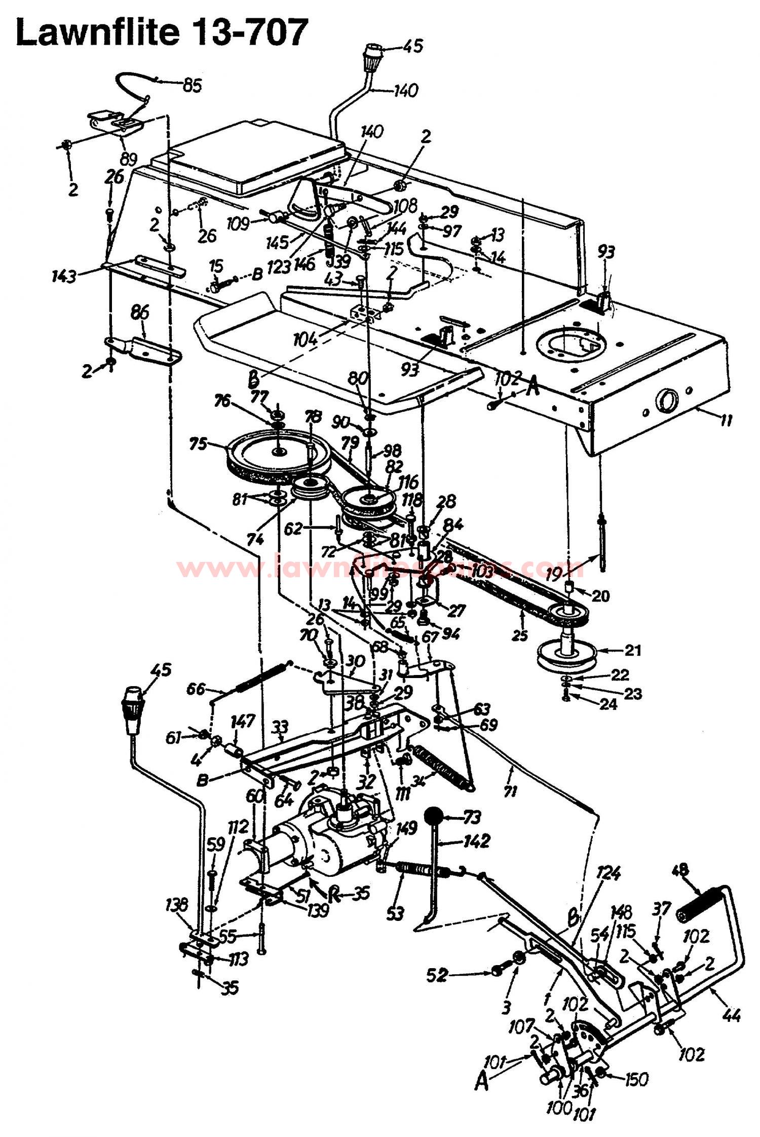
LAWN TRACTOR - 13-707

Parts list

Match the number with the image on the left and click "Add" button to add the item to your basket

Please note, that the prices are for individual items

Items might appear more than once on the drawing, please check and adjust the quantity you require.

RefNoDescriptionPrice
17669ABRKT:AXLE:LH 17669 (OBSOLETE) (OBSOLETE)N/A
001683-0132PARKING BRAKE LOCKOUT BRKT. ASSY.£18.27 Add to
002712-04063FLANGED NUT£4.20 Add to
003736-0406WASH:F:.442 IDX 1.38 ODX.060HT£3.39 Add to
004712-0298NUT:JAM:1/4-20:GR2£3.80 Add to
011683-0065LOWER FRAME ASS'Y.£134.05 Add to
013712-0287NUT HEX£3.31 Add to
014736-0329L. WASHER£3.26 Add to
015710-0604ASCREW£3.62 Add to
019711-1239PIN£5.00 Add to
020750-0957SPACER£31.59 Add to
021756-0982BPUL:ENG:3.56 X 5.56 DIA TRANS£111.71 Add to
022738-0785SPCR:SHLDR:1.38x.445x.36£17.18 Add to
023736-0171WASHER£2.93 Add to
024710-0757HEX SCREW£7.96 Add to
025754-0280ABELT£70.95 Add to
026710-3008HEX BOLT£3.03 Add to
02717963BRACKET-BRG SHAFT£7.19 Add to
028741-0591FLANGE BEARING£3.44 Add to
029712-0241HEX NUT 3/8-24£2.79 Add to
03017834IDLER BRACKET£24.60 Add to
031736-0169L. WASHER£2.89 Add to
032783-0232U-BRACKET£4.77 Add to
033783-0233TRANSAXLE SUPPORT BRKT.£31.34 Add to
034732-0556SPRING EXTENSION 94 X 7.57 LG£21.82 Add to
035714-0149BCOTTER PIN£3.58 Add to
036750-0802SPCR:.640 ID X .76 OD X2.63 LG£3.20 Add to
037714-0470COTTER PIN£5.07 Add to
038710-0603SCR:B:5/16-12:0.500:HXINDWSH£11.34 Add to
039736-0108WASH-FLAT:.510 x.750 x.033£3.59 Add to
043710-0599HEX TT SCREW 1/4-20£4.95 Add to
044683-0123PED ASM: CLU BRAKE£52.52 Add to
045720-0218KNOB£26.70 Add to
048735-0239AFOOT PAD£8.75 Add to
051747-0774NO LONGER AVAILABLEN/A POA
052738-3024NO LONGER AVAILABLEN/A POA
053732-0656EXT. SPRING 3.6"£33.54 Add to
054711-0832FERRULE:3/8-24x.375 DIA:HT TRT£13.94 Add to
055710-3056HHCS:5/16-18:3.25:GR5:STD£9.51 Add to
059710-0195HEX BOLT£2.93 Add to
060618-0034TRANSAXLE COMPLETE£1,443.61 Add to
061712-0291LOCK-NUT£2.77 Add to
062711-1000BELT KEEPER£9.71 Add to
063736-0275WASH:FLAT:.344 x .688 x.065£3.07 Add to
064710-1026SCREW£3.91 Add to
065732-0568SPRING EXTENSION£5.45 Add to
066732-0428ASPRINGN/A POA
06716554A-ZBRKT:VAR.SPD.TORQ ASSY-PAI 16554A£26.52 Add to
068741-0419FLANGE BEARING (OBSOLETE)N/A
069714-0507COTTER PIN 3/32 DIA£3.13 Add to
070748-0234SHOULDER SPACER£5.43 Add to
071747-0530ALINK-SPEED CONTROL£22.29 Add to
072741-0405NO LONGER AVAILABLEN/A POA
073720-0166KNOB:BALL:1.06 DIA£6.30 Add to
074756-0643APUL IDLER FLAT 3.12£27.94 Add to
075756-0950PUL:V-TYP:8.0 x 5/8-36£54.46 Add to
076736-0921WASHER:LOCK:1/2:REGULAR DUTY£2.98 Add to
077712-0922NO LONGER AVAILABLEN/A POA
078710-0539HHCS:3/8-24:1.75:GR5:STD£4.46 Add to
079754-0370VARIABLE SPEED BELT£47.70 Add to
080716-0114RING:RET:.56 DIA SHAFT£3.58 Add to
081736-0355WASHER£3.19 Add to
082717-0800APUL:DR:VARI SPD 5.06 DIA£236.50 Add to
08416354BNO LONGER AVAILABLEN/A POA
085732-0525COMP SPRING CLIP£3.13 Add to
08617668ABRKT:AXLE:RH 17668£48.47 Add to
089783-1016BBRKT:ROD:SPEED CONTROL£8.99 Add to
090736-0414WASHER£5.00 Add to
093725-1657ASAFETY SWITCH£14.15 Add to
094738-0755NO LONGER AVAILABLEN/A POA
097736-0105BELL WASHER£3.33 Add to
098738-0837NO LONGER AVAILABLEN/A POA
099736-0331BELL WASHER£3.95 Add to
100736-0256WASHER:FL:.635 IDX.930 ODX.03£3.20 Add to
101714-0111COTTER PIN£3.20 Add to
102710-0650SCREW£3.58 Add to
103710-0467SCREW-TRUSS MACH£3.31 Add to
10417755ABRACKET£13.95 Add to
10714624DPEDAL BRACKETN/A POA
108714-0507COTTER PIN 3/32 DIA£3.13 Add to
109711-0198PIVOT BUSHING£12.12 Add to
111710-0909ANO LONGER AVAILABLEN/A POA
112736-0270BELL WASHER£3.91 Add to
11317832SHIFT LEVER LINK ASS'Y.£14.51 Add to
115736-0140WASH:FLAT:.385 x.62 x.063£3.59 Add to
116741-0404BRG:NDL:.5625 IDx.7500x.5550£34.91 Add to
118710-1223NO LONGER AVAILABLEN/A POA
123738-0155BOLT:SHLDR:.435 x.160:5/16-18£7.50 Add to
12417794BRAKE ROD ASS'Y.£487.82 Add to
138747-0768SHIFT LEVER ASS'Y.£94.62 Add to
13917767SHIFT LEVER SUPPORT BRKT.£6.35 Add to
14017768SPEED SELECTOR LEVER ASS'Y.£390.75 Add to
142747-0608AROD:BRAKE:LOCKOUT£19.08 Add to
14317840TRANSAXLE BRACKET REINFORCE£14.44 Add to
144714-0474PIN (RED)£3.20 Add to
145747-0771NO LONGER AVAILABLEN/A POA
146732-0429ASPRING EXTENSION£8.73 Add to
147750-0470SPACER:.47 OD x.96 LG£7.41 Add to
148736-0167FL-WASH. 5/8" I.D. X 1.25"£16.07 Add to
149717-0772BLEVER, PARK BRAKE ENGAGEMENT£13.38 Add to
150736-0140WASH:FLAT:.385 x.62 x.063£3.59 Add to