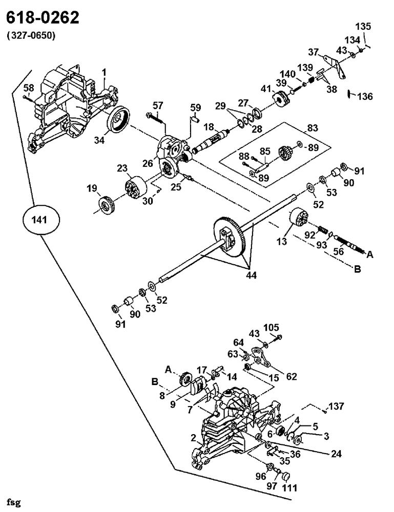
Hydrostatic gearbox

Parts list

Match the number with the image on the left and click "Add" button to add the item to your basket

Please note, that the prices are for individual items

Items might appear more than once on the drawing, please check and adjust the quantity you require.

RefNoDescriptionPrice
001HG-50074RMNO LONGER AVAILABLEN/A POA
002HG-70281NO LONGER AVAILABLEN/A POA
00390080000128Gasket£33.00 Add to
004HG-2003016RING-WIRE RETAINING£8.65 Add to
005HG-2003052RING-RETAINING£8.65 Add to
006HG-2003043PBEARING-BALL£81.44 Add to
007HG-2003023BEARING-CRADLE£48.37 Add to
008HG-50551PDRUCKLAGER£68.32 Add to
009HG-2003087SWASHPLATE-VARIABLE£211.60 Add to
013HG-70331BLOCKASSY-CYLINDER£322.57 Add to
014HG-2003005ARM-TRUNNION£292.70 Add to
015HG-9008-0126SEAL£16.41 Add to
017HG-2000015GUIDE-SLOT£29.24 Add to
018HG-50449SHAFT-MOTOR£306.39 Add to
019HG-50552BEARING-THRUST 42X68X16£79.99 Add to
023HG-70082BLOCK-CYLINDER (MOTER) ASSY£447.56 Add to
024HG-45074NO LONGER AVAILABLEN/A POA
025HG-2003555ACTUATOR-BYPASS£56.23 Add to
026HG-70250NO LONGER AVAILABLEN/A POA
027HG-45075SEAL-LIP 26X42X8 (RED)£24.51 Add to
028HG-50007RING-RETAINING£7.28 Add to
029HG-44872WASHER-26X35X1£7.28 Add to
030HG-70680PLATE-BYPASS£31.59 Add to
034HG-50990FILTER-OIL£142.14 Add to
035HG-50126ARM-BYPASS£50.15 Add to
036HG-44870RING-RETAINING£12.68 Add to
037HG-50878ARM-ACTUATING£66.14 Add to
038HG-44891PIN-ACTUATING (RED)£19.28 Add to
039HG-50316BOLT-5/16-18 X1-3/4£14.27 Add to
041HG-70135BRAKE ROTOR/STATOR KIT (RED)£137.30 Add to
043736-0371WASH:THRST:.343 X .880 X .062£3.20 Add to
044HG-70131DIFFERENTIAL£602.90 Add to
052HG-44875WASHER 3/4 X 1.5 X .13£8.58 Add to
053HG-45076PSEAL£16.75 Add to
056HG-50005SHAFT-INPUT£238.38 Add to
057HG-50016BOLT 3/8-24 X 2.5£16.08 Add to
058HG-44876NO LONGER AVAILABLEN/A POA
059HG-50002PIN£18.38 Add to
062HG-45007ARM CONTROL£41.36 Add to
063HG-50034PUCK DAMPENER£16.43 Add to
064HG-50018SET SCREW£12.83 Add to
083HG-70292JACK SHAFT/PINION GEAR ASSY£318.23 Add to
085HG-50559JACK SHAFT£70.54 Add to
088HG-50154CAPSCREW£5.80 Add to
089HG-50132NO LONGER AVAILABLEN/A POA
090HG-50118SLEEVE BEARING (RED)£46.59 Add to
091HG-50941SEAL-GREASE (RED)£22.68 Add to
092HG-2003014SPRING BLOCK£6.44 Add to
093HG-2003017NO LONGER AVAILABLEN/A POA
096HG-50133BUSHING VENT£19.91 Add to
097HG-50134VENT£35.47 Add to
105HG-50282BOLT M5X12 (OBSOLETE)N/A
111HG-50196VENT£44.22 Add to
134712-0335CASTLE NUT HG-44142£7.11 Add to
135714-0507COTTER PIN 3/32 DIA£3.13 Add to
136HG-50384EXTENSION SPRING£6.72 Add to
137HG-50653BOLT SELF TAP£6.44 Add to
139HG-50431NO LONGER AVAILABLEN/A POA
140HG-50269NUT HEX 5/16-24£6.72 Add to
141618-0262NO LONGER AVAILABLEN/A POA