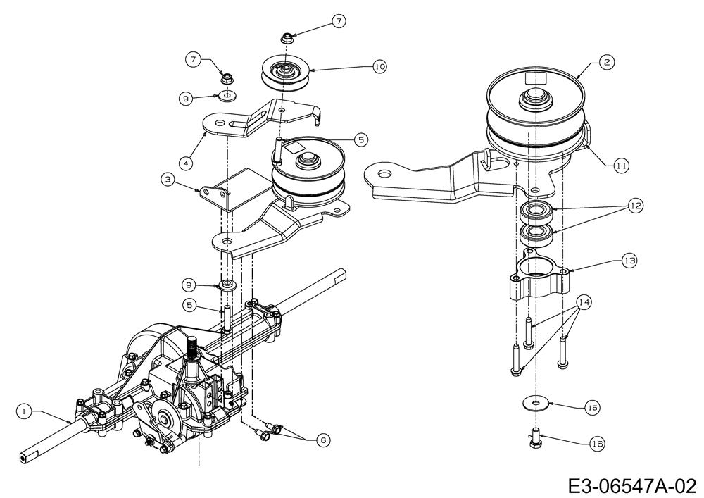
Gearbox, Variator

Parts list

Match the number with the image on the left and click "Add" button to add the item to your basket

Please note, that the prices are for individual items

Items might appear more than once on the drawing, please check and adjust the quantity you require.

RefNoDescriptionPrice
001618-04566TRANS ASM:SNGL SPD£783.54 Add to
002656-05011PULLEY£81.80 Add to
003683-04176ABRKT ASM:TRANS:TORQ LT-5£35.04 Add to
004683-04207BRKT ASM:IDLER£96.77 Add to
005710-0347HEX SCR£3.72 Add to
006710-1260ASCREW£4.00 Add to
007712-04065NUT£4.02 Add to
009738-0347SPACER£4.16 Add to
010756-04325PULLEY£35.65 Add to
02A683-04206BRACKET ASM:VARI:REAR LT-5N/A POA
02B741-0124ABALL BEARING£20.00 Add to
02C718-04261BEARING HOUSING£15.33 Add to
02D710-0778HEX WASHER HEAD SCREW£3.20 Add to
02E736-0362WASH-FLAT:.330 x 1.25 x.06:HD£4.66 Add to
02F710-0627HEX SCREW£3.32 Add to