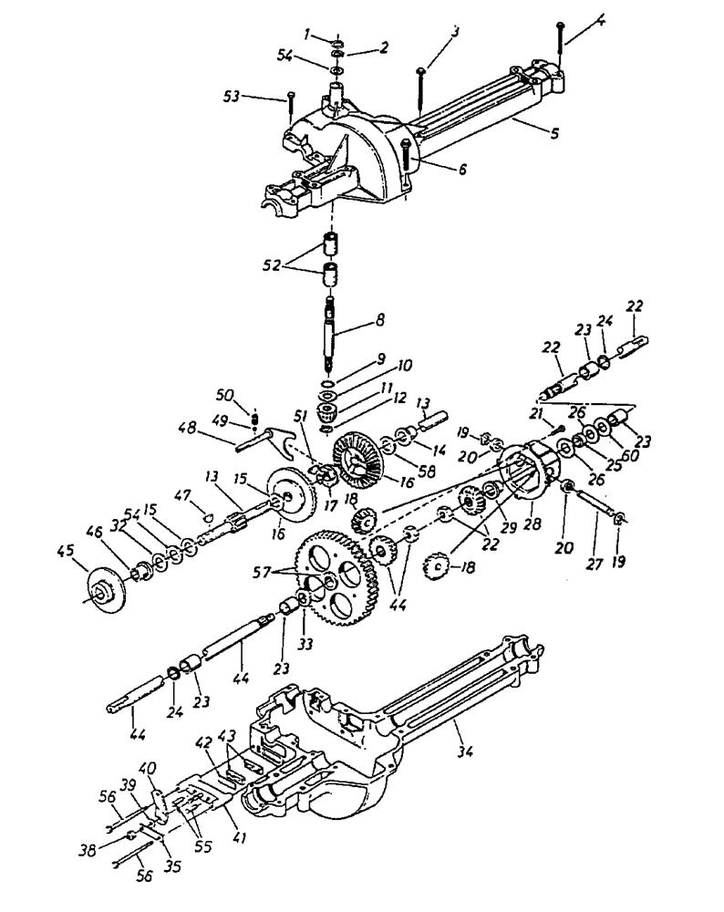
Parts list
Match the number with the image on the left and click "Add" button to add the item to your basket
Please note, that the prices are for individual items
Items might appear more than once on the drawing, please check and adjust the quantity you require.
| Ref | No | Description | Price | |
|---|
| 001 | 732-0614 | CIRCLIP | £3.80 | Add to |
| 002 | 716-0108 | RETAINING:RING:EXT .437 | £3.91 | Add to |
| 003 | 710-1026 | SCREW | £3.91 | Add to |
| 004 | 710-0809 | SCR:TT:1/4-20:1.250:HXINDWSH | £3.42 | Add to |
| 005 | 753-0714 | NO LONGER AVAILABLE | N/A | POA |
| 006 | 710-0642 | SCREW-HEX HD TAP 4-20 x 7.5 | £3.68 | Add to |
| 008 | 711-0861 | NO LONGER AVAILABLE | N/A | POA |
| 009 | 721-0178 | SEALING WASHER 092.15.408 | £5.10 | Add to |
| 010 | 736-0335 | WASH:THRST:.635 X 1.26 X .06 | £8.82 | Add to |
| 011 | 717-0633 | PINION-INPUT-14T | £22.47 | Add to |
| 012 | 716-0171 | RING, RETAINER | £5.24 | Add to |
| 013 | 717-0768 | DRIVE SHAFT | £131.90 | Add to |
| 014 | 741-0336 | BEARING | £8.18 | Add to |
| 015 | 736-0335 | WASH:THRST:.635 X 1.26 X .06 | £8.82 | Add to |
| 016 | 717-0757 | KEGELRAD 42 ZAEHNE 092.15.417 | £90.64 | Add to |
| 017 | 717-0667 | CLUTCH-PTO 092.15.418 (OBSOLETE) (OBSOLETE) (OBSOLETE) | N/A | |
| 018 | 717-1020 | GEAR-MITER | £30.02 | Add to |
| 019 | 716-0184 | RETAINER | £2.98 | Add to |
| 020 | 741-0589 | THRUST BEARING | £4.37 | Add to |
| 021 | 710-0862A | SCREW | £8.62 | Add to |
| 022 | 717-0766 | TRANSMISSION AXLE RH | £127.14 | Add to |
| 023 | 741-05060 | BEARING | £15.60 | Add to |
| 024 | 721-0179 | OIL SEAL 3/4 ID | £8.19 | Add to |
| 025 | 750-0827 | AXLE SPACER | £2.68 | Add to |
| 026 | 736-0445 | WASH:FL:.760 x 1.50 x.06:HT | £3.59 | Add to |
| 027 | 711-0918 | SHAFT-CROSS | £41.74 | Add to |
| 028 | 917-1252 | NO LONGER AVAILABLE | N/A | POA |
| 032 | 736-0773 | WASH:FLAT:16x22x1 DIN 988 | £2.93 | Add to |
| 032 | 736-0495 | THRUST WASHER | £3.07 | Add to |
| 032 | 736-0337 | WASHER:FLAT:.634x1.00x.04:HT | £3.19 | Add to |
| 032 | 736-0494 | WASHER:FL:.632X1.000X.035:HD | £3.07 | Add to |
| 033 | 736-0445 | WASH:FL:.760 x 1.50 x.06:HT | £3.59 | Add to |
| 034 | 753-0714 | NO LONGER AVAILABLE | N/A | POA |
| 035 | 718-0150 | BRACKET-ANTI ROTATION | £3.49 | Add to |
| 038 | 712-0273 | NUT:HEXLK:5/16-24:GR2:NYLON | £3.90 | Add to |
| 039 | 736-0371 | WASH:THRST:.343 X .880 X .062 | £3.20 | Add to |
| 040 | 717-0700 | BRAKE LEVER L.H. | £45.96 | Add to |
| 041 | 761-0198A | BRAKE YOKE | £31.21 | Add to |
| 042 | 717-0682 | PLATE | £14.67 | Add to |
| 043 | 717-0678 | PAD | £12.86 | Add to |
| 044 | 717-0765 | TRANSMISSION SHAFT LH | £205.36 | Add to |
| 045 | 717-0677 | NO LONGER AVAILABLE | N/A | POA |
| 046 | 741-0337 | BEARING | £10.11 | Add to |
| 047 | 714-0161 | KEY:HI-PRO:3/16 x 5/8 | £15.59 | Add to |
| 048 | 717-0754 | SCREW 092.15.422 | £205.70 | Add to |
| 049 | 741-0862 | BALL:DETNT:.250 DIA | £6.05 | Add to |
| 050 | 732-0863 | COMPRESSION SPRING 225X.50" | £3.42 | Add to |
| 051 | 714-0169 | 52928 092.15.443 | £27.07 | Add to |
| 052 | 741-0335 | BEARING-NEEDLE .625X.813X.495 | £16.43 | Add to |
| 053 | 710-0855 | HEX BOLT 1/4-20 X 1.00" LG. | £2.69 | Add to |
| 054 | 736-0349 | WASHER:SHIM:.630x1.000x.020:HD | £3.39 | Add to |
| 055 | 741-0343 | PIN | £10.78 | Add to |
| 056 | 710-1206 | SCREW SELF TAP | £3.69 | Add to |
| 057 | 717-0767 | DIFFERENTIAL GEAR 72T ASS'Y. W/BEARING | £175.83 | Add to |
| 058 | 736-0349 | WASHER:SHIM:.630x1.000x.020:HD | £3.39 | Add to |
| 058 | 736-0495 | THRUST WASHER | £3.07 | Add to |
| 060 | 737-0300A | GREASE (OBSOLETE) | N/A | |
| 060 | 753-0537 | TRANSAXLE (SEE BREAKDOWN) 717-0775V | £625.41 | Add to |
| 060 | 736-0492 | WASH:SHIM:.760x1.500x.010:HD | £3.90 | Add to |
| 060 | 736-0493 | WASHER:SHIM:.760x1.500x.020:HD | £4.11 | Add to |
| 060 | 736-0351 | WASH:SHIM:.760x1.500X.030:HD | £2.97 | Add to |
| 060 | 736-0445 | WASH:FL:.760 x 1.50 x.06:HT | £3.59 | Add to |
First class service welcome a well run mower parts department
Vernon Simmons
22/05/2026
Gaskets and fuel filter for my Mountfield mower ordered Sunday, arrived Tuesday. Great service.
Trevor Thornton
22/05/2026
Very happy with the service provided. I rang in order to check that I was ordering the correct part before placing my order online and the person that I was spoke to was extremely helpful and knowledgeable. Delivery was very quick. I'd be happy to use this company again if the need should arise.
Rod Nickerson
22/05/2026
All good. Parts as described and perfect fit and working well. Thank you.
Alan Prangnell
22/05/2026
All our prices include VAT