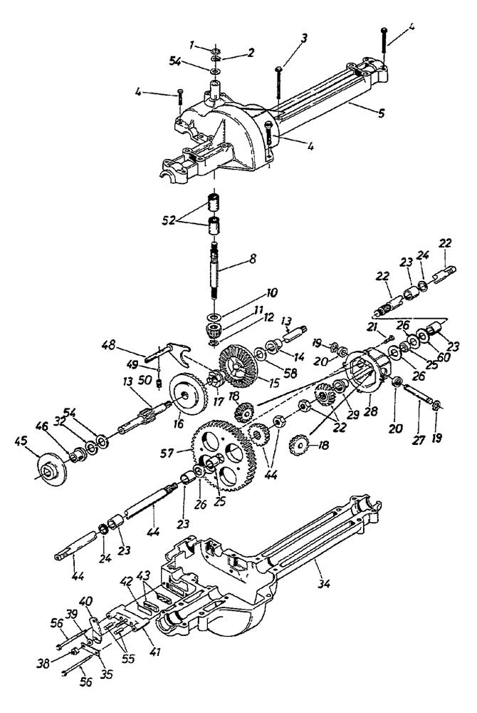
Gearbox

Parts list

Match the number with the image on the left and click "Add" button to add the item to your basket

Please note, that the prices are for individual items

Items might appear more than once on the drawing, please check and adjust the quantity you require.

RefNoDescriptionPrice
001732-0614CIRCLIP£3.80 Add to
002716-0171RING, RETAINER£5.24 Add to
003710-1026SCREW£3.91 Add to
004710-0809SCR:TT:1/4-20:1.250:HXINDWSH£3.42 Add to
005753-0678UPPER HOUSING 719-0314£262.57 Add to
006710-0642SCREW-HEX HD TAP 4-20 x 7.5£3.68 Add to
008711-0861NO LONGER AVAILABLEN/A POA
010736-0335WASH:THRST:.635 X 1.26 X .06£8.82 Add to
011717-0633PINION-INPUT-14T£22.47 Add to
012716-0171RING, RETAINER£5.24 Add to
013753-0596DRIVE SHAFT 711-0942£135.36 Add to
014741-0336BEARING£8.18 Add to
015717-1362PINION 42 T., SM. BORE HOLE£57.65 Add to
016717-1363PINION 42 T., BIG BORE HOLE£58.35 Add to
017718-0228HINGE PIN£27.68 Add to
018717-1020GEAR-MITER£30.02 Add to
019716-0184RETAINER£2.98 Add to
020741-0589THRUST BEARING£4.37 Add to
021710-0862ASCREW£8.62 Add to
022717-0766TRANSMISSION AXLE RH£127.14 Add to
023741-05060BEARING£15.60 Add to
024721-0179OIL SEAL 3/4 ID£8.19 Add to
025750-0767DISTANCE BUSH£5.10 Add to
026736-0445WASH:FL:.760 x 1.50 x.06:HT£3.59 Add to
027711-0918SHAFT-CROSS£41.74 Add to
028917-1252NO LONGER AVAILABLEN/A POA
032736-0495THRUST WASHER£3.07 Add to
034719-0313BLOWER HOUSING HALF£146.80 Add to
035718-0150BRACKET-ANTI ROTATION£3.49 Add to
038712-0273NUT:HEXLK:5/16-24:GR2:NYLON£3.90 Add to
039736-0371WASH:THRST:.343 X .880 X .062£3.20 Add to
040717-0772BLEVER, PARK BRAKE ENGAGEMENT£13.38 Add to
041761-0198ABRAKE YOKE£31.21 Add to
042717-0682PLATE£14.67 Add to
043717-0678PAD£12.86 Add to
044717-0765TRANSMISSION SHAFT LH£205.36 Add to
045761-0202BRAKE DISC£16.56 Add to
046741-0337BEARING£10.11 Add to
048611-0011KP SHIFT FORK£48.90 Add to
049741-0862BALL:DETNT:.250 DIA£6.05 Add to
050732-0863COMPRESSION SPRING 225X.50"£3.42 Add to
052741-0335BEARING-NEEDLE .625X.813X.495£16.43 Add to
054736-0349WASHER:SHIM:.630x1.000x.020:HD£3.39 Add to
055741-0343PIN£10.78 Add to
056710-1206SCREW SELF TAP£3.69 Add to
057717-04292GEAR-DIFFERENTIAL 58 TEETH 717-1364£194.89 Add to
058736-0349WASHER:SHIM:.630x1.000x.020:HD£3.39 Add to
060736-0492WASH:SHIM:.760x1.500x.010:HD£3.90 Add to
061618-0165ATRANSAXLE-SINGLE SPD 618-0076£607.07 Add to
32A736-0773WASH:FLAT:16x22x1 DIN 988£2.93 Add to
32B736-0494WASHER:FL:.632X1.000X.035:HD£3.07 Add to
32C736-0337WASHER:FLAT:.634x1.00x.04:HT£3.19 Add to
58A736-0495THRUST WASHER£3.07 Add to
60A736-0493WASHER:SHIM:.760x1.500x.020:HD£4.11 Add to
60B736-0351WASH:SHIM:.760x1.500X.030:HD£2.97 Add to
60C736-0445WASH:FL:.760 x 1.50 x.06:HT£3.59 Add to
61A737-0300AGREASE (OBSOLETE)N/A