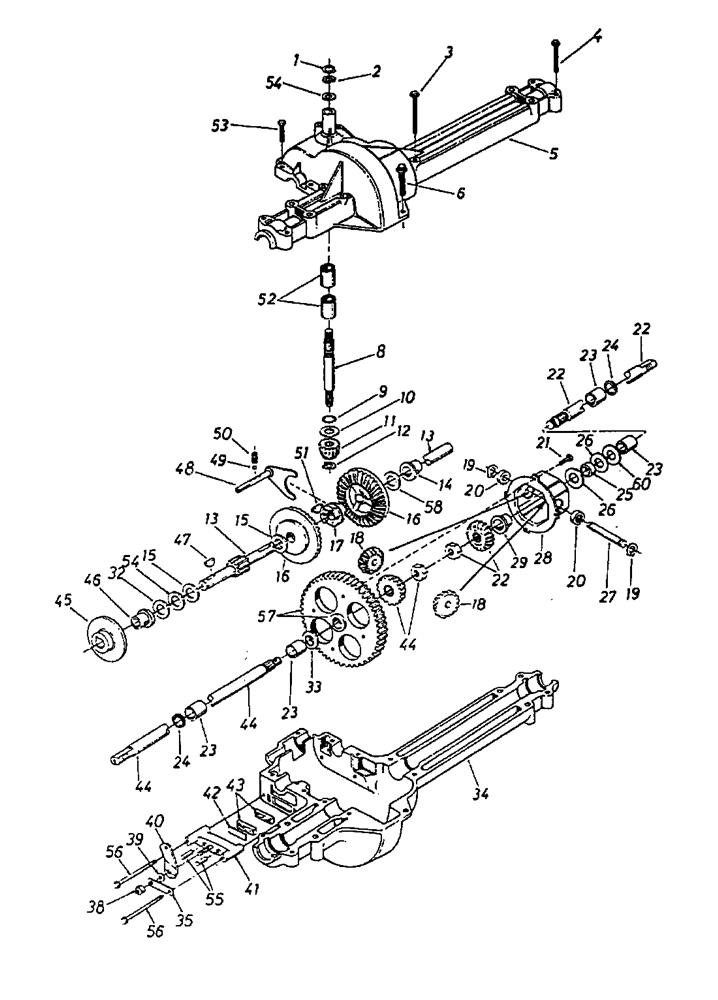
Gearbox

Parts list

Match the number with the image on the left and click "Add" button to add the item to your basket

Please note, that the prices are for individual items

Items might appear more than once on the drawing, please check and adjust the quantity you require.

RefNoDescriptionPrice
001732-0614CIRCLIP£3.80 Add to
002716-0108RETAINING:RING:EXT .437£3.91 Add to
003710-1026SCREW£3.91 Add to
004710-1026SCREW£3.91 Add to
005753-0714NO LONGER AVAILABLEN/A POA
006710-0642SCREW-HEX HD TAP 4-20 x 7.5£3.68 Add to
008711-0861NO LONGER AVAILABLEN/A POA
009721-0178SEALING WASHER 092.15.408£5.10 Add to
010736-0335WASH:THRST:.635 X 1.26 X .06£8.82 Add to
011717-0633PINION-INPUT-14T£22.47 Add to
012716-0171RING, RETAINER£5.24 Add to
013717-0768DRIVE SHAFT£131.90 Add to
014741-0336BEARING£8.18 Add to
015736-0335WASH:THRST:.635 X 1.26 X .06£8.82 Add to
016717-0757KEGELRAD 42 ZAEHNE 092.15.417£90.64 Add to
017717-0687GEAR-MITER£32.32 Add to
018717-1020GEAR-MITER£30.02 Add to
019716-0184RETAINER£2.98 Add to
020741-0589THRUST BEARING£4.37 Add to
021710-0862ASCREW£8.62 Add to
022717-0766TRANSMISSION AXLE RH£127.14 Add to
023741-05060BEARING£15.60 Add to
024721-0179OIL SEAL 3/4 ID£8.19 Add to
025750-0827AXLE SPACER£2.68 Add to
026736-0445WASH:FL:.760 x 1.50 x.06:HT£3.59 Add to
027711-0918SHAFT-CROSS£41.74 Add to
028917-1252NO LONGER AVAILABLEN/A POA
032736-0495THRUST WASHER£3.07 Add to
032736-0337WASHER:FLAT:.634x1.00x.04:HT£3.19 Add to
032736-0494WASHER:FL:.632X1.000X.035:HD£3.07 Add to
032736-0773WASH:FLAT:16x22x1 DIN 988£2.93 Add to
033736-0445WASH:FL:.760 x 1.50 x.06:HT£3.59 Add to
034753-0714NO LONGER AVAILABLEN/A POA
035718-0150BRACKET-ANTI ROTATION£3.49 Add to
038712-0273NUT:HEXLK:5/16-24:GR2:NYLON£3.90 Add to
039736-0371WASH:THRST:.343 X .880 X .062£3.20 Add to
040717-0700BRAKE LEVER L.H.£45.96 Add to
041761-0198ABRAKE YOKE£31.21 Add to
042717-0682PLATE£14.67 Add to
043717-0678PAD£12.86 Add to
044717-0765TRANSMISSION SHAFT LH£205.36 Add to
045717-0677NO LONGER AVAILABLEN/A POA
046741-0337BEARING£10.11 Add to
047714-0161KEY:HI-PRO:3/16 x 5/8£15.59 Add to
048717-0754SCREW 092.15.422£205.70 Add to
049741-0862BALL:DETNT:.250 DIA£6.05 Add to
050732-0863COMPRESSION SPRING 225X.50"£3.42 Add to
051714-016952928 092.15.443£27.07 Add to
052741-0335BEARING-NEEDLE .625X.813X.495£16.43 Add to
053710-0855HEX BOLT 1/4-20 X 1.00" LG.£2.69 Add to
054736-0349WASHER:SHIM:.630x1.000x.020:HD£3.39 Add to
055741-0343PIN£10.78 Add to
056710-1206SCREW SELF TAP£3.69 Add to
057717-0767DIFFERENTIAL GEAR 72T ASS'Y. W/BEARING£175.83 Add to
058736-0349WASHER:SHIM:.630x1.000x.020:HD£3.39 Add to
058736-0495THRUST WASHER£3.07 Add to
060736-0445WASH:FL:.760 x 1.50 x.06:HT£3.59 Add to
060737-0300AGREASE (OBSOLETE)N/A
060753-0537TRANSAXLE (SEE BREAKDOWN) 717-0775V£625.41 Add to
060736-0492WASH:SHIM:.760x1.500x.010:HD£3.90 Add to
060736-0493WASHER:SHIM:.760x1.500x.020:HD£4.11 Add to
060736-0351WASH:SHIM:.760x1.500X.030:HD£2.97 Add to