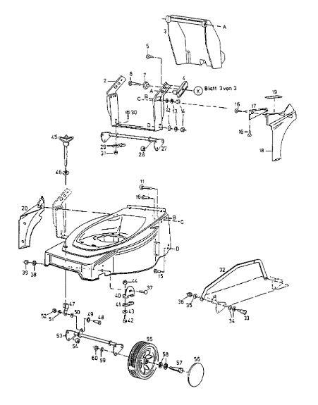
Front wheels, Cutting hight adjustment

Parts list

Match the number with the image on the left and click "Add" button to add the item to your basket

Please note, that the prices are for individual items

Items might appear more than once on the drawing, please check and adjust the quantity you require.

RefNoDescriptionPrice
002782-3075A638NO LONGER AVAILABLEN/A POA
003079.26.539REAR FLAP£60.28 Add to
004731-04587ANO LONGER AVAILABLEN/A POA
005000.02.499SCREW 50x14£3.20 Add to
006710-1719BOLT£4.89 Add to
007748-04036INSULATING WASHER 079.06.307£4.50 Add to
011710-1775BOLT:CRG:M8-1.25x12£4.50 Add to
012736-0700FLAT WASHER£2.63 Add to
013736-0708Lockwasher 24.8190.18£2.72 Add to
014712-0690NUT:HEX:M8-1.25 DIN 934£2.72 Add to
015710-1714Screw 21.1441.67£2.93 Add to
016000.02.583SCREW£3.80 Add to
017079.27.180COVER£4.11 Add to
018079.27.175HOOD LEFT£8.85 Add to
019731-2410GLASS 079.27.185£7.13 Add to
020079.26.550HOOD R.H£18.92 Add to
027079.30.720REAR AXEL£86.70 Add to
028079.30.095CLAMPING RING£7.09 Add to
029731-2082REAR AXLE BRACKET 079.30.261£8.32 Add to
03023.5421.91Screw£3.34 Add to
031712-0675NUT:HEX:M5 x.80:DIN 985£4.25 Add to
032079.30.721CONNECTING ROD£24.95 Add to
03323.5427.47Screw£6.63 Add to
03424.6273.16ADJUSTING WASHER£4.00 Add to
035736-0697Washer 24.6486.13£2.79 Add to
036712-0636NUT: HEX: M4: DIN 985£4.25 Add to
037710-1780Screw 22.3419.24£2.98 Add to
038736-0757LOCK WASHER 000.02.581£3.49 Add to
039712-0690NUT:HEX:M8-1.25 DIN 934£2.72 Add to
03A731-1813A637REAR FLAP 079.26.540£44.39 Add to
040731-2079FRONT AXLE BEARING FORM B£8.01 Add to
041731-2081FRONT AXLE BRACKET£7.30 Add to
04221.5441.16Screw£4.36 Add to
043736-0602WASHER A 5,3 DIN 125£2.70 Add to
044712-0675NUT:HEX:M5 x.80:DIN 985£4.25 Add to
045079.31.933HANDLE£46.73 Add to
046000.20.656WASHER£2.79 Add to
047079.30.678ADJUSTING LEVER£33.62 Add to
048710-1710SCREW£5.78 Add to
04924.6273.20Shim£4.00 Add to
050736-0694WAVED SPRING WASHER B7 DIN 137£4.11 Add to
051736-0661WASHER A 5,3 DIN 9021£3.85 Add to
052712-0675NUT:HEX:M5 x.80:DIN 985£4.25 Add to
053079.30.716FRONT AXLE£78.96 Add to
054079.30.092CLAMPING RING£10.34 Add to
055734-1879637WHEEL DIA 180mm, BALL BEARING£27.42 Add to
056720-0337638HUB CAP STANDARD£5.10 Add to
056720-0334662HUB CAP WITH MTD LOGO, PREMIUM£4.65 Add to
057738-1057SCR SHLDR£12.24 Add to
058736-0758WASH:BELL:25mmODx12.2IDx1.6 28.7112.11£4.11 Add to
059736-0649AWASHER:LOCK:B8:DIN 12 736-0649£2.70 Add to
060712-0690NUT:HEX:M8-1.25 DIN 934£2.72 Add to
34A24.6273.14SHIM£3.41 Add to