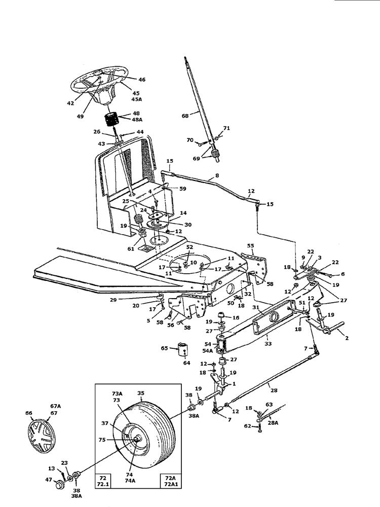
Front axle

Parts list

Match the number with the image on the left and click "Add" button to add the item to your basket

Please note, that the prices are for individual items

Items might appear more than once on the drawing, please check and adjust the quantity you require.

RefNoDescriptionPrice
00117584A637FRONT AXLE RH 3.32 x 4.07£126.42 Add to
00217585A637FRONT AXLE ASSY. L.H 3.64X5.34£111.42 Add to
003683-0055637STEERING ARM£51.15 Add to
004710-1039HEX BOLT 3/8-24 x 1 INCH Lg£3.62 Add to
005710-0538HEX L BOLT£4.15 Add to
006710-0772HEX BOLT£11.63 Add to
007723-3018BALL JOINT£24.02 Add to
008711-0838Regulator rod (BING)£39.56 Add to
009712-0237HEX CENTRE NUT£11.18 Add to
010712-0241HEX NUT 3/8-24£2.79 Add to
011712-3010NUT 5/16 x 18£2.77 Add to
012712-0446HEX JAM NUT 3/8-24 X .218£2.98 Add to
013714-0470COTTER PIN£5.07 Add to
014717-0622CGEAR SEGMENT£39.29 Add to
015723-3018BALL JOINT£24.02 Add to
016726-0214PUSH CAP£5.36 Add to
017736-0119LOCK WASHER 5/16£3.33 Add to
018736-0169L. WASHER£2.89 Add to
019736-0187FLAT WASHER£3.19 Add to
020736-0343WASHER-5/16 x 1.25£4.57 Add to
022736-0271WASHER£3.16 Add to
023736-0285FLAT WASHER£4.06 Add to
024783-04644BRACKET£15.63 Add to
025738-0141SHLD SCREW (OBSOLETE) (OBSOLETE) (OBSOLETE) (OBSOLETE)N/A
026738-0730steering column£89.21 Add to
027741-0487CFLANGE BEARING£6.18 Add to
028747-0753TIE ROD KIT (OBSOLETE)N/A
029750-0532SPACER (OBSOLETE)N/A
030750-0535SPACER£10.09 Add to
03117548637PIVOT BAR SUPP BRACKET FRONT (OBSOLETE)£35.00 Add to
03217547637NO LONGER AVAILABLEN/A POA
033753-0642PIVOT BAR SERVICE KIT£112.65 Add to
035734-1731TYRE 15x6.00-6 NHS£123.31 Add to
037734-0255VALVE - TUBELESS AIR£7.02 Add to
038741-0487CFLANGE BEARING£6.18 Add to
042712-0237HEX CENTRE NUT£11.18 Add to
043741-0501NO LONGER AVAILABLEN/A POA
044710-0837OVAL SUNK SCREW£3.51 Add to
045731-0806ASTEERING WHEEL 731-0805 (OBSOLETE) (OBSOLETE)£96.46 Add to
046731-0220STEERING WHEEL CAP£9.71 Add to
047731-0484AHUB CAP£5.05 Add to
048731-0954BELLOW STEERING COLUMN£20.36 Add to
049736-0242BELL WASHER£3.72 Add to
050712-0798HEX. NUT£7.61 Add to
051738-0527SCR:SHLDR:.498 DIA X 2.045£7.78 Add to
052736-0356BELL WASHER£3.95 Add to
054731-1389TUBE-PLASTIC£14.15 Add to
05517545NO LONGER AVAILABLEN/A POA
05617546PIVOT BAR SIDE PLATE--R.H.£20.35 Add to
058710-0604ASCREW£3.62 Add to
059736-0217H.L. WASHER (RED)£4.89 Add to
061741-0225HEX FLANGE BEARING£4.92 Add to
062710-0459ATIE ROD BOLT£3.62 Add to
063712-0711NUT£3.07 Add to
064737-0280FITTING-GREASE£13.79 Add to
065731-1291AENDCAP AXLE£10.11 Add to
066727-0425ASPRING CLIP£2.98 Add to
067734-1612HUB CAP, BEIGE£18.71 Add to
068738-0896SHAFT ASSY-TINE£54.26 Add to
069650-0002NO LONGER AVAILABLEN/A POA
070710-0958NO LONGER AVAILABLEN/A POA
071712-0324HEX. INS L NUT£3.69 Add to
072734-0863AWHEEL ASSEMBLY COMP. (558) (15" X 6") 734-0863£273.45 Add to
073634-0172A662RIM ASM:6.0 X 4.5 x .81 ID 634-0024£72.79 Add to
074737-0211AFITTING-GREASE 737-0211£3.59 Add to
075737-0212APLUG-GREASE FITTING 737-0212£3.31 Add to
28A747-0861637ROD:TIE:NON-ADJ 21.72 LG 747-0861£19.25 Add to
38A741-0569BALL BEARING£18.91 Add to
45A731-0806ASTEERING WHEEL 731-0805 (OBSOLETE) (OBSOLETE)£96.46 Add to
48A731-0559BELLOWS£23.69 Add to
54A731-1134NO LONGER AVAILABLEN/A POA
67A734-1613HUBCAP 6" DIA OYSTER GRAY£23.09 Add to
72.1634-0097B662OYSTER GRAY 788-0662£176.87 Add to
72A634-0059662WHL:COMPL:15.0 X 6.0 X 6.0:BB 634-0059£153.83 Add to
72A1634-0091WHEEL ASSY - COMPL. (OBSOLETE) (OBSOLETE)N/A
73A634-0090WHEEL RIM£74.11 Add to
74A737-0280FITTING-GREASE£13.79 Add to