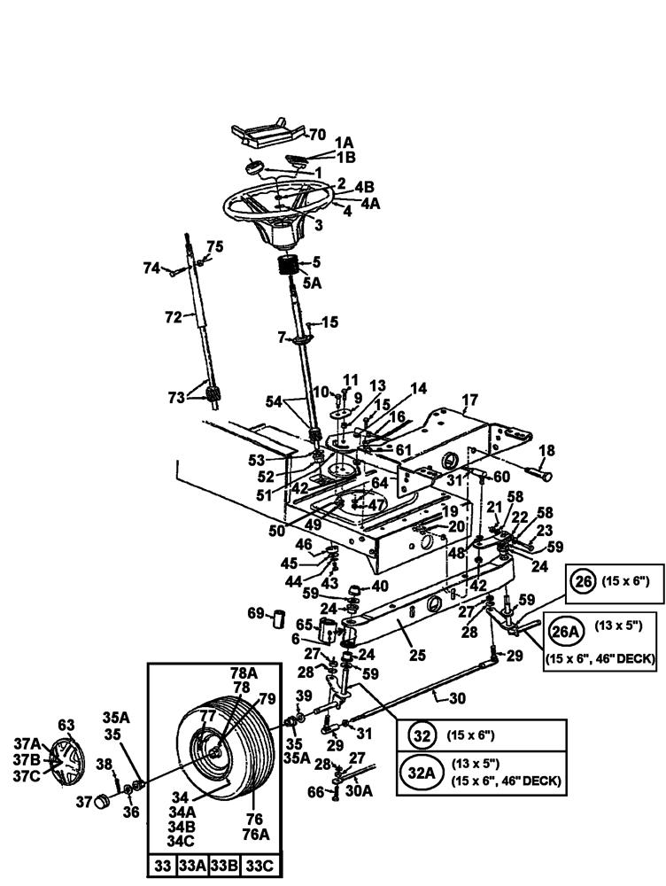
Parts list
Match the number with the image on the left and click "Add" button to add the item to your basket
Please note, that the prices are for individual items
Items might appear more than once on the drawing, please check and adjust the quantity you require.
| Ref | No | Description | Price | |
|---|
| 001 | 731-0220 | STEERING WHEEL CAP | £9.71 | Add to |
| 002 | 712-0411 | NUT | £2.69 | Add to |
| 003 | 736-0242 | BELL WASHER | £3.72 | Add to |
| 004 | 731-0806A | STEERING WHEEL 731-0805 (OBSOLETE) (OBSOLETE) | £96.46 | Add to |
| 005 | 731-0954 | BELLOW STEERING COLUMN | £20.36 | Add to |
| 006 | 737-0280 | FITTING-GREASE | £13.79 | Add to |
| 007 | 741-0587 | BRG:STRG:COLUMN .628 ID x1.360 | £5.73 | Add to |
| 009 | 783-04644 | BRACKET | £15.63 | Add to |
| 010 | 738-0141 | SHLD SCREW (OBSOLETE) (OBSOLETE) (OBSOLETE) (OBSOLETE) | N/A | |
| 011 | 710-1039 | HEX BOLT 3/8-24 x 1 INCH Lg | £3.62 | Add to |
| 013 | 750-0535 | SPACER | £10.09 | Add to |
| 014 | 736-0217 | H.L. WASHER (RED) | £4.89 | Add to |
| 015 | 710-0726 | HEX SCREW AB 5/16-12:0.750 | £3.19 | Add to |
| 016 | 753-0655 | LENKSCHUBSTANGE 092.15.495 | £135.09 | Add to |
| 017 | 783-0041A-0637 | BRACKET:BAR:PIVOT 783-0041A | N/A | POA |
| 018 | 738-0527 | SCR:SHLDR:.498 DIA X 2.045 | £7.78 | Add to |
| 019 | 712-0431 | NUT | £3.20 | Add to |
| 01A | 731-1459A | CAP-STEERING WHL SQ 731-1459 | £6.11 | Add to |
| 01B | 731-1460 | CAP-STEERING WHL SQ | £5.36 | Add to |
| 020 | 736-0169 | L. WASHER | £2.89 | Add to |
| 021 | 712-0411 | NUT | £2.69 | Add to |
| 022 | 683-0055637 | STEERING ARM | £51.15 | Add to |
| 023 | 710-0772 | HEX BOLT | £11.63 | Add to |
| 024 | 741-0487C | FLANGE BEARING | £6.18 | Add to |
| 025 | 753-0642 | PIVOT BAR SERVICE KIT | £112.65 | Add to |
| 026 | 17585A637 | FRONT AXLE ASSY. L.H 3.64X5.34 | £111.42 | Add to |
| 027 | 712-0241 | HEX NUT 3/8-24 | £2.79 | Add to |
| 028 | 736-0169 | L. WASHER | £2.89 | Add to |
| 029 | 723-3018 | BALL JOINT | £24.02 | Add to |
| 030 | 747-0753 | TIE ROD KIT (OBSOLETE) | N/A | |
| 031 | 712-0711 | NUT | £3.07 | Add to |
| 032 | 17584A637 | FRONT AXLE RH 3.32 x 4.07 | £126.42 | Add to |
| 033 | 634-0097B662 | OYSTER GRAY 788-0662 | £176.87 | Add to |
| 034 | 634-0172A662 | RIM ASM:6.0 X 4.5 x .81 ID 634-0024 | £72.79 | Add to |
| 035 | 741-0487C | FLANGE BEARING | £6.18 | Add to |
| 036 | 736-0285 | FLAT WASHER | £4.06 | Add to |
| 037 | 731-0484A | HUB CAP | £5.05 | Add to |
| 038 | 714-0470 | COTTER PIN | £5.07 | Add to |
| 039 | 736-0187 | FLAT WASHER | £3.19 | Add to |
| 040 | 726-0214 | PUSH CAP | £5.36 | Add to |
| 042 | 712-0446 | HEX JAM NUT 3/8-24 X .218 | £2.98 | Add to |
| 043 | 710-0538 | HEX L BOLT | £4.15 | Add to |
| 044 | 736-0119 | LOCK WASHER 5/16 | £3.33 | Add to |
| 045 | 736-0343 | WASHER-5/16 x 1.25 | £4.57 | Add to |
| 046 | 750-0532 | SPACER (OBSOLETE) | N/A | |
| 047 | 712-0214 | HEX NUT | £3.55 | Add to |
| 048 | 736-0169 | L. WASHER | £2.89 | Add to |
| 049 | 712-0158 | NUT, HEX CENTER LOCK, 5/16-18 | £9.35 | Add to |
| 04A | 731-1406 | WHEEL-STEERING | £57.96 | Add to |
| 04B | 731-0806A | STEERING WHEEL 731-0805 (OBSOLETE) (OBSOLETE) | £96.46 | Add to |
| 050 | 736-0119 | LOCK WASHER 5/16 | £3.33 | Add to |
| 051 | 717-0622C | GEAR SEGMENT | £39.29 | Add to |
| 052 | 741-0225 | HEX FLANGE BEARING | £4.92 | Add to |
| 053 | 736-0187 | FLAT WASHER | £3.19 | Add to |
| 054 | 738-0743 | SHAFT-STEERING ASSY 650-0001 (OBSOLETE) (OBSOLETE) | N/A | |
| 057 | 710-0837 | OVAL SUNK SCREW | £3.51 | Add to |
| 058 | 736-0271 | WASHER | £3.16 | Add to |
| 059 | 736-0187 | FLAT WASHER | £3.19 | Add to |
| 05A | 731-1542 | NO LONGER AVAILABLE | N/A | POA |
| 060 | 723-3018 | BALL JOINT | £24.02 | Add to |
| 061 | 736-0607 | WASH:LOCK:5/16 EXT TOOTH | £3.31 | Add to |
| 063 | 727-0425A | SPRING CLIP | £2.98 | Add to |
| 064 | 736-0356 | BELL WASHER | £3.95 | Add to |
| 065 | 731-1291A | ENDCAP AXLE | £10.11 | Add to |
| 066 | 710-0459A | TIE ROD BOLT | £3.62 | Add to |
| 069 | 731-1389 | TUBE-PLASTIC | £14.15 | Add to |
| 070 | 731-0955 | CAP-STEERINF WHEEL W/SPRIG | £20.16 | Add to |
| 072 | 738-0886 | SHAFT-CROSS-RR | £58.85 | Add to |
| 073 | 738-0743 | SHAFT-STEERING ASSY 650-0001 (OBSOLETE) (OBSOLETE) | N/A | |
| 074 | 710-0958 | NO LONGER AVAILABLE | N/A | POA |
| 075 | 712-0324 | HEX. INS L NUT | £3.69 | Add to |
| 076 | 734-1731 | TYRE 15x6.00-6 NHS | £123.31 | Add to |
| 077 | 734-0255 | VALVE - TUBELESS AIR | £7.02 | Add to |
| 078 | 737-0211A | FITTING-GREASE 737-0211 | £3.59 | Add to |
| 079 | 737-0212A | PLUG-GREASE FITTING 737-0212 | £3.31 | Add to |
| 26A | 683-0041A637 | AXLE BLACK | £54.15 | Add to |
| 30A | 747-0861637 | ROD:TIE:NON-ADJ 21.72 LG 747-0861 | £19.25 | Add to |
| 32A | 683-0040A | NO LONGER AVAILABLE | N/A | POA |
| 33A | 634-0059662 | WHL:COMPL:15.0 X 6.0 X 6.0:BB 634-0059 | £153.83 | Add to |
| 33B | 634-0057 | WHEEL ASS'Y. COMP. (13" X 5" MODEL 669C & 669L) | £177.68 | Add to |
| 33C | 634-0073 | WHEEL ASS'Y. COMP. (13" X 5" W/BALL BEARING) | £359.51 | Add to |
| 34A | 634-0051 | NO LONGER AVAILABLE | N/A | POA |
| 34B | 734-1227 | NO LONGER AVAILABLE | N/A | POA |
| 34C | 634-0072 | FRONT WHEEL RIM ONLY (13" X 5" W/BALL BEARING) | £97.35 | Add to |
| 35A | 741-0569 | BALL BEARING | £18.91 | Add to |
| 37A | 734-1787A | RADKAPPE GELB 731-1787A | £14.67 | Add to |
| 37B | 734-1613A | HUBCP:6"DIA: OYS GREY W/SPRIG | £19.68 | Add to |
| 37C | 734-1612A | HUBCP:6"DIA:BEIGE W/SPRING | £15.40 | Add to |
| 76A | 734-0298 | TIRE 13 X 5.00-6 | £126.72 | Add to |
| 78A | 737-0280 | FITTING-GREASE | £13.79 | Add to |
Order promptly dealt with and delivered on date stated.
Thank you
Stuart Lowe
25/03/2026
Ordered a blade for a Mountfield mower which arrived promptly, really well packaged, and was exactly as described. Easy to order, good value and quick delivery. Thanks
Robert Cordwell
23/03/2026
Really quick delivery and able to get the infornation on part needed.
Steven Foster
22/03/2026
Easy to order correct part online good price quick delivery
Paul Sibley
21/03/2026
All our prices include VAT