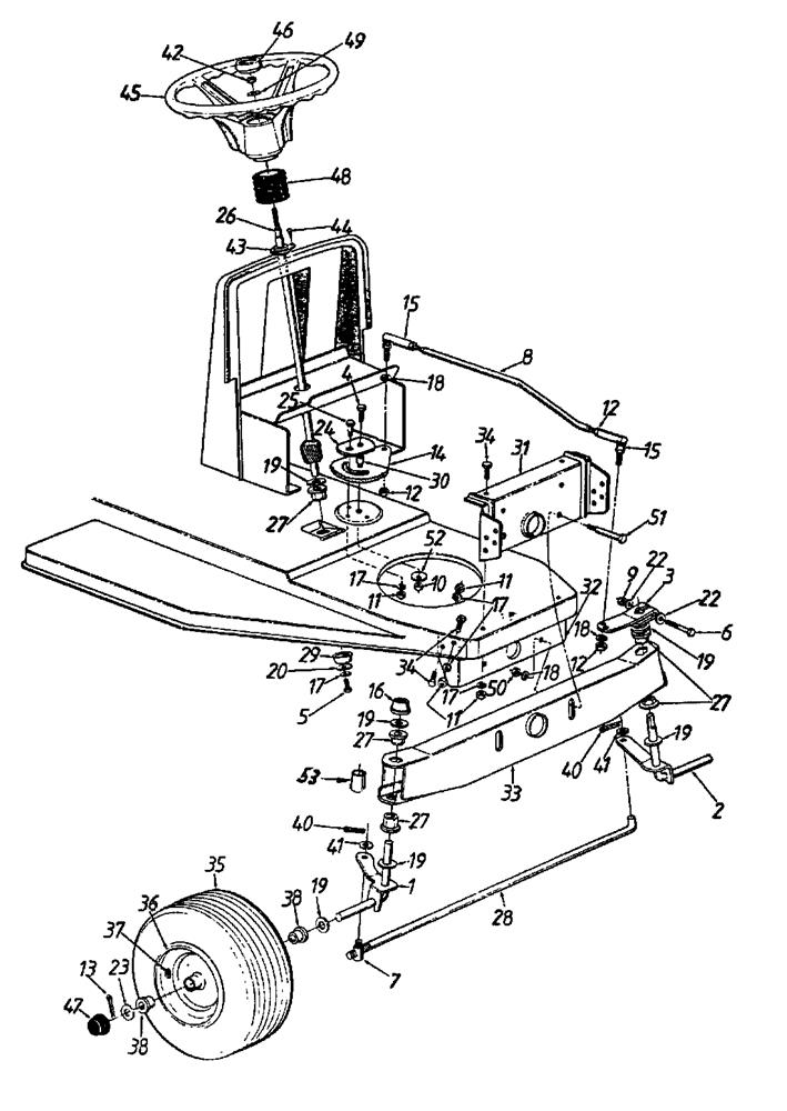
Front axle

Parts list

Match the number with the image on the left and click "Add" button to add the item to your basket

Please note, that the prices are for individual items

Items might appear more than once on the drawing, please check and adjust the quantity you require.

RefNoDescriptionPrice
00117584A637FRONT AXLE RH 3.32 x 4.07£126.42 Add to
00217585A637FRONT AXLE ASSY. L.H 3.64X5.34£111.42 Add to
003683-0055637STEERING ARM£51.15 Add to
004710-1039HEX BOLT 3/8-24 x 1 INCH Lg£3.62 Add to
005710-0538HEX L BOLT£4.15 Add to
006710-0772HEX BOLT£11.63 Add to
007711-0723AFERRULE£12.45 Add to
008711-0809NO LONGER AVAILABLEN/A POA
009712-0237HEX CENTRE NUT£11.18 Add to
010712-0241HEX NUT 3/8-24£2.79 Add to
011712-3010NUT 5/16 x 18£2.77 Add to
012712-0711NUT£3.07 Add to
013714-0407COTTER PIN 1/8" DIA X 1.25N/A POA
014717-0622CGEAR SEGMENT£39.29 Add to
015723-3018BALL JOINT£24.02 Add to
016726-0214PUSH CAP£5.36 Add to
017736-0119LOCK WASHER 5/16£3.33 Add to
018736-0169L. WASHER£2.89 Add to
019736-0187FLAT WASHER£3.19 Add to
020736-0343WASHER-5/16 x 1.25£4.57 Add to
022736-0271WASHER£3.16 Add to
023736-0285FLAT WASHER£4.06 Add to
024783-04644BRACKET£15.63 Add to
025738-0141SHLD SCREW (OBSOLETE) (OBSOLETE) (OBSOLETE) (OBSOLETE)N/A
026738-0730steering column£89.21 Add to
027741-0225HEX FLANGE BEARING£4.92 Add to
028747-0759NO LONGER AVAILABLEN/A POA
029750-0532SPACER (OBSOLETE)N/A
030750-0535SPACER£10.09 Add to
03116657NO LONGER AVAILABLEN/A POA
03216658NO LONGER AVAILABLEN/A POA
03317127NO LONGER AVAILABLEN/A POA
034710-3008HEX BOLT£3.03 Add to
035734-1422FRONT WHEEL ASS'Y. COMP. 13" X 6"£144.57 Add to
036753-0838662KIT-WHEEL RIM£109.22 Add to
037734-0255VALVE - TUBELESS AIR£7.02 Add to
038741-0487CFLANGE BEARING£6.18 Add to
040714-0111COTTER PIN£3.20 Add to
041736-0185FLAT WASHER (RED)£3.59 Add to
042712-0237HEX CENTRE NUT£11.18 Add to
043741-0501NO LONGER AVAILABLEN/A POA
044710-0837OVAL SUNK SCREW£3.51 Add to
045731-0508N/A POA
046731-0220STEERING WHEEL CAP£9.71 Add to
047731-0484AHUB CAP£5.05 Add to
048731-0559BELLOWS£23.69 Add to
049736-0242BELL WASHER£3.72 Add to
050712-0798HEX. NUT£7.61 Add to
051738-0365NO LONGER AVAILABLEN/A POA
052736-0356BELL WASHER£3.95 Add to
053731-1134NO LONGER AVAILABLEN/A POA