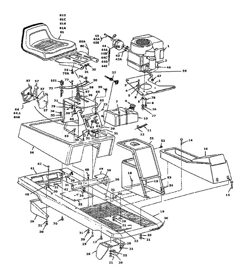
Frame, Seat, Fender

Parts list

Match the number with the image on the left and click "Add" button to add the item to your basket

Please note, that the prices are for individual items

Items might appear more than once on the drawing, please check and adjust the quantity you require.

RefNoDescriptionPrice
00215572ANO LONGER AVAILABLEN/A POA
003710-0672HHCS:5/16-24:1.25:GR5:STD£3.51 Add to
004736-0231WASHER FLAT£3.58 Add to
005722-0153MOUNTING£5.41 Add to
006750-0539SPACER (OBSOLETE) (OBSOLETE)N/A
007726-0209NO LONGER AVAILABLEN/A POA
008710-0502ASCR:TTSEMS:3/8-16:1.250:HXLWSH£7.56 Add to
009751-0603ACAP:FUEL£9.01 Add to
010751-0368CNO LONGER AVAILABLEN/A POA
011751-0535-26FUEL LINE£12.08 Add to
012726-0205HOSE CLAMP 1/2 INCH DIA.£3.44 Add to
014710-3180SCREW HEX CAP£5.00 Add to
015710-0116SCREW-HEX£9.03 Add to
016731-0712AFRONT CONSOLE£239.15 Add to
017710-0906PLASTITE SCR. 5/16 X 1.25" LG.£3.70 Add to
018710-3008HEX BOLT£3.03 Add to
01917671MAIN FRAME 17672N/A POA
020736-0119LOCK WASHER 5/16£3.33 Add to
021712-3010NUT 5/16 x 18£2.77 Add to
022735-0220AFLOOR MAT£151.33 Add to
023710-0779ASELF TAP SCREW£3.58 Add to
025726-0175CLAMP£4.50 Add to
026736-0119LOCK WASHER 5/16£3.33 Add to
027712-3057NUT 5/16-24£3.00 Add to
02817677NO LONGER AVAILABLEN/A POA
029710-3008HEX BOLT£3.03 Add to
030712-3010NUT 5/16 x 18£2.77 Add to
031736-0119LOCK WASHER 5/16£3.33 Add to
032783-0005VARIABLE SPEED MOUNTING PLATE£34.58 Add to
033736-0329L. WASHER£3.26 Add to
034712-0287NUT HEX£3.31 Add to
035737-0125ELBOW£25.03 Add to
036731-051181EDGE GUARD 731-0511£32.27 Add to
037746-0614ACHOKE CONTROL£21.70 Add to
03915552SUPPORT£171.63 Add to
040710-3008HEX BOLT£3.03 Add to
04115571PANEL£59.50 Add to
042710-0621HEX BOLT 5/16-18 X .50" LG. *£3.74 Add to
0433081-B1-0038EXHAUST GASKET (504) 721-0207 (OBSOLETE)N/A
044751-0412NO LONGER AVAILABLEN/A POA
045738-0635SHLD. BOLT (504)£18.06 Add to
046736-0343WASHER-5/16 x 1.25£4.57 Add to
047736-0392NO LONGER AVAILABLEN/A POA
04915604BRACKET£41.70 Add to
050710-3008HEX BOLT£3.03 Add to
05115554COVER£67.42 Add to
052710-1388SCREW£3.23 Add to
05316403STEERING SHAFT HOUSING£92.16 Add to
054710-0376SCREW HEX CAP 5/16£9.02 Add to
055710-0289HHCS:1/4-20:.50:GR2:STD£20.02 Add to
056683-0044-0638NO LONGER AVAILABLEN/A POA
057931-0823ATHROTTLE CONTROL BOX ASSY£25.49 Add to
062725-0201IGNITION KEY£6.47 Add to
063725-0267BIGNITION SWITCH£25.04 Add to
064746-0503THROTTLE CONTROL WIRE£26.45 Add to
06516483AFRONT SEAT BRACKET£116.83 Add to
06615606AREAR SEAT BRACKET£97.48 Add to
068738-3024NO LONGER AVAILABLEN/A POA
070710-0855HEX BOLT 1/4-20 X 1.00" LG.£2.69 Add to
071736-0119LOCK WASHER 5/16£3.33 Add to
072732-0632SEAT SPRING£34.15 Add to
074731-0555AGROMMET£25.03 Add to
075710-0623SCR:TT:3/8-16:.750 HXINDWSH£6.30 Add to
077710-3008HEX BOLT£3.03 Add to
078736-0242BELL WASHER£3.72 Add to
079712-0158NUT, HEX CENTER LOCK, 5/16-18£9.35 Add to
080783-0039A637NO LONGER AVAILABLEN/A POA
081757-04107SEAT£187.38 Add to
096732-0633COMPRESSION SPRING 2.7" LG.£9.58 Add to
097722-0160ELASTEMER BUSHING .930 OD X .5£3.20 Add to
098736-0159WASH .349 ID X .879 OD X .063£3.59 Add to
099710-0376SCREW HEX CAP 5/16£9.02 Add to
101725-1441BSW:PLGR:NC/NC£51.98 Add to
43A721-0208EXHAUST GSKT 10 & 11 HP£5.80 Add to
44A751-0643SPARK ARRESTER FOR (510C) MUFFLER 751-0425£67.83 Add to
44B751-0413NO LONGER AVAILABLEN/A POA
44C751-0544ARRESTOR SPARK 1-1/4£88.49 Add to
44D751-0604MUFFLER ASS'Y. (8 H.P. TECUMSEH)N/A POA
44E751-0605SPARK ARRESTER (8 H.P. TECUMSEH--OPTIONAL)N/A POA
45A738-0636SHD SCR. 7/16 DIA X 3 5/8£10.13 Add to
45B738-0905SHLD. BOLT (8 H.P. TECUMSEH)N/A POA
64.1746-0634THROTTLE CABLE L= 35"£17.09 Add to
64A746-0891THROTTLE CONTROL WIRE 30.5" LG. (OBSOLETE) (OBSOLETE)N/A
75A710-0870HHWSH:3/8-16:.625:GR5:STD£13.79 Add to
80A783-0039A665CARRIER£38.09 Add to
81A757-04107SEAT£187.38 Add to
81B757-0348ASEAT-MED BACK BLACK 757-0348£317.51 Add to
81C757-0364NO LONGER AVAILABLEN/A POA
81D757-0365SEAT:RAD YELLOW V460£186.21 Add to