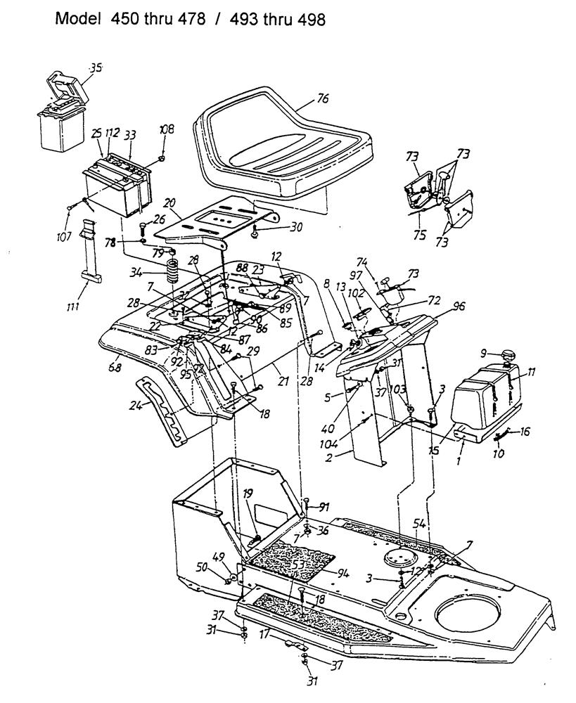
Parts list
Match the number with the image on the left and click "Add" button to add the item to your basket
Please note, that the prices are for individual items
Items might appear more than once on the drawing, please check and adjust the quantity you require.
| Ref | No | Description | Price | |
|---|
| 001 | 17932 | BRKT:SUPT:GAS TANK STYLE 1 | £18.87 | Add to |
| 002 | 17933A637 | PANEL-DASH 17933A | £126.60 | Add to |
| 003 | 710-3025 | HHCS:5/16-18:.625:GR5:STD | £3.31 | Add to |
| 005 | 710-0751 | BOLT 069 | £3.39 | Add to |
| 007 | 712-3010 | NUT 5/16 x 18 | £2.77 | Add to |
| 008 | 725-0634 | SW:ROCKER | £19.29 | Add to |
| 009 | 751-0603A | CAP:FUEL | £9.01 | Add to |
| 010 | 726-0205 | HOSE CLAMP 1/2 INCH DIA. | £3.44 | Add to |
| 011 | 726-0209 | NO LONGER AVAILABLE | N/A | POA |
| 012 | 736-0119 | LOCK WASHER 5/16 | £3.33 | Add to |
| 013 | 725-0267B | IGNITION SWITCH | £25.04 | Add to |
| 014 | 725-0201 | IGNITION KEY | £6.47 | Add to |
| 015 | 751-0553 | FUEL TANK | £80.00 | Add to |
| 016 | 751-10349-54 | FUEL LINE HOSE BLACK | £25.38 | Add to |
| 017 | 761-0194A | BLADE BRAKE ASSY | £19.28 | Add to |
| 018 | 710-0134 | BOLT | £3.03 | Add to |
| 019 | 710-0793 | SCREW-RIBBED NECK | N/A | POA |
| 020 | 783-0039A | NO LONGER AVAILABLE | N/A | POA |
| 021 | 783-0354 | FENDER:HARDTOP ´96,400 | N/A | POA |
| 022 | 17704 | BRKT:SEAT:HINGE:SUPPORT R.H. | £24.50 | Add to |
| 023 | 17703A | BRKT:SEAT:HGE:SUPT LH | £16.96 | Add to |
| 024 | 17553 | BRKT:INDX:LIFT:DK:6POS-PAI | £17.69 | Add to |
| 025 | 5032-u3-0002 | BATTERY MF896 (No Returns on this item) | £93.24 | Add to |
| 026 | 710-0817 | SCR:TT:5/16-18:1.250:HXINDWSH | £4.52 | Add to |
| 028 | 710-0726 | HEX SCREW AB 5/16-12:0.750 | £3.19 | Add to |
| 029 | 710-1017 | TAP SCREW | £2.97 | Add to |
| 030 | 710-0773 | SCR:TT:3/8-16:.500:HXINDWSH | £7.50 | Add to |
| 031 | 712-0287 | NUT HEX | £3.31 | Add to |
| 032 | 736-0607 | WASH:LOCK:5/16 EXT TOOTH | £3.31 | Add to |
| 033 | 783-0349637 | BATTERY TRAY | £34.84 | Add to |
| 034 | 732-0588 | SPRG:COMP 1.35 OD X 3,6 | £13.94 | Add to |
| 035 | 731-0871B | BATTERY BOX W/COVER | £59.87 | Add to |
| 036 | 736-0242 | BELL WASHER | £3.72 | Add to |
| 037 | 736-0329 | L. WASHER | £3.26 | Add to |
| 040 | 736-0270 | BELL WASHER | £3.91 | Add to |
| 049 | 736-0217 | H.L. WASHER (RED) | £4.89 | Add to |
| 050 | 712-0241 | HEX NUT 3/8-24 | £2.79 | Add to |
| 053 | 723-0474 | FOOT PAD RIGHT | £20.71 | Add to |
| 053 | 735-0252 | PAD:FOOT:RUBBER RH | £25.20 | Add to |
| 054 | 725-0309C | FOOD PAD-L.H. | N/A | POA |
| 054 | 735-0253 | NO LONGER AVAILABLE | N/A | POA |
| 068 | 731-051181 | EDGE GUARD 731-0511 | £32.27 | Add to |
| 072 | 746-0616A | CHOKE CONTROL CABLE ASSY | £12.71 | Add to |
| 073 | 931-0823A | THROTTLE CONTROL BOX ASSY | £25.49 | Add to |
| 074 | 710-0779A | SELF TAP SCREW | £3.58 | Add to |
| 075 | 746-0638 | CABLE-THROTTLE | £11.28 | Add to |
| 076 | 757-04107 | SEAT | £187.38 | Add to |
| 076 | 757-04107 | SEAT | £187.38 | Add to |
| 076 | 757-0348A | SEAT-MED BACK BLACK 757-0348 | £317.51 | Add to |
| 076 | 757-0364 | NO LONGER AVAILABLE | N/A | POA |
| 076 | 757-0365 | SEAT:RAD YELLOW V460 | £186.21 | Add to |
| 078 | 736-0159 | WASH .349 ID X .879 OD X .063 | £3.59 | Add to |
| 079 | 722-0160 | ELASTEMER BUSHING .930 OD X .5 | £3.20 | Add to |
| 083 | 710-0227 | SCR:AB:#8-18:0.500:HXINDWH | £3.07 | Add to |
| 084 | 725-1439 | SW:INNER SEAT SPRG | £8.44 | Add to |
| 085 | 732-0581B | SPRG:EXTN:.75 OD X 5.31 | £7.22 | Add to |
| 086 | 17239C | BRKT:LIFT:SEAT | N/A | POA |
| 087 | 726-0278 | INSULATING PLATE | £3.20 | Add to |
| 088 | 738-0155 | BOLT:SHLDR:.435 x.160:5/16-18 | £7.50 | Add to |
| 089 | 738-3024 | NO LONGER AVAILABLE | N/A | POA |
| 090 | 736-0141 | WASH:SPR:.440 x.750 x.015 | £3.39 | Add to |
| 091 | 710-0604A | SCREW | £3.62 | Add to |
| 092 | 726-0279 | INSULATING PLATE | £3.20 | Add to |
| 094 | 735-0254 | CENTER FOOT PAD 723-0423 (OBSOLETE) | N/A | |
| 094 | 735-0254 | CENTER FOOT PAD 723-0423 (OBSOLETE) | N/A | |
| 095 | 725-1303 | SW:OUTER SEAT SPRG | £3.26 | Add to |
| 096 | 731-1228 | NO LONGER AVAILABLE | N/A | POA |
| 096 | 731-1502 | Instrument panel (OBSOLETE) (OBSOLETE) | N/A | |
| 096 | 731-0063 | DASH PANEL 400 8-STYLE (OBSOLETE) (OBSOLETE) | N/A | |
| 097 | 17782 | CHOKE CABLE RETAINER CLIP | £13.39 | Add to |
| 102 | 725-0925 | AMMETER 620 | £30.37 | Add to |
| 103 | 712-3007 | HEX JAM NUT | £3.07 | Add to |
| 104 | 710-1355 | SCR:TT:M5-.8:10.00:HXFLG | £2.98 | Add to |
| 107 | 710-3015 | SCREW HEX CAP | £3.33 | Add to |
| 108 | 712-0271 | NUT:SEMS:1/4-20 | £3.03 | Add to |
| 111 | 723-0444 | BATTERY STRAP | £24.86 | Add to |
| 112 | 725-0689 | NO LONGER AVAILABLE | N/A | POA |
Received on time no complaints.
James Fawkes
01/01/2026
It's so easy to order the right parts, delivery and customer service is excellent, I would use W.O.M. again for sure.
Geoffrey Watson
01/01/2026
Fast prompt and easy to use website
Matthew Judges
01/01/2026
First class service. Easy to select parts needed from diagrams. Parts arrived very quickly. Would recommend without hesitation. Thank you.
David Culshaw
24/12/2025
All our prices include VAT