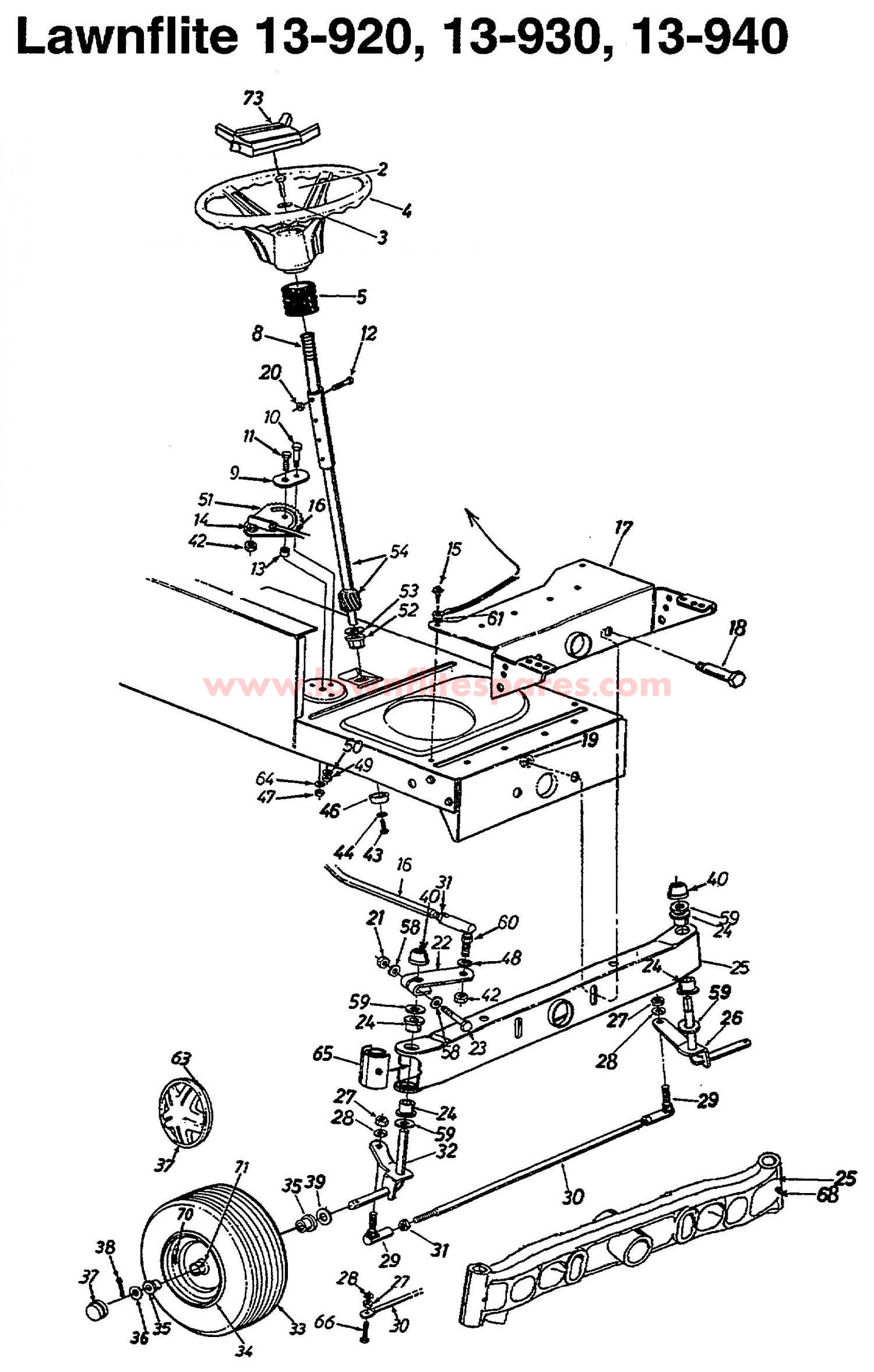
FG130_4800

Parts list

Match the number with the image on the left and click "Add" button to add the item to your basket

Please note, that the prices are for individual items

Items might appear more than once on the drawing, please check and adjust the quantity you require.

RefNoDescriptionPrice
734-1731TYRE 15x6.00-6 NHS£123.31 Add to
719-0342BPIVOT BAR ASS`Y 719-0342A£350.08 Add to
002710-0643BOLT£3.85 Add to
003736-0242BELL WASHER£3.72 Add to
004631-0027WHL:STRG:13.25 DIA:4 SPK 5/8£73.34 Add to
005731-0954BELLOW STEERING COLUMN£20.36 Add to
008738-0943AXLE-SPIRAL£85.82 Add to
009783-04644BRACKET£15.63 Add to
010738-0141SHLD SCREW (OBSOLETE) (OBSOLETE) (OBSOLETE) (OBSOLETE)N/A
011710-1039HEX BOLT 3/8-24 x 1 INCH Lg£3.62 Add to
012710-0958NO LONGER AVAILABLEN/A POA
013750-0535SPACER£10.09 Add to
014736-0217H.L. WASHER (RED)£4.89 Add to
015710-0726HEX SCREW AB 5/16-12:0.750£3.19 Add to
016753-0654ROD ASSY. CONNECTING STD 711-1068£108.12 Add to
017783-0041A-0637BRACKET:BAR:PIVOT 783-0041AN/A POA
018738-0527SCR:SHLDR:.498 DIA X 2.045£7.78 Add to
019712-0431NUT£3.20 Add to
020712-0214HEX NUT£3.55 Add to
021712-0411NUT£2.69 Add to
022683-0055637STEERING ARM£51.15 Add to
023710-0772HEX BOLT£11.63 Add to
024741-0659FLANGE BEARING£5.31 Add to
025683-0128B637PIVOT BAR ASSY£65.51 Add to
026683-0127637FRONT AXLE ASSY. L.H. 683-0127£117.06 Add to
027712-0241HEX NUT 3/8-24£2.79 Add to
028736-0169L. WASHER£2.89 Add to
029723-3018BALL JOINT£24.02 Add to
030747-0753TIE ROD KIT (OBSOLETE)N/A
031712-0711NUT£3.07 Add to
032683-0126637FRONT AXLE ASSY. R.H 3.32X4.84 683-0126£116.34 Add to
033634-0059662WHL:COMPL:15.0 X 6.0 X 6.0:BB 634-0059£153.83 Add to
034634-0051NO LONGER AVAILABLEN/A POA
035741-0569BALL BEARING£18.91 Add to
036736-0285FLAT WASHER£4.06 Add to
037734-1613HUBCAP 6" DIA OYSTER GRAY£23.09 Add to
038714-0470COTTER PIN£5.07 Add to
039736-0531AWASH:FLAT:.640 X 1.00 X .180£3.33 Add to
040726-0214PUSH CAP£5.36 Add to
042712-0262NUT:JAMLK:3/8-24:GR2£12.97 Add to
043710-1309PAN HEAD SCREW£5.28 Add to
044736-0119LOCK WASHER 5/16£3.33 Add to
045736-0343WASHER-5/16 x 1.25£4.57 Add to
046748-0389CAP£2.77 Add to
047712-0214HEX NUT£3.55 Add to
048736-0169L. WASHER£2.89 Add to
049712-0158NUT, HEX CENTER LOCK, 5/16-18£9.35 Add to
050736-0119LOCK WASHER 5/16£3.33 Add to
051717-0622CGEAR SEGMENT£39.29 Add to
052741-0656AMETAL FLANGE BEARING£5.76 Add to
053736-0187FLAT WASHER£3.19 Add to
054650-0005SHAFT-STEERING ASSY£123.59 Add to
058736-0271WASHER£3.16 Add to
059736-0187FLAT WASHER£3.19 Add to
060723-3018BALL JOINT£24.02 Add to
061736-0607WASH:LOCK:5/16 EXT TOOTH£3.31 Add to
063727-0425ASPRING CLIP£2.98 Add to
064736-0356BELL WASHER£3.95 Add to
065731-1291AENDCAP AXLE£10.11 Add to
066710-0459ATIE ROD BOLT£3.62 Add to
068737-3000FITTING LUBE 3/16 DRIVE TYPE£3.87 Add to
070734-0255VALVE - TUBELESS AIR£7.02 Add to
071737-0280FITTING-GREASE£13.79 Add to
073731-0955CAP-STEERINF WHEEL W/SPRIG£20.16 Add to