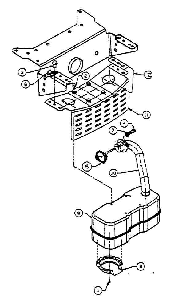
Engine accessories (2)

Parts list

Match the number with the image on the left and click "Add" button to add the item to your basket

Please note, that the prices are for individual items

Items might appear more than once on the drawing, please check and adjust the quantity you require.

RefNoDescriptionPrice
001710-0148SCR:F:#8-32:0.375 HXINDWSH£3.58 Add to
002710-0599HEX TT SCREW 1/4-20£4.95 Add to
003710-0604ASCREW£3.62 Add to
004710-1314ASOCKET HEAD SCREW£3.24 Add to
005721-0208EXHAUST GSKT 10 & 11 HP£5.80 Add to
006726-0272CLAMP£2.98 Add to
007736-0119LOCK WASHER 5/16£3.33 Add to
008751-0564BDEFLECTOR:MUFFLER£15.24 Add to
009751-0617CMFLR SINGLE INLET£115.83 Add to
010751-0618EXHAUST PIPE£76.47 Add to
011783-0320A-0637NO LONGER AVAILABLEN/A POA
012783-0385BRACKET:SHLD£38.88 Add to