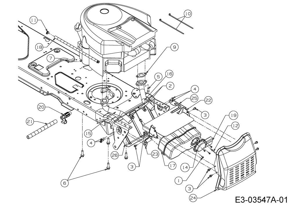
Parts list
Match the number with the image on the left and click "Add" button to add the item to your basket
Please note, that the prices are for individual items
Items might appear more than once on the drawing, please check and adjust the quantity you require.
| Ref | No | Description | Price | |
|---|
| 001 | 710-0227 | SCR:AB:#8-18:0.500:HXINDWH | £3.07 | Add to |
| 002 | 710-04484 | SCR:TT:5/16-18:.750:HXINDWSH | £5.27 | Add to |
| 003 | 710-0599 | HEX TT SCREW 1/4-20 | £4.95 | Add to |
| 004 | 710-0642 | SCREW-HEX HD TAP 4-20 x 7.5 | £3.68 | Add to |
| 005 | 710-1314A | SOCKET HEAD SCREW | £3.24 | Add to |
| 006 | 710-1315 | SCR TT 3/8-16 1.250 HXINDWSH S | £5.70 | Add to |
| 007 | 712-0271 | NUT:SEMS:1/4-20 | £3.03 | Add to |
| 009 | 721-0460 | EXHAUST GASKET INTEK TWIN | £6.91 | Add to |
| 010 | 725-0157 | NO LONGER AVAILABLE | N/A | POA |
| 011 | 726-0205 | HOSE CLAMP 1/2 INCH DIA. | £3.44 | Add to |
| 012 | 728-04000 | RIV:POP:.188 DIA x .300 L | £4.64 | Add to |
| 013 | 737-0169 | MOTOR OIL SAE 30, SD,SE & | N/A | POA |
| 014 | 751-0564B | DEFLECTOR:MUFFLER | £15.24 | Add to |
| 015 | 751-10004 | EXHAUST PIPE R.H. INTEK TWIN | N/A | POA |
| 016 | 751-10005 | PIPE:EXH:LH INTEK TWIN | N/A | POA |
| 017 | 751-10161 | SILENCER:DUAL INLET | £74.89 | Add to |
| 018 | 751-10349 | HOSE:FUEL:LOW PERMEATION | £72.63 | Add to |
| 019 | 751-10353 | DEFLECTOR EXTENSION | £30.63 | Add to |
| 020 | 751-10517A | OIL DRAIN | £38.87 | Add to |
| 021 | 751-3141 | OBSOLETE | N/A | |
| 022 | 783-04573 | BRKT:MFLR:LH | N/A | POA |
| 023 | 783-04574 | BRKT:MFLR:RH | N/A | POA |
| 024 | 783-04576B | SHLD:MFLR | N/A | POA |
| 025 | 783-04783A | SHLD:HEAT:TWIN | £67.76 | Add to |
| 026 | 783-05410 | SHIELD-HEAT MUFFLER | N/A | POA |
First class service welcome a well run mower parts department
Vernon Simmons
22/05/2026
Gaskets and fuel filter for my Mountfield mower ordered Sunday, arrived Tuesday. Great service.
Trevor Thornton
22/05/2026
Very happy with the service provided. I rang in order to check that I was ordering the correct part before placing my order online and the person that I was spoke to was extremely helpful and knowledgeable. Delivery was very quick. I'd be happy to use this company again if the need should arise.
Rod Nickerson
22/05/2026
All good. Parts as described and perfect fit and working well. Thank you.
Alan Prangnell
22/05/2026
All our prices include VAT