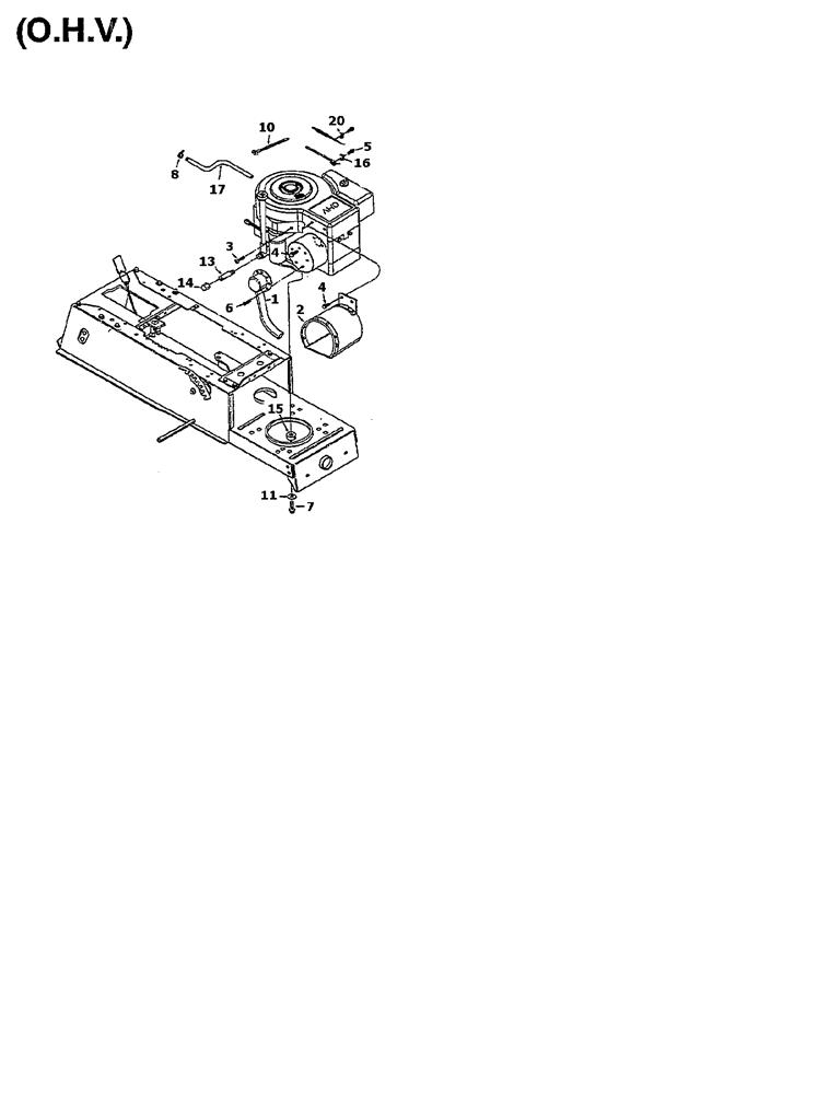
Engine accessories (1)

Parts list

Match the number with the image on the left and click "Add" button to add the item to your basket

Please note, that the prices are for individual items

Items might appear more than once on the drawing, please check and adjust the quantity you require.

RefNoDescriptionPrice
001651-0005NO LONGER AVAILABLEN/A POA
002683-0072SHLD:HEAT:VAN 9 STYLE£57.40 Add to
003710-0323SCREW£3.70 Add to
004710-0599HEX TT SCREW 1/4-20£4.95 Add to
005710-1237SCREW SELF TAP£3.00 Add to
006710-0148SCR:F:#8-32:0.375 HXINDWSH£3.58 Add to
007710-1007SCREW HEX HD TAP£4.14 Add to
008726-0205HOSE CLAMP 1/2 INCH DIA.£3.44 Add to
010726-0197TIE:CBL:PANDUIT SST-1M£4.11 Add to
011736-0247F.I. WASH£8.70 Add to
013737-0199PIPE:STRAIGHT:3/8 NPT x 2.0 LG£9.28 Add to
014737-0143CAP:DRAIN:3/8-18 NPT OIL£9.43 Add to
015750-0965SPACER-PULLEY£7.48 Add to
016751B221535CLAMP-CASING£3.00 Add to
017751-10349-54FUEL LINE HOSE BLACK£25.38 Add to
020751B221535CLAMP-CASING£3.00 Add to