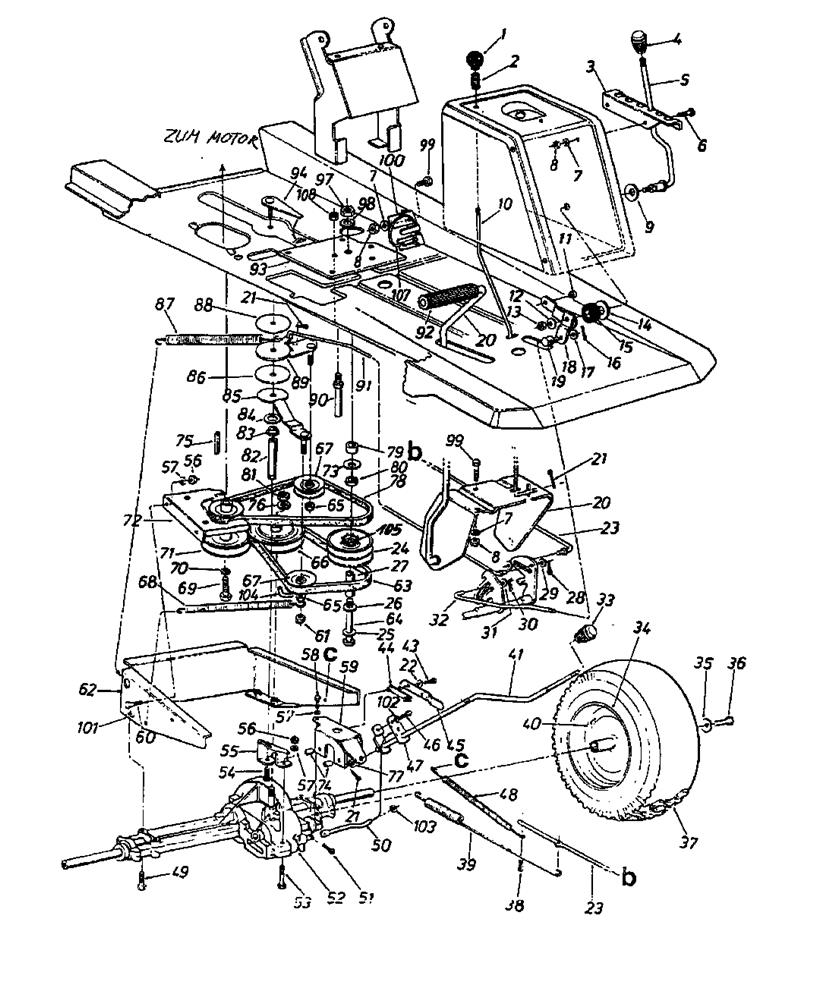
Drive system, Wheels

Parts list

Match the number with the image on the left and click "Add" button to add the item to your basket

Please note, that the prices are for individual items

Items might appear more than once on the drawing, please check and adjust the quantity you require.

RefNoDescriptionPrice
001720-0187BALL KNOB 1/4-20 THD. 1.25"£27.52 Add to
002732-0437COMPR. SPRING:.34 OD x 1.0 LG£17.07 Add to
00316389NO LONGER AVAILABLEN/A POA
004720-0232KNOB:SHFT:1.60 OD X 1.56£6.72 Add to
005747-0652SPEED CONTROL LEVER£48.85 Add to
006710-0323SCREW£3.70 Add to
007736-0119LOCK WASHER 5/16£3.33 Add to
008712-3010NUT 5/16 x 18£2.77 Add to
009736-0253WASH:BLVL:.525 x 1.000 x.050£3.87 Add to
010747-0427NO LONGER AVAILABLEN/A POA
011731-0493CAP£3.59 Add to
012736-0242BELL WASHER£3.72 Add to
013712-0158NUT, HEX CENTER LOCK, 5/16-18£9.35 Add to
014736-0100WASH:FLAT:.531 x 1.25 x .036£3.20 Add to
015735-0219NO LONGER AVAILABLEN/A POA
016714-0145R CLIP£2.78 Add to
017736-0275WASH:FLAT:.344 x .688 x.065£3.07 Add to
01816396SPEED CONTROL LEVER BRKT. ASS'Y.£28.62 Add to
019711-0677FERRULE:5/16-18 x.312 DIA£13.47 Add to
02017677NO LONGER AVAILABLEN/A POA
021714-0507COTTER PIN 3/32 DIA£3.13 Add to
022736-0426FIBER WASHER 736-0338£4.11 Add to
023747-0431BRAKE ROD£26.57 Add to
024717-0884NO LONGER AVAILABLEN/A POA
025736-0247F.I. WASH£8.70 Add to
026741-0405NO LONGER AVAILABLEN/A POA
027750-0705SLV:SPCR:.56:2.71£18.27 Add to
028714-0115COTTER PIN£3.42 Add to
029736-0275WASH:FLAT:.344 x .688 x.065£3.07 Add to
030714-0104PIN INTERNAL COTTER£2.78 Add to
031736-0275WASH:FLAT:.344 x .688 x.065£3.07 Add to
032747-0394ASPEED CONTROL LINK£9.71 Add to
033720-0232KNOB:SHFT:1.60 OD X 1.56£6.72 Add to
034634-04174662RIM ASM-8.0X5.38 w/VALVE£78.95 Add to
035736-0242BELL WASHER£3.72 Add to
036710-0627HEX SCREW£3.32 Add to
037734-0591WHEEL ASSY W/TIRE£285.42 Add to
038714-0470COTTER PIN£5.07 Add to
039732-0389EXTENSION SPRING 17.0" LG.£22.51 Add to
040734-0255VALVE - TUBELESS AIR£7.02 Add to
04116475NO LONGER AVAILABLEN/A POA
043710-0227SCR:AB:#8-18:0.500:HXINDWH£3.07 Add to
044726-0222PLATE-INSULATOR NUT£3.05 Add to
045732-0615NO LONGER AVAILABLEN/A POA
046710-0289HHCS:1/4-20:.50:GR2:STD£20.02 Add to
04716476SHIFT LEVER ADJUSTING LINK£5.52 Add to
048732-0487NO LONGER AVAILABLEN/A POA
049710-0378HHCS:5/16-18:2.50:GR5:STD£3.80 Add to
050747-0668SHIFT ROD£9.66 Add to
051714-0149BCOTTER PIN£3.58 Add to
053710-0136Bolt, Hex 1/4-20 x 1-3/4" 1509-069£3.58 Add to
054710-0180HHCS:3/8-24:.750:GR5:STD£3.90 Add to
05515564ANO LONGER AVAILABLEN/A POA
056712-0287NUT HEX£3.31 Add to
057736-0329L. WASHER£3.26 Add to
058710-0965SELF-TAP MACH. SCR. TYPE "C" 1/4-20 X 1.37" LG.£3.34 Add to
05917515ASHIFT LEVER SUPPORT BRKT.£21.60 Add to
060710-0597HEX SEMS SCREW£2.97 Add to
061712-0262NUT:JAMLK:3/8-24:GR2£12.97 Add to
06215552SUPPORT£171.63 Add to
063754-0240BELT£41.60 Add to
064710-0693SCREW-HEX£18.67 Add to
065712-0116HEX NUT£3.96 Add to
066756-0390NO LONGER AVAILABLEN/A POA
067756-04213PULLEY£19.77 Add to
068732-0308EXTENSION SPRING£10.04 Add to
069710-0314HEX BOLT£5.49 Add to
070736-0171WASHER£2.93 Add to
071756-0521NO LONGER AVAILABLEN/A POA
07215623GUARD (DNR£23.45 Add to
073736-0219BELL WASHER (RED)£3.58 Add to
074750-0686SPACER .256" I.D. X .50" O.D.£2.69 Add to
075714-0114SQUARE KEY£5.26 Add to
076736-0921WASHER:LOCK:1/2:REGULAR DUTY£2.98 Add to
077736-0226WASHER:FLAT:.474 x.879 x.064£3.39 Add to
078754-05040V BELT£38.34 Add to
079750-0706SPACER£4.64 Add to
080741-0405NO LONGER AVAILABLEN/A POA
081712-0922NO LONGER AVAILABLEN/A POA
082711-0676TORQUE ROD (OBSOLETE) (OBSOLETE)N/A
083748-0294NO LONGER AVAILABLEN/A POA
084736-0187FLAT WASHER£3.19 Add to
08515569BBRACKET ASSEMBLY IDLER£20.32 Add to
086736-0283THRUST WASH. .635" I.D.£7.39 Add to
087732-0556SPRING EXTENSION 94 X 7.57 LG£21.82 Add to
088736-0284NO LONGER AVAILABLEN/A POA
08915585NO LONGER AVAILABLEN/A POA
090711-0640NO LONGER AVAILABLEN/A POA
091747-0560CLUTCH ROD£61.93 Add to
092735-0239AFOOT PAD£8.75 Add to
093783-0005VARIABLE SPEED MOUNTING PLATE£34.58 Add to
09415642SCR BRACKET (DNR) (OBSOLETE) (OBSOLETE)N/A
097712-0798HEX. NUT£7.61 Add to
098736-0217H.L. WASHER (RED)£4.89 Add to
099710-3008HEX BOLT£3.03 Add to
100783-1016BBRKT:ROD:SPEED CONTROL£8.99 Add to
101712-04063FLANGED NUT£4.20 Add to
102736-0270BELL WASHER£3.91 Add to
103726-0231CUP-RETAINER£3.59 Add to
104747-0758BELT GUARD£7.19 Add to
105741-0404BRG:NDL:.5625 IDx.7500x.5550£34.91 Add to
107732-0525COMP SPRING CLIP£3.13 Add to
108712-0181HEX JAM L NUT£3.69 Add to