0115 920 0099
World Of Mowers
M T D
My account
Basket
Spares
Gutbrod
Mastercut
MOWMASTER
MTD
MTD-Engines
Contact Us
Home
MTD Spares
Drive system, Engine pulley, Pedal, Rear wheels
Drive system, Engine pulley, Pedal, Rear wheels
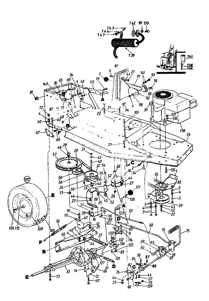
Parts list
Match the number with the image on the left and click "Add" button to add the item to your basket
Please note, that the prices are for individual items
Items might appear more than once on the drawing, please check and adjust the quantity you require.
Ref
No
Description
Price
002
710-0776A
SCREW-HEX WASH HD
£3.20
Add to
003
710-0833
SCREW-HEX
£22.44
Add to
004
712-3010
NUT 5/16 x 18
£2.77
Add to
004
712-0261
NUT-HEX CENTER L
£16.56
Add to
005
736-0242
BELL WASHER
£3.72
Add to
006
710-0286
SCREW
£3.31
Add to
007
720-0232
KNOB:SHFT:1.60 OD X 1.56
£6.72
Add to
009
712-3657
N/A
POA
011
712-0138
NUT
£3.03
Add to
012
783-1325637
HALTEWINKEL R CKZUGFEDER DECK
£14.28
Add to
014
710-0559
NO LONGER AVAILABLE
N/A
POA
015
15891C
NO LONGER AVAILABLE
N/A
POA
016
16352A
NO LONGER AVAILABLE
N/A
POA
017
16676A
BRACKET ASSY-VAR SP
£29.89
Add to
018
16679
SLEEVE BEARING 0.75X1.75X0.625
£17.51
Add to
019
710-3008
HEX BOLT
£3.03
Add to
020
710-0513
BOLT
£3.59
Add to
021
710-0703
SCR:CRG:1/4-20:.75:GR5
£3.07
Add to
023
710-0704
NO LONGER AVAILABLE
N/A
POA
024
711-1000
BELT KEEPER
£9.71
Add to
025
712-0241
HEX NUT 3/8-24
£2.79
Add to
026
750-0241
N/A
POA
027
712-0287
NUT HEX
£3.31
Add to
028
712-0296
NUT:JAMLK:3/8-24
£3.59
Add to
029
712-0922
NO LONGER AVAILABLE
N/A
POA
030
726-0175
CLAMP
£4.50
Add to
031
716-0114
RING:RET:.56 DIA SHAFT
£3.58
Add to
032
717-0800A
PUL:DR:VARI SPD 5.06 DIA
£236.50
Add to
033
753-0537
TRANSAXLE (SEE BREAKDOWN) 717-0775V
£625.41
Add to
034
736-0607
WASH:LOCK:5/16 EXT TOOTH
£3.31
Add to
035
736-0258
WASHER:FLAT:.385 X 1.0 X.135
£3.47
Add to
036
732-0384
EXT SPRING
£15.79
Add to
037
732-0459
SPRING 6.7
£15.10
Add to
038
732-0568
SPRING EXTENSION
£5.45
Add to
039
736-0117
WASH:FLAT:.385 x.620 x.033
£3.31
Add to
040
736-0119
LOCK WASHER 5/16
£3.33
Add to
041
736-0169
L. WASHER
£2.89
Add to
042
736-0171
WASHER
£2.93
Add to
043
736-0322
FI-WASH
£8.68
Add to
044
736-0329
L. WASHER
£3.26
Add to
045
736-0331
BELL WASHER
£3.95
Add to
046
736-0335
WASH:THRST:.635 X 1.26 X .06
£8.82
Add to
047
736-0414
WASHER
£5.00
Add to
048
736-0253
WASH:BLVL:.525 x 1.000 x.050
£3.87
Add to
049
738-0569
SHAFT V. PULLEY
£39.36
Add to
050
741-0405
NO LONGER AVAILABLE
N/A
POA
051
741-0419
FLANGE BEARING (OBSOLETE)
N/A
052
741-0495
FLANGED BRG.
£8.22
Add to
053
747-0688
Rod
N/A
POA
054
750-0703
SPACER .375 ID X .625 OD X 1.5
£11.36
Add to
055
754-0280A
BELT
£70.95
Add to
056
754-0281
BELT TRANS 620
£53.72
Add to
057
756-0374
NO LONGER AVAILABLE
N/A
POA
058
756-0643A
PUL IDLER FLAT 3.12
£27.94
Add to
059
756-0458
NO LONGER AVAILABLE
N/A
POA
060
732-0303
SPRING:EXTN:.375 x 3.18 LG
£6.43
Add to
061
732-0413
EXT SPRING
£12.22
Add to
062
748-0234
SHOULDER SPACER
£5.43
Add to
063
710-0176
HHCS:5/16-18:2.75:GR5:STD
£6.11
Add to
064
16714A
FRAME-FRONT
£118.06
Add to
065
16715
FRAME-RR
N/A
POA
066
16654
BRACKET-TRANSAXLE SUPPORT
N/A
POA
067
16659637
PLATE-REINFORCEMENT
£12.14
Add to
068
710-0725
SCREW-TRUSS HD MACH
N/A
POA
069
710-02583
N/A
POA
070
725-0771
RELAY
£40.54
Add to
071
753-0685
KIT CIRCUIT BREAKER (OBSOLETE) (OBSOLETE)
N/A
072
712-0158
NUT, HEX CENTER LOCK, 5/16-18
£9.35
Add to
073
710-0189
HHCS:5/16-18:3.00:GR5:STD
£4.62
Add to
074
710-1388
SCREW
£3.23
Add to
075
17470
PEDAL ASSY-CLUTCH
£47.55
Add to
076
16691B
BRACKET-MTG
£5.86
Add to
076
710-0134
BOLT
£3.03
Add to
077
710-0134
BOLT
£3.03
Add to
078
710-0597
HEX SEMS SCREW
£2.97
Add to
079
710-0599
HEX TT SCREW 1/4-20
£4.95
Add to
080
711-0198
PIVOT BUSHING
£12.12
Add to
081
712-0271
NUT:SEMS:1/4-20
£3.03
Add to
082
714-0111
COTTER PIN
£3.20
Add to
083
714-0507
COTTER PIN 3/32 DIA
£3.13
Add to
084
732-0582
NO LONGER AVAILABLE
N/A
POA
085
714-0114
SQUARE KEY
£5.26
Add to
086
736-0256
WASHER:FL:.635 IDX.930 ODX.03
£3.20
Add to
087
710-0157
HHCS:5/16-24:.75:GR5:STD
£6.99
Add to
088
747-0686
ROD ASSY-BRAKE
N/A
POA
090
725-0976A
NO LONGER AVAILABLE
N/A
POA
091
17457B
NO LONGER AVAILABLE
N/A
POA
092
16694A
7 SPEED SELECTOR BRKT.
£13.16
Add to
093
738-0413
SCR:SHLDR:3/8-1.27 LONG
N/A
POA
094
711-0677
FERRULE:5/16-18 x.312 DIA
£13.47
Add to
096
714-0104
PIN INTERNAL COTTER
£2.78
Add to
098
736-0119
LOCK WASHER 5/16
£3.33
Add to
099
736-0264
WASH:FLAT:.330 x.630x.0635
£3.59
Add to
100
736-0463
WASH:FLAT: .250 x .630 x .052
£3.31
Add to
101
747-0675A
NO LONGER AVAILABLE
N/A
POA
106
710-0627
HEX SCREW
£3.32
Add to
107
734-1424
REAR WHEEL ASS'Y. COMP.
£209.79
Add to
108
734-1423
TIRE ONLY
£190.62
Add to
109
734-1450
NO LONGER AVAILABLE
N/A
POA
110
736-0242
BELL WASHER
£3.72
Add to
114
17178A
NO LONGER AVAILABLE
N/A
POA
115
861942T7
SHIFT LEVER SPRING BRKT. 16482
N/A
POA
117
710-0286
SCREW
£3.31
Add to
119
714-0149B
COTTER PIN
£3.58
Add to
121
631-0009A
KNOB:SHIFTER:3/8-16 THRD
£9.83
Add to
122
726-0231
CUP-RETAINER
£3.59
Add to
123
732-0499
COMPRESSION SPRING
£4.38
Add to
125
736-0226
WASHER:FLAT:.474 x.879 x.064
£3.39
Add to
126
747-0685
CLUTCH LINK (OBSOLETE) (OBSOLETE)
N/A
127
747-0685
CLUTCH LINK (OBSOLETE) (OBSOLETE)
N/A
129
725-0577
SICHERUNGSSCHALTER 090.90.040
£26.54
Add to
130
17179
NO LONGER AVAILABLE
N/A
POA
131
710-0227
SCR:AB:#8-18:0.500:HXINDWH
£3.07
Add to
132
726-0222
PLATE-INSULATOR NUT
£3.05
Add to
133
753-0580
NO LONGER AVAILABLE
N/A
POA
134
710-0502A
SCR:TTSEMS:3/8-16:1.250:HXLWSH
£7.56
Add to
135
710-0672
HHCS:5/16-24:1.25:GR5:STD
£3.51
Add to
136
736-0119
LOCK WASHER 5/16
£3.33
Add to
137
712-3057
NUT 5/16-24
£3.00
Add to
139
751-0466
MUFFLER - HEX BOLT 5/16-18 X .75" LG. 710-0118 (11 HP) (MOUNTING HARDWARE) (ENGINE)
£190.87
Add to
140
736-0222
NO LONGER AVAILABLE
N/A
POA
141
736-0141
WASH:SPR:.440 x.750 x.015
£3.39
Add to
143
751-0424
BOLT 092.15.556
£7.36
Add to
144
736-0119
LOCK WASHER 5/16
£3.33
Add to
145
712-3010
NUT 5/16 x 18
£2.77
Add to
147
16778
THROTTLE LIMITER (OBSOLETE) (OBSOLETE)
£6.44
Add to
148
736-0400
FLAT WASHER .194x.620Dx.63TH
£3.77
Add to
149
710-0899A
SCR:#10-32:.62:HXSEMS:GR5.1
£3.20
Add to
Customer reviews
First class service welcome a well run mower parts department
Vernon Simmons
22/05/2026
Gaskets and fuel filter for my Mountfield mower ordered Sunday, arrived Tuesday. Great service.
Trevor Thornton
22/05/2026
Very happy with the service provided. I rang in order to check that I was ordering the correct part before placing my order online and the person that I was spoke to was extremely helpful and knowledgeable. Delivery was very quick. I'd be happy to use this company again if the need should arise.
Rod Nickerson
22/05/2026
All good. Parts as described and perfect fit and working well. Thank you.
Alan Prangnell
22/05/2026
View all
All our prices include VAT
By using this site you agree to our
Terms and Conditions
and our
Cookie Policy
.
Please
Accept
these before using the site.