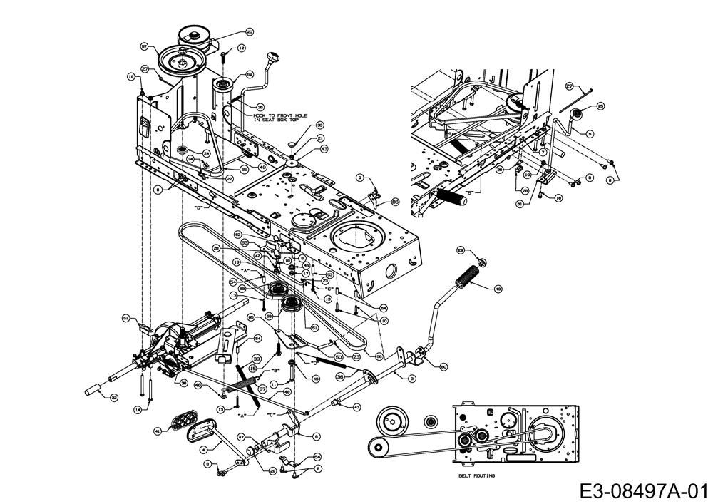
Drive system

Parts list

Match the number with the image on the left and click "Add" button to add the item to your basket

Please note, that the prices are for individual items

Items might appear more than once on the drawing, please check and adjust the quantity you require.

RefNoDescriptionPrice
002618-04913N/A POA
003647-04201AN/A POA
004647-04203AN/A POA
005647-04266LVR ASM:SHFT£28.82 Add to
006683-04736N/A POA
007710-0227SCR:AB:#8-18:0.500:HXINDWH£3.07 Add to
008710-04484SCR:TT:5/16-18:.750:HXINDWSH£5.27 Add to
009710-0604ASCREW£3.62 Add to
010710-0809SCR:TT:1/4-20:1.250:HXINDWSH£3.42 Add to
011710-0859SCREW HHCS:3/8-16:2.50:GR5:STD£5.96 Add to
012710-1007SCREW HEX HD TAP£4.14 Add to
013710-1026SCREW£3.91 Add to
014710-1266SCREW HHCS:5/16-18:3.5:GR5:STD£4.70 Add to
015710-1858ASCR:TT:3/8-16 X 1.75:HXINDWSH£3.59 Add to
016710-3008HEX BOLT£3.03 Add to
017712-0240NUT£3.62 Add to
018712-0241HEX NUT 3/8-24£2.79 Add to
019712-04063FLANGED NUT£4.20 Add to
020712-0700NUT:FLANGE:9/16-18:GR2£13.38 Add to
021712-3000NUT:HEXLK:3/8-16 GR.B CTRLK£3.20 Add to
022714-0209INTERNAL COTTER PIN .125 DIA£3.49 Add to
023714-04040PIN-COTTER£4.38 Add to
024718-04407HUB:PUL:5/8 SPLINE£20.19 Add to
025720-04028SHIFT KNOB BLACK£8.34 Add to
026723-3018BALL JOINT£24.02 Add to
027725-0157NO LONGER AVAILABLEN/A POA
028725-1644SWITCH:SPRING:SHORT£6.24 Add to
029726-0214PUSH CAP£5.36 Add to
030726-0320INSULATING PLATE£2.97 Add to
031731-04602SLEV:.758X.821X3.3125£5.91 Add to
032731-04604SLEV:.758X.821X2.4375£5.50 Add to
033731-06330PLUG:DECK HOLE:7/8£3.49 Add to
034731-06894BRG:PLT:SHIFT£8.82 Add to
035732-04488SPRING:EXT:.38 OD x 3.25 LG£16.58 Add to
036732-04612SPR:EXTN:.50 DIA x 13.00 LG£24.51 Add to
037732-04616BSPR:EXTN:.97 OD x 6.18 LG£18.27 Add to
038732-04764N/A POA
039732-0716DSPRING EXTENSION£14.42 Add to
040735-0239AFOOT PAD£8.75 Add to
041735-04272PAD:DRIVE£14.85 Add to
042736-0169L. WASHER£2.89 Add to
043736-3040FLAT WASHER£13.16 Add to
045738-0372BCOLLAR£5.64 Add to
046738-04091ASCR:SHLDR:.43 x.29:TT:5/16-18£5.45 Add to
047741-0495FLANGED BRG.£8.22 Add to
048747-05188ROD:BRAKE:LT-5 TRANS£26.82 Add to
049747-05243AN/A POA
050747-05415N/A POA
051747-05596N/A POA
052748-0334TRANSAXLE SPACER .68£6.32 Add to
053750-04456SPACER£5.75 Add to
054750-0566ASPACER£7.75 Add to
055754-04208AN/A POA
056754-0467AV BELT£98.21 Add to
057756-04002PULLEY:V-TYPE:7.25 DIA SPUN£35.15 Add to
058756-04224IDLER PULLEY£28.15 Add to
059756-04325PULLEY£35.65 Add to
060783-04536B-SBRKT:PED:SUPT: LT-5£14.02 Add to
061783-04595ABRKT:SHFT:ADJ£7.30 Add to
062783-06562AN/A POA
063783-06592AN/A POA
064783-06641AN/A POA
065783-06769N/A POA
066783-06807A-SPLT:PEDAL:STOP£13.04 Add to