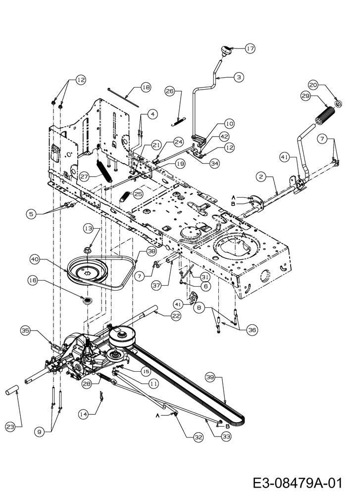
Drive system

Parts list

Match the number with the image on the left and click "Add" button to add the item to your basket

Please note, that the prices are for individual items

Items might appear more than once on the drawing, please check and adjust the quantity you require.

RefNoDescriptionPrice
001618-04907DR ASM:TRANS:RAISED LT-5 STCHN/A POA
002647-04034CPED ASM:DRIVE LT-5N/A POA
003647-04266LVR ASM:SHFT£28.82 Add to
004710-0227SCR:AB:#8-18:0.500:HXINDWH£3.07 Add to
005710-04484SCR:TT:5/16-18:.750:HXINDWSH£5.27 Add to
006710-0599HEX TT SCREW 1/4-20£4.95 Add to
007710-0604ASCREW£3.62 Add to
008710-0809SCR:TT:1/4-20:1.250:HXINDWSH£3.42 Add to
009710-1266SCREW HHCS:5/16-18:3.5:GR5:STD£4.70 Add to
010710-3008HEX BOLT£3.03 Add to
011711-04075AFRL:3/8-24 X.375 DIA£12.75 Add to
012712-04063FLANGED NUT£4.20 Add to
013712-0700NUT:FLANGE:9/16-18:GR2£13.38 Add to
014714-0209INTERNAL COTTER PIN .125 DIA£3.49 Add to
015714-04040PIN-COTTER£4.38 Add to
016718-04407HUB:PUL:5/8 SPLINE£20.19 Add to
017720-04028SHIFT KNOB BLACK£8.34 Add to
018725-0157NO LONGER AVAILABLEN/A POA
019725-1644SWITCH:SPRING:SHORT£6.24 Add to
020726-0214PUSH CAP£5.36 Add to
021726-0320INSULATING PLATE£2.97 Add to
022731-04602SLEV:.758X.821X3.3125£5.91 Add to
023731-04604SLEV:.758X.821X2.4375£5.50 Add to
024731-06894BRG:PLT:SHIFT£8.82 Add to
025732-04306EXTENSION SPRING£12.55 Add to
026732-04488SPRING:EXT:.38 OD x 3.25 LG£16.58 Add to
027732-04746SPR:EXTN:.94 DIA. x 6.75 LG£12.33 Add to
028732-0716DSPRING EXTENSION£14.42 Add to
029735-0239AFOOT PAD£8.75 Add to
031747-04969ROD:KEEPR:BELT£16.56 Add to
032747-05186ROD:CONT:VARI SPEED£18.94 Add to
033747-05188ROD:BRAKE:LT-5 TRANS£26.82 Add to
034747-05243ROD:SHIFT:LT-5 STRETCH 46"£12.34 Add to
035748-0334TRANSAXLE SPACER .68£6.32 Add to
036750-0566ASPACER£7.75 Add to
037750-0802SPCR:.640 ID X .76 OD X2.63 LG£3.20 Add to
038754-05040V BELT£38.34 Add to
039754-04249AV BELT£93.96 Add to
040756-04002PULLEY:V-TYPE:7.25 DIA SPUN£35.15 Add to
041783-04536B-SBRKT:PED:SUPT: LT-5£14.02 Add to
042783-04595ABRKT:SHFT:ADJ£7.30 Add to