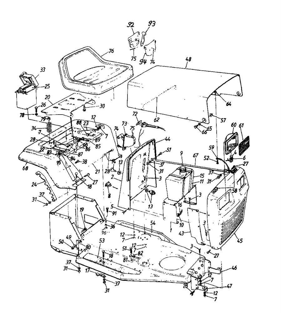
Dashboard, Engine hood, Fender

Parts list

Match the number with the image on the left and click "Add" button to add the item to your basket

Please note, that the prices are for individual items

Items might appear more than once on the drawing, please check and adjust the quantity you require.

RefNoDescriptionPrice
00116655BRACKET-DASH SUPPORTN/A POA
003710-3008HEX BOLT£3.03 Add to
004725-0963BULB£7.18 Add to
006725-1650SOCKET LAMP TWIST LOCK (OBSOLETE)N/A
007712-3010NUT 5/16 x 18£2.77 Add to
008725-0634SW:ROCKER£19.29 Add to
009723-0333NO LONGER AVAILABLEN/A POA
010776-0205N/A POA
011726-0209NO LONGER AVAILABLEN/A POA
012736-0119LOCK WASHER 5/16£3.33 Add to
013725-0267BIGNITION SWITCH£25.04 Add to
014725-0201IGNITION KEY£6.47 Add to
015753-0503FUEL TANK 751-0172£64.10 Add to
016751-10349-54FUEL LINE HOSE BLACK£25.38 Add to
017761-0168DBRACKET ASSY-BRAKE 761-0168B£32.66 Add to
018710-0134BOLT£3.03 Add to
019710-0793SCREW-RIBBED NECKN/A POA
02015607DSEAT PIVOT BRACKET£47.80 Add to
02116660CPANEL-FRAME-RR£165.60 Add to
02217284BRACKET-SEAT HINGE-R.H.N/A POA
02317283SUPPORT-SEAT HINGEN/A POA
02417133ABRACKET-DECK INDEX£10.47 Add to
025EPB3117BATTERY 12N14-3A (DRY)£52.41 Add to
026710-0817SCR:TT:5/16-18:1.250:HXINDWSH£4.52 Add to
027710-0924TRUSS SCREW (OBSOLETE) (OBSOLETE) (OBSOLETE)N/A
028710-0726HEX SCREW AB 5/16-12:0.750£3.19 Add to
030710-0623SCR:TT:3/8-16:.750 HXINDWSH£6.30 Add to
031731-0782PADDLE-RUBBER 721-0287N/A POA
031712-0287NUT HEX£3.31 Add to
033731-0871BBATTERY BOX W/COVER£59.87 Add to
034732-0588SPRG:COMP 1.35 OD X 3,6£13.94 Add to
036736-0242BELL WASHER£3.72 Add to
037736-0329L. WASHER£3.26 Add to
038710-1388SCREW£3.23 Add to
04319265ELEC. MODULE KIT 16622N/A POA
044731-0511-31TRIM STRIP--31" LG.£9.92 Add to
04517025GRILLE£495.64 Add to
04617131GRILLE MTG. BRKT.--L.H. (STYLE 2)£6.72 Add to
04717132GRILLE MTG. BRKT.--R.H. (STYLE 2)£14.51 Add to
04816842SHAFT ASSY-LIFT 16661£124.99 Add to
049736-0217H.L. WASHER (RED)£4.89 Add to
050712-0241HEX NUT 3/8-24£2.79 Add to
051710-0751BOLT 069£3.39 Add to
052710-0473SCR:MACH:#10-24:0.500:TRUSPHI£4.62 Add to
053723-0474FOOT PAD RIGHT£20.71 Add to
054723-0475FOOD PAD LEFT£20.71 Add to
057712-0380NUT:FLGLK:1/4-28:GRF£3.20 Add to
058722-0157STRIP-FOAM£2.56 Add to
059723-0302HOOD STOP X 7.0£27.76 Add to
060731-0705HSG:HDLT£27.93 Add to
061731-0706LENS-HEADLAMP-SQ£12.42 Add to
064712-0272NUT SEMS:#10-24£3.39 Add to
065736-0413NO LONGER AVAILABLEN/A POA
066738-0724NO LONGER AVAILABLEN/A POA
067749-0722BROD:SUPPORT:GRILLE:PAINTEDN/A POA
068731-051181EDGE GUARD 731-0511£32.27 Add to
072746-0617ANO LONGER AVAILABLEN/A POA
073931-0823ATHROTTLE CONTROL BOX ASSY£25.49 Add to
074710-0779ASELF TAP SCREW£3.58 Add to
075746-0501THROTTLE CONTROL WIRE£23.72 Add to
076757-0348ASEAT-MED BACK BLACK 757-0348£317.51 Add to
078736-01593N/A POA
079722-0160ELASTEMER BUSHING .930 OD X .5£3.20 Add to
080736-0267WASH:FLAT:.385 x.87 x.06:HT£3.80 Add to
081712-0107NO LONGER AVAILABLEN/A POA
082726-0175CLAMP£4.50 Add to
083710-0467SCREW-TRUSS MACH£3.31 Add to
084725-1303SW:OUTER SEAT SPRG£3.26 Add to
085732-05813N/A POA
08617269AN/A POA
087726-0222PLATE-INSULATOR NUT£3.05 Add to
088738-0155BOLT:SHLDR:.435 x.160:5/16-18£7.50 Add to
089738-3024NO LONGER AVAILABLEN/A POA
091710-0157HHCS:5/16-24:.75:GR5:STD£6.99 Add to
092931-0823ATHROTTLE CONTROL BOX ASSY£25.49 Add to
093931-0823ATHROTTLE CONTROL BOX ASSY£25.49 Add to
094931-0823ATHROTTLE CONTROL BOX ASSY£25.49 Add to
095736-0426FIBER WASHER 736-0338£4.11 Add to
096712-3057NUT 5/16-24£3.00 Add to