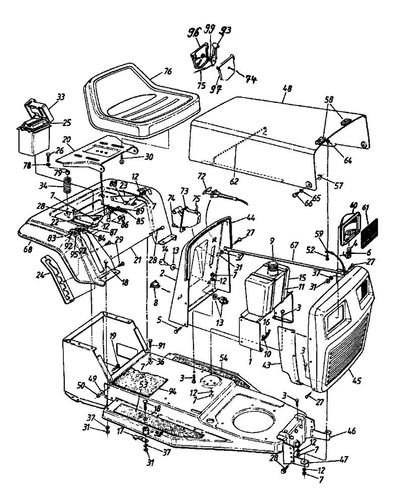
Dashboard, Engine hood, Fender

Parts list

Match the number with the image on the left and click "Add" button to add the item to your basket

Please note, that the prices are for individual items

Items might appear more than once on the drawing, please check and adjust the quantity you require.

RefNoDescriptionPrice
00116655ADASH PANEL SUPPORT BRACKET£38.07 Add to
00216656Instruments board£110.97 Add to
003710-3008HEX BOLT£3.03 Add to
004725-0963BULB£7.18 Add to
005710-776AN/A POA
006725-1650SOCKET LAMP TWIST LOCK (OBSOLETE)N/A
007712-3010NUT 5/16 x 18£2.77 Add to
008725-0634SW:ROCKER£19.29 Add to
009751-0603ACAP:FUEL£9.01 Add to
010726-0205HOSE CLAMP 1/2 INCH DIA.£3.44 Add to
011726-0209NO LONGER AVAILABLEN/A POA
012736-0119LOCK WASHER 5/16£3.33 Add to
013725-0267BIGNITION SWITCH£25.04 Add to
014725-0201IGNITION KEY£6.47 Add to
015751-0553FUEL TANK£80.00 Add to
016751-10349-54FUEL LINE HOSE BLACK£25.38 Add to
017761-0197BLADE BRAKE ASS'Y.£26.63 Add to
018710-0111NO LONGER AVAILABLEN/A POA
019710-0793SCREW-RIBBED NECKN/A POA
02015607DSEAT PIVOT BRACKET£47.80 Add to
02117590FENDER-RR£562.53 Add to
02217704BRKT:SEAT:HINGE:SUPPORT R.H.£24.50 Add to
02317703ABRKT:SEAT:HGE:SUPT LH£16.96 Add to
02417553BRKT:INDX:LIFT:DK:6POS-PAI£17.69 Add to
025EPB3117BATTERY 12N14-3A (DRY)£52.41 Add to
026710-0817SCR:TT:5/16-18:1.250:HXINDWSH£4.52 Add to
027710-0924TRUSS SCREW (OBSOLETE) (OBSOLETE) (OBSOLETE)N/A
028710-0726HEX SCREW AB 5/16-12:0.750£3.19 Add to
028710-726N/A POA
029710-1017TAP SCREW£2.97 Add to
030710-0623SCR:TT:3/8-16:.750 HXINDWSH£6.30 Add to
031712-0287NUT HEX£3.31 Add to
033731-0871BBATTERY BOX W/COVER£59.87 Add to
034732-0588SPRG:COMP 1.35 OD X 3,6£13.94 Add to
036736-0242BELL WASHER£3.72 Add to
037736-0329L. WASHER£3.26 Add to
04316622APANEL-SIDE-RH£13.30 Add to
044731-0511-31TRIM STRIP--31" LG.£9.92 Add to
04517025GRILLE£495.64 Add to
04617131GRILLE MTG. BRKT.--L.H. (STYLE 2)£6.72 Add to
04717132GRILLE MTG. BRKT.--R.H. (STYLE 2)£14.51 Add to
04816681HOOD (STYLE 2, 7)N/A POA
049736-0217H.L. WASHER (RED)£4.89 Add to
050712-0241HEX NUT 3/8-24£2.79 Add to
052710-0473SCR:MACH:#10-24:0.500:TRUSPHI£4.62 Add to
053723-03088N/A POA
054723-0475FOOD PAD LEFT£20.71 Add to
057712-0380NUT:FLGLK:1/4-28:GRF£3.20 Add to
058722-0157STRIP-FOAM£2.56 Add to
059723-0302HOOD STOP X 7.0£27.76 Add to
060731-0705HSG:HDLT£27.93 Add to
061731-0706LENS-HEADLAMP-SQ£12.42 Add to
062732-0414ASPRING-HOOD£12.68 Add to
064712-0272NUT SEMS:#10-24£3.39 Add to
065736-0413NO LONGER AVAILABLEN/A POA
066738-0724NO LONGER AVAILABLEN/A POA
067749-0722BROD:SUPPORT:GRILLE:PAINTEDN/A POA
068731-051181EDGE GUARD 731-0511£32.27 Add to
072746-0617ANO LONGER AVAILABLEN/A POA
073931-0823ATHROTTLE CONTROL BOX ASSY£25.49 Add to
074710-0779ASELF TAP SCREW£3.58 Add to
075746-0501THROTTLE CONTROL WIRE£23.72 Add to
076757-0348ASEAT-MED BACK BLACK 757-0348£317.51 Add to
078736-0159WASH .349 ID X .879 OD X .063£3.59 Add to
079722-0160ELASTEMER BUSHING .930 OD X .5£3.20 Add to
083710-0227SCR:AB:#8-18:0.500:HXINDWH£3.07 Add to
084725-1439SW:INNER SEAT SPRG£8.44 Add to
085732-0581BSPRG:EXTN:.75 OD X 5.31£7.22 Add to
08617239CBRKT:LIFT:SEATN/A POA
087726-0278INSULATING PLATE£3.20 Add to
088738-0155BOLT:SHLDR:.435 x.160:5/16-18£7.50 Add to
089738-3024NO LONGER AVAILABLEN/A POA
091710-0604ASCREW£3.62 Add to
092726-0279INSULATING PLATE£3.20 Add to
093731-1065THROTTLE LEVER ASSY-SHORT THRO£12.24 Add to
094723-0310ACENTER FOOT PAD£18.38 Add to
095725-1303SW:OUTER SEAT SPRG£3.26 Add to
096931-0823ATHROTTLE CONTROL BOX ASSY£25.49 Add to
097931-0823ATHROTTLE CONTROL BOX ASSY£25.49 Add to
098750-0539SPACER (OBSOLETE) (OBSOLETE)N/A
099736-0232WAVE WASHER£3.69 Add to