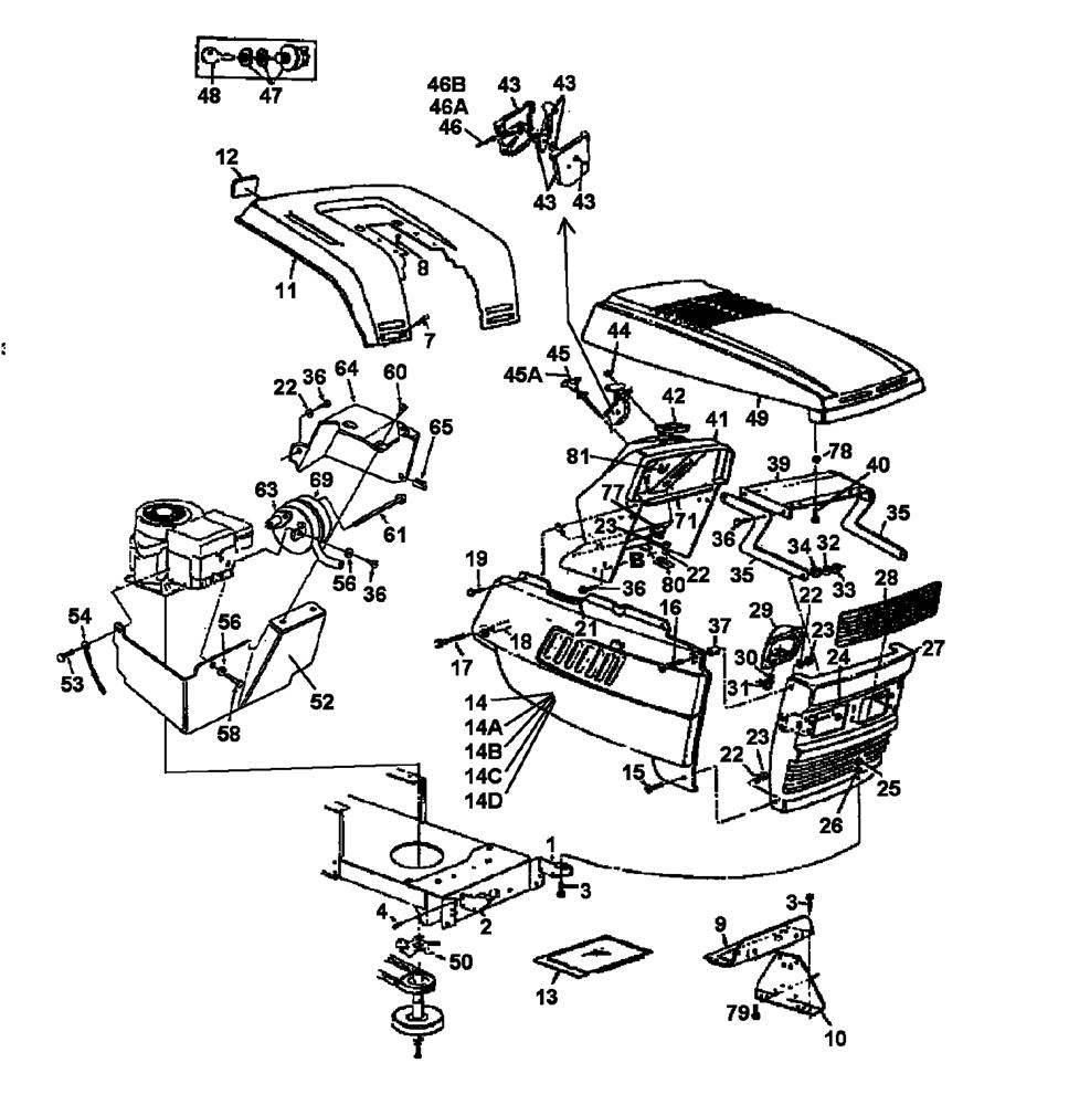
Dashboard, Engine hood, Fender

Parts list

Match the number with the image on the left and click "Add" button to add the item to your basket

Please note, that the prices are for individual items

Items might appear more than once on the drawing, please check and adjust the quantity you require.

RefNoDescriptionPrice
00115821GRILL MOUNTING BRACKET L.H(DN (RED)£8.87 Add to
00215822001GRILLE MOUNT BRKT.--R.H. 15822N/A POA
003710-3008HEX BOLT£3.03 Add to
004710-0607SELF TAP SCREW£4.71 Add to
007710-0167SCR:CRG:1/4-20:.50:£2.97 Add to
008710-0726HEX SCREW AB 5/16-12:0.750£3.19 Add to
00917633ASUPPORT BRACKET£21.34 Add to
01017300DDASH SUPPORT BRKT.£29.54 Add to
01117324BREAR FENDER£217.37 Add to
012730-3000REFLECTOR£21.33 Add to
01317286BCOVER-HARD TOP (OBSOLETE)£56.26 Add to
01417308ASIDE PANEL--R.H.N/A POA
015710-0286SCREW£3.31 Add to
016710-0166PAN HEAD MACH SCR 1/4-20 X 1.0N/A POA
017710-1026SCREW£3.91 Add to
018750-0768SPACER .26" I.D. X 1.32"£4.76 Add to
019710-0642SCREW-HEX HD TAP 4-20 x 7.5£3.68 Add to
021731-051112TRIM STRIP 731-0511-12£5.15 Add to
022736-0329L. WASHER£3.26 Add to
023712-0287NUT HEX£3.31 Add to
024726-0201SPEED NUT£3.10 Add to
025712-3010NUT 5/16 x 18£2.77 Add to
026736-3078WASH:FLAT:.344 x 1.00 x 063:HD£4.23 Add to
02717410GRILLE ASS'Y.£119.40 Add to
028731-1044NO LONGER AVAILABLEN/A POA
029731-0705HSG:HDLT£27.93 Add to
030725-0963BULB£7.18 Add to
031725-1650SOCKET LAMP TWIST LOCK (OBSOLETE)N/A
032736-0242BELL WASHER£3.72 Add to
033712-0429NUT HEX.INS L NUT£4.92 Add to
034735-0126WASHER-RUBBER£3.31 Add to
03517273HOOD HINGE£42.40 Add to
036710-0599HEX TT SCREW 1/4-20£4.95 Add to
037750-0218SPACER .262 ID X .31 OD X .58£3.20 Add to
03916903AHOOD PLATE£48.21 Add to
040710-1005NO LONGER AVAILABLEN/A POA
041731-1048ADASH£72.50 Add to
042725-0925AMMETER 620£30.37 Add to
043931-0823ATHROTTLE CONTROL BOX ASSY£25.49 Add to
044710-0919SCREW TAPP£3.07 Add to
045746-0616ACHOKE CONTROL CABLE ASSY£12.71 Add to
046746-0501THROTTLE CONTROL WIRE£23.72 Add to
047725-0267BIGNITION SWITCH£25.04 Add to
048725-0201IGNITION KEY£6.47 Add to
049731-1491AHOOD 731-1054A£280.58 Add to
05017199NO LONGER AVAILABLEN/A POA
05216936MUFFLER HEAT SHIELD-FRONT£27.04 Add to
053710-0323SCREW£3.70 Add to
054725-0980WIRE£10.61 Add to
056736-0175SPRING WASHER£3.39 Add to
058710-0294SCREW-HEX CAP£7.96 Add to
060710-0429NO LONGER AVAILABLEN/A POA
061738-0636SHD SCR. 7/16 DIA X 3 5/8£10.13 Add to
063721-0208EXHAUST GSKT 10 & 11 HP£5.80 Add to
064683-0042MUFFLER HEAT SHIELD--L.H.£31.69 Add to
065712-0147NO LONGER AVAILABLEN/A POA
069751-0465AEXHAUST£176.48 Add to
071749-0814GRILLE SUPPORT TUBE£7.98 Add to
073736-0607WASH:LOCK:5/16 EXT TOOTH£3.31 Add to
07617782CHOKE CABLE RETAINER CLIP (OBSOLETE)N/A
077725-0634SW:ROCKER£19.29 Add to
078736-3010WASH:FL:.407X.812X.135:HD£2.85 Add to
079710-0751BOLT 069£3.39 Add to
080783-0013DASH FASTENING TAB£3.34 Add to
081725-0157NO LONGER AVAILABLEN/A POA
14A17309ASIDE PANEL--L.H. (NOT SHOWN)N/A POA
14B16723COVER-SIDE-RHN/A POA
14C16725SIDE PANEL ASS'Y.--R.H. 17458£110.52 Add to
14D17309B638SIDE PANEL ASS'Y.--L.H. (NOT SHOWN) 17459£69.45 Add to
45A746-0614ACHOKE CONTROL£21.70 Add to
46A746-0634THROTTLE CABLE L= 35"£17.09 Add to
46B746-0638CABLE-THROTTLE£11.28 Add to