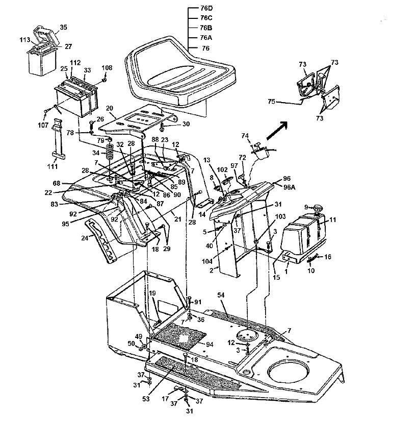
Parts list
Match the number with the image on the left and click "Add" button to add the item to your basket
Please note, that the prices are for individual items
Items might appear more than once on the drawing, please check and adjust the quantity you require.
| Ref | No | Description | Price | |
|---|
| 001 | 17932 | BRKT:SUPT:GAS TANK STYLE 1 | £18.87 | Add to |
| 002 | 17933A637 | PANEL-DASH 17933A | £126.60 | Add to |
| 003 | 710-3008 | HEX BOLT | £3.03 | Add to |
| 005 | 710-0751 | BOLT 069 | £3.39 | Add to |
| 007 | 712-3010 | NUT 5/16 x 18 | £2.77 | Add to |
| 008 | 725-0634 | SW:ROCKER | £19.29 | Add to |
| 009 | 751-0603A | CAP:FUEL | £9.01 | Add to |
| 010 | 726-0205 | HOSE CLAMP 1/2 INCH DIA. | £3.44 | Add to |
| 011 | 726-0209 | NO LONGER AVAILABLE | N/A | POA |
| 012 | 736-0119 | LOCK WASHER 5/16 | £3.33 | Add to |
| 013 | 725-0267B | IGNITION SWITCH | £25.04 | Add to |
| 014 | 725-0201 | IGNITION KEY | £6.47 | Add to |
| 015 | 751-0553 | FUEL TANK | £80.00 | Add to |
| 016 | 751-10349-54 | FUEL LINE HOSE BLACK | £25.38 | Add to |
| 017 | 761-0194A | BLADE BRAKE ASSY | £19.28 | Add to |
| 018 | 710-0134 | BOLT | £3.03 | Add to |
| 019 | 710-0793 | SCREW-RIBBED NECK | N/A | POA |
| 020 | 783-0039 | SEAT PIVOT BRACKET | £52.07 | Add to |
| 021 | 783-0354 | FENDER:HARDTOP ´96,400 | N/A | POA |
| 022 | 17704 | BRKT:SEAT:HINGE:SUPPORT R.H. | £24.50 | Add to |
| 023 | 17703A | BRKT:SEAT:HGE:SUPT LH | £16.96 | Add to |
| 024 | 17553 | BRKT:INDX:LIFT:DK:6POS-PAI | £17.69 | Add to |
| 025 | 5032-u3-0002 | BATTERY MF896 (No Returns on this item) | £93.24 | Add to |
| 026 | 710-0817 | SCR:TT:5/16-18:1.250:HXINDWSH | £4.52 | Add to |
| 027 | EPB3117 | BATTERY 12N14-3A (DRY) | £52.41 | Add to |
| 028 | 710-0726 | HEX SCREW AB 5/16-12:0.750 | £3.19 | Add to |
| 029 | 710-1017 | TAP SCREW | £2.97 | Add to |
| 030 | 710-0870 | HHWSH:3/8-16:.625:GR5:STD | £13.79 | Add to |
| 031 | 712-0287 | NUT HEX | £3.31 | Add to |
| 033 | 783-0349637 | BATTERY TRAY | £34.84 | Add to |
| 034 | 732-0588 | SPRG:COMP 1.35 OD X 3,6 | £13.94 | Add to |
| 035 | 731-0871B | BATTERY BOX W/COVER | £59.87 | Add to |
| 036 | 736-0242 | BELL WASHER | £3.72 | Add to |
| 037 | 736-0329 | L. WASHER | £3.26 | Add to |
| 040 | 736-0270 | BELL WASHER | £3.91 | Add to |
| 049 | 736-0217 | H.L. WASHER (RED) | £4.89 | Add to |
| 050 | 712-0241 | HEX NUT 3/8-24 | £2.79 | Add to |
| 053 | 725-0308B | TRITTBRETTAUFFAGE RECHTS | N/A | POA |
| 054 | 725-0309C | FOOD PAD-L.H. | N/A | POA |
| 068 | 731-051181 | EDGE GUARD 731-0511 | £32.27 | Add to |
| 072 | 746-0616A | CHOKE CONTROL CABLE ASSY | £12.71 | Add to |
| 073 | 931-0823A | THROTTLE CONTROL BOX ASSY | £25.49 | Add to |
| 074 | 710-0779A | SELF TAP SCREW | £3.58 | Add to |
| 075 | 746-0638 | CABLE-THROTTLE | £11.28 | Add to |
| 076 | 757-04107 | SEAT | £187.38 | Add to |
| 078 | 736-0159 | WASH .349 ID X .879 OD X .063 | £3.59 | Add to |
| 079 | 722-0160 | ELASTEMER BUSHING .930 OD X .5 | £3.20 | Add to |
| 083 | 710-0227 | SCR:AB:#8-18:0.500:HXINDWH | £3.07 | Add to |
| 084 | 725-1439 | SW:INNER SEAT SPRG | £8.44 | Add to |
| 085 | 732-0581B | SPRG:EXTN:.75 OD X 5.31 | £7.22 | Add to |
| 086 | 17239C | BRKT:LIFT:SEAT | N/A | POA |
| 087 | 726-0278 | INSULATING PLATE | £3.20 | Add to |
| 088 | 738-0155 | BOLT:SHLDR:.435 x.160:5/16-18 | £7.50 | Add to |
| 089 | 738-3024 | NO LONGER AVAILABLE | N/A | POA |
| 090 | 736-0141 | WASH:SPR:.440 x.750 x.015 | £3.39 | Add to |
| 091 | 710-0604A | SCREW | £3.62 | Add to |
| 092 | 726-0279 | INSULATING PLATE | £3.20 | Add to |
| 094 | 735-0254 | CENTER FOOT PAD 723-0423 (OBSOLETE) | N/A | |
| 095 | 725-1303 | SW:OUTER SEAT SPRG | £3.26 | Add to |
| 096 | 731-1228 | NO LONGER AVAILABLE | N/A | POA |
| 097 | 17782 | CHOKE CABLE RETAINER CLIP (OBSOLETE) | N/A | |
| 102 | 725-0925 | AMMETER 620 | £30.37 | Add to |
| 103 | 712-3007 | HEX JAM NUT | £3.07 | Add to |
| 104 | 710-0599 | HEX TT SCREW 1/4-20 | £4.95 | Add to |
| 107 | 710-3015 | SCREW HEX CAP | £3.33 | Add to |
| 108 | 712-0271 | NUT:SEMS:1/4-20 | £3.03 | Add to |
| 111 | 723-0444 | BATTERY STRAP | £24.86 | Add to |
| 112 | 725-0689 | NO LONGER AVAILABLE | N/A | POA |
| 113 | 725-0690 | CAP-BATTERY-725-0514 | £3.02 | Add to |
| 76A | 757-04107 | SEAT | £187.38 | Add to |
| 76B | 757-0348A | SEAT-MED BACK BLACK 757-0348 | £317.51 | Add to |
| 76C | 757-0364 | NO LONGER AVAILABLE | N/A | POA |
| 76D | 757-0365 | SEAT:RAD YELLOW V460 | £186.21 | Add to |
| 96A | 731-1502 | Instrument panel (OBSOLETE) (OBSOLETE) | N/A | |
First class service welcome a well run mower parts department
Vernon Simmons
22/05/2026
Gaskets and fuel filter for my Mountfield mower ordered Sunday, arrived Tuesday. Great service.
Trevor Thornton
22/05/2026
Very happy with the service provided. I rang in order to check that I was ordering the correct part before placing my order online and the person that I was spoke to was extremely helpful and knowledgeable. Delivery was very quick. I'd be happy to use this company again if the need should arise.
Rod Nickerson
22/05/2026
All good. Parts as described and perfect fit and working well. Thank you.
Alan Prangnell
22/05/2026
All our prices include VAT