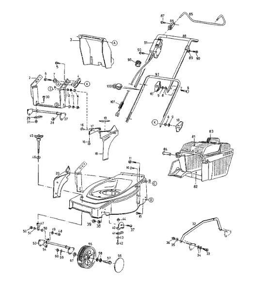
Basic machine

Parts list

Match the number with the image on the left and click "Add" button to add the item to your basket

Please note, that the prices are for individual items

Items might appear more than once on the drawing, please check and adjust the quantity you require.

RefNoDescriptionPrice
002782-3075A638NO LONGER AVAILABLEN/A POA
003079.26.539REAR FLAP£60.28 Add to
004731-04587ANO LONGER AVAILABLEN/A POA
005000.02.499SCREW 50x14£3.20 Add to
006710-1719BOLT£4.89 Add to
007748-04036INSULATING WASHER 079.06.307£4.50 Add to
008736-0700FLAT WASHER£2.63 Add to
009736-0689L-WASHER£3.26 Add to
010720-0368WING NUT£5.19 Add to
011710-1775BOLT:CRG:M8-1.25x12£4.50 Add to
012736-0700FLAT WASHER£2.63 Add to
013736-0708Lockwasher 24.8190.18£2.72 Add to
014712-0690NUT:HEX:M8-1.25 DIN 934£2.72 Add to
015710-1714Screw 21.1441.67£2.93 Add to
016000.02.583SCREW£3.80 Add to
017079.27.180COVER£4.11 Add to
018079.27.175HOOD LEFT£8.85 Add to
019731-2410GLASS 079.27.185£7.13 Add to
020079.26.550HOOD R.H£18.92 Add to
027079.30.720REAR AXEL£86.70 Add to
028079.30.095CLAMPING RING£7.09 Add to
029731-2082REAR AXLE BRACKET 079.30.261£8.32 Add to
03023.5421.91Screw£3.34 Add to
031712-0675NUT:HEX:M5 x.80:DIN 985£4.25 Add to
032079.30.721CONNECTING ROD£24.95 Add to
03323.5427.47Screw£6.63 Add to
03424.6273.16ADJUSTING WASHER£4.00 Add to
035736-0697Washer 24.6486.13£2.79 Add to
036712-0636NUT: HEX: M4: DIN 985£4.25 Add to
037710-1780Screw 22.3419.24£2.98 Add to
038736-0757LOCK WASHER 000.02.581£3.49 Add to
039712-0690NUT:HEX:M8-1.25 DIN 934£2.72 Add to
03A731-1813A637REAR FLAP 079.26.540£44.39 Add to
040731-2079FRONT AXLE BEARING FORM B£8.01 Add to
041731-2081FRONT AXLE BRACKET£7.30 Add to
04221.5441.16Screw£4.36 Add to
043736-0602WASHER A 5,3 DIN 125£2.70 Add to
044712-0675NUT:HEX:M5 x.80:DIN 985£4.25 Add to
045079.31.933HANDLE£46.73 Add to
046000.20.656WASHER£2.79 Add to
047079.30.678ADJUSTING LEVER£33.62 Add to
048710-1710SCREW£5.78 Add to
04924.6273.20Shim£4.00 Add to
050736-0694WAVED SPRING WASHER B7 DIN 137£4.11 Add to
051736-0661WASHER A 5,3 DIN 9021£3.85 Add to
052712-0675NUT:HEX:M5 x.80:DIN 985£4.25 Add to
053079.30.716FRONT AXLE£78.96 Add to
054079.30.092CLAMPING RING£10.34 Add to
055734-1879637WHEEL DIA 180mm, BALL BEARING£27.42 Add to
056720-0337638HUB CAP STANDARD£5.10 Add to
057738-1057SCR SHLDR£12.24 Add to
058736-0758WASH:BELL:25mmODx12.2IDx1.6 28.7112.11£4.11 Add to
059736-0649AWASHER:LOCK:B8:DIN 12 736-0649£2.70 Add to
060712-0690NUT:HEX:M8-1.25 DIN 934£2.72 Add to
067736-0695WASHER£3.97 Add to
081731-1815638GRASS CATCHER HALF-ABOVE£41.81 Add to
082731-1814638NO LONGER AVAILABLEN/A POA
083731-1816638GRIP£13.71 Add to
084731-1817638BEARING BOLT ( GRASS BOX )£7.14 Add to
085747-1005637SHIFT LEVER£20.78 Add to
086731-1824BRG:HOLM Ò22£7.92 Add to
08722.6417.18Screw£2.90 Add to
088749-1141UPPER HANDLE£44.89 Add to
089731-1823CLIP:PIVOT:BAIL£10.42 Add to
090710-1782Screw 000.02.483£3.49 Add to
091725-1791ELECTRIC SWITCH - ACCU-MOWER -£40.39 Add to
092749-1033637NO LONGER AVAILABLEN/A POA
098000.13.064CABLE CLAMP£5.81 Add to
100731-1820CBL:GDE£3.20 Add to
101721-0402TUBEN/A POA
108818-60912GRASS CATCHER CPL.£74.40 Add to
109818-60901NO LONGER AVAILABLEN/A POA
34A24.6273.14SHIM£3.41 Add to
56A720-0334662HUB CAP WITH MTD LOGO, PREMIUM£4.65 Add to
81A731-1815637GRASS CATCHER HALF-ABOVE£40.98 Add to
82A731-1814637GRASS BOX LOWER£61.94 Add to
83A731-1816637GRIP£10.03 Add to
84A731-04659NO LONGER AVAILABLEN/A POA