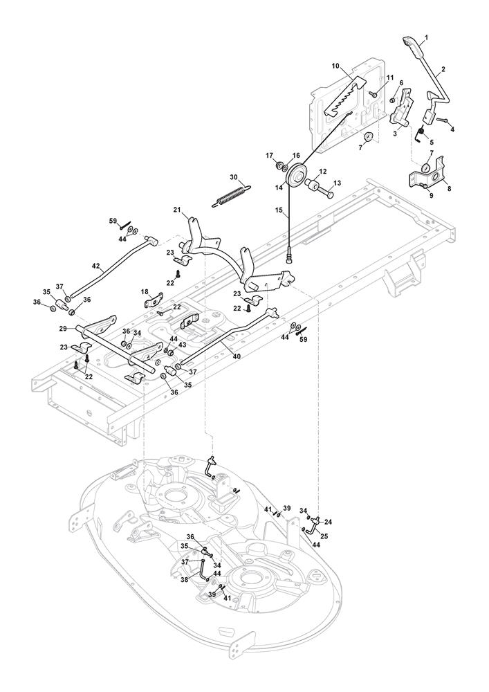
CUTTING PLATE LIFTING

CUTTING PLATE LIFTING assembly details for Mountfield FREEDOM 38E-SD (2T0660483/M22) 2022 model

Parts list

Match the number with the image on the left and click "Add" button to add the item to your basket

Please note, that the prices are for individual items

Items might appear more than once on the drawing, please check and adjust the quantity you require.

RefNoDescriptionPrice
001325394533/0KNOB£3.55 Add to
002382318229/0DECK HEIGHT ADJUST LEVER£16.63 Add to
003382318231/1LIFTING AXLE£7.36 Add to
004112674700/0SCREW M6 X 35£2.06 Add to
005125430261/0SPRING£1.79 Add to
006112154510/0LOW SELF-LOCKING NUT M6 UNI7474 ACC.6S£2.06 Add to
007325038006/0LIFTING AXLE BUSH£2.06 Add to
008325785297/0AXLE SUPPORT£6.55 Add to
009125943009/0HEX-HEAD SCREW M8 x 1.25£2.06 Add to
010325735515/0LIFTING QUADRANT£8.45 Add to
011125943009/0HEX-HEAD SCREW M8 x 1.25£2.06 Add to
012112793701/0HEX-HEAD SCREW M8 x 30£1.76 Add to
013125040636/1BUSH£3.15 Add to
014125601579/0LIFTING DECK PULLEY£3.15 Add to
015382004629/1LIFTING CABLE£13.00 Add to
016112523060/0WASHER M8 8.4 X 24 X 2£2.06 Add to
017112293201/0HEXAGON NUT M8 WITH EXAGONAL FLANGE£2.06 Add to
018325774757/0REAR AXLE FULCRUM BRACKET£9.55 Add to
021382000705/0REAR LIGTING DECK AXLE£33.60 Add to
022112735599/0SELF-TAPPING SCREW M6 x 16£2.06 Add to
023325547231/1LIFTING DECK AXLE PLATE£4.78 Add to
024125510007/2CONNECTING PIN£5.76 Add to
025125840041/0DECK LIFT TIE ROD£6.88 Add to
029382000697/0FRONT LIFTING DECK AXLE£21.72 Add to
030125430218/1DECK LIFT SPRING£6.14 Add to
034325670008/1ANTI-FRICTION WASHER 10.8 x 19 x 0.8£2.06 Add to
035125510007/2CONNECTING PIN£5.76 Add to
036112156602/0LOW SELF-LOCKING NUT M10£1.79 Add to
037112295200/0HEXAGON NUT M10£1.79 Add to
038112295200/0HEXAGON NUT M10£1.79 Add to
039325670008/1ANTI-FRICTION WASHER 10.8 x 19 x 0.8£2.06 Add to
040382000699/0L/H LINK LIFT DECK ROD ASSY£13.36 Add to
041124487998/0R CLIP D=2£2.06 Add to
042382000701/0R/H LINK LIFT DECK ROD ASSY£13.20 Add to
043112156602/0LOW SELF-LOCKING NUT M10£1.79 Add to
044325670008/1ANTI-FRICTION WASHER 10.8 x 19 x 0.8£2.06 Add to
059112141418/0SPLIT PIN 3 x 20£1.76 Add to