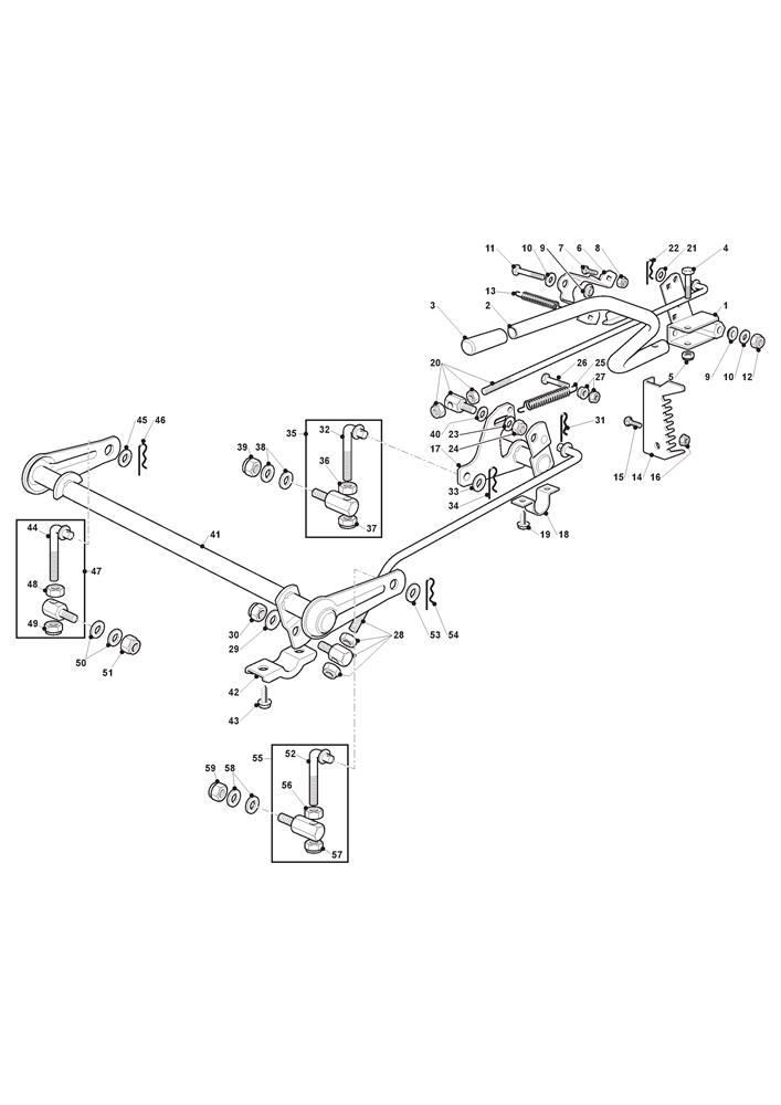
CUTTING PLATE LIFTING

CUTTING PLATE LIFTING assembly details for Mountfield 1736H Twin (2T0440483/M20) 2020 model

Parts list

Match the number with the image on the left and click "Add" button to add the item to your basket

Please note, that the prices are for individual items

Items might appear more than once on the drawing, please check and adjust the quantity you require.

RefNoDescriptionPrice
001382774249/0CLAMP BRACKET£19.77 Add to
002382318219/1LIFTING LEVER£46.61 Add to
003325394535/0PARKING BRAKE KNOB TC HONDA 03/04£4.37 Add to
004112674700/0SCREW M6 X 35£2.06 Add to
005112154510/0LOW SELF-LOCKING NUT M6 UNI7474 ACC.6S£2.06 Add to
006325650113/0PLATE£5.32 Add to
008112155000/0LOW SELF-LOCKING NUT M8£2.06 Add to
009122041980/0SPACER ROLLER BUSH£2.06 Add to
010112523060/0WASHER M8 8.4 X 24 X 2£2.06 Add to
011112691600/0HEX-HEAD SCREW M8x70 UNI 5737 ACC.8.8£1.91 Add to
012112155000/0LOW SELF-LOCKING NUT M8£2.06 Add to
013125430259/0SPRING LOAD LIFTING LEVER PLATE£5.19 Add to
014325735511/0HEIGHT ADJUST QUADRANT£7.36 Add to
016112293201/0HEXAGON NUT M8 WITH EXAGONAL FLANGE£2.06 Add to
017382000387/0REAR LIFT AXLE£23.72 Add to
018325547041/1LEFT PLATE£5.73 Add to
019112731580/0SELF-TAP SCREW TE 4.8 x 9.5 C15 BZ£2.06 Add to
020382000618/0LIFT CONTROL ROD ASSEMBLY£26.23 Add to
021325670011/0ANTI-FRICTION WASHER 8.2 x 19 x 0.8£2.06 Add to
022124487997/0SPRING CLIP D=1.8£2.06 Add to
023112523040/0WASHER M6 6.6 x 18 x 1.6£2.06 Add to
024112154210/0SELF-LOCK WINGED NUT M8 DIN 6927£2.06 Add to
025122446402/1SPRING£5.46 Add to
026112689500/0SCREW M6 x 40£2.06 Add to
027112292102/0FLANGED HEXAGONAL NUT M6£2.06 Add to
028382000537/0LCCONNECTING ROD£33.46 Add to
029325670008/1ANTI-FRICTION WASHER 10.8 x 19 x 0.8£2.06 Add to
030112156602/0LOW SELF-LOCKING NUT M10£1.79 Add to
031124487998/0R CLIP D=2£2.06 Add to
032125840025/0TIE ROD£8.19 Add to
033325670008/1ANTI-FRICTION WASHER 10.8 x 19 x 0.8£2.06 Add to
034124487998/0R CLIP D=2£2.06 Add to
035382640808/0LCTIE ROD ASSY£30.66 Add to
036112295200/0HEXAGON NUT M10£1.79 Add to
037112156602/0LOW SELF-LOCKING NUT M10£1.79 Add to
038325670008/1ANTI-FRICTION WASHER 10.8 x 19 x 0.8£2.06 Add to
039112156602/0LOW SELF-LOCKING NUT M10£1.79 Add to
040112521360/0WASHER M10 10.5 x 20 x 2£2.06 Add to
041382000385/0FRONT LIFT AXLE ASSEMBLY£43.89 Add to
042327546015/2WZ FLAT FULCR.AXLE FIX PLATE£2.06 Add to
043112731350/0SELF-TAP SCREW TE 5.5 X 19 UNI 6949 C15£2.06 Add to
044125840025/0TIE ROD£8.19 Add to
045325670008/1ANTI-FRICTION WASHER 10.8 x 19 x 0.8£2.06 Add to
046124487998/0R CLIP D=2£2.06 Add to
047382640807/1TIE ROD£26.18 Add to
048112295200/0HEXAGON NUT M10£1.79 Add to
049112156602/0LOW SELF-LOCKING NUT M10£1.79 Add to
050325670008/1ANTI-FRICTION WASHER 10.8 x 19 x 0.8£2.06 Add to
051112156602/0LOW SELF-LOCKING NUT M10£1.79 Add to
052125840025/0TIE ROD£8.19 Add to
053325670008/1ANTI-FRICTION WASHER 10.8 x 19 x 0.8£2.06 Add to
054124487998/0R CLIP D=2£2.06 Add to
055382640808/0LCTIE ROD ASSY£30.66 Add to
056112295200/0HEXAGON NUT M10£1.79 Add to
057112156602/0LOW SELF-LOCKING NUT M10£1.79 Add to
058325670008/1ANTI-FRICTION WASHER 10.8 x 19 x 0.8£2.06 Add to
059112156602/0LOW SELF-LOCKING NUT M10£1.79 Add to