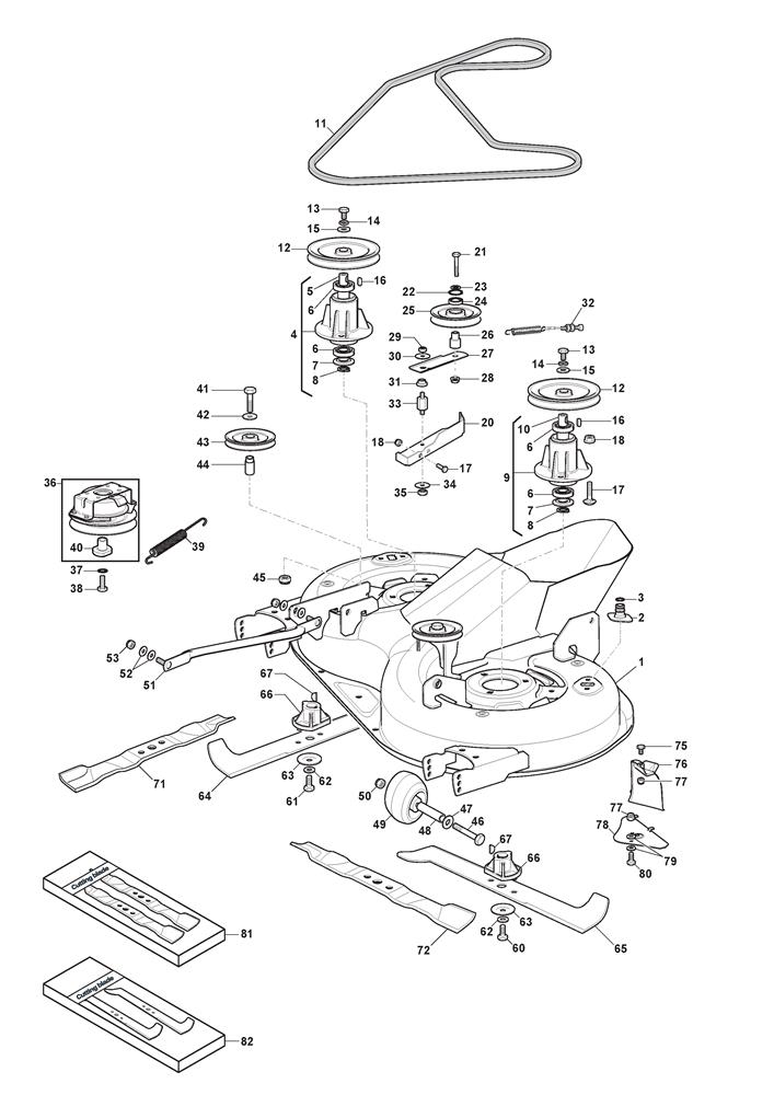
CUTTING PLATE

CUTTING PLATE assembly details for Mountfield 1530H (2T2120483/M20) 2020 model

Parts list

Match the number with the image on the left and click "Add" button to add the item to your basket

Please note, that the prices are for individual items

Items might appear more than once on the drawing, please check and adjust the quantity you require.

RefNoDescriptionPrice
001382564113/1CUTTER DECK CASING MP84£401.97 Add to
002325033086/0WASHING CONNECTION SD 98£3.60 Add to
003119035000/0O RING 10.77 x 2.62£5.46 Add to
004382207205/1BLADE SHAFT ASSEMBLY RIGHT HAND£102.48 Add to
005125020805/0BLADE SHAFT RIGHT HAND£35.71 Add to
006119216047/0BEARING 6204-C-2HRS£13.49 Add to
007325160501/1DUST COVER WASHER£2.06 Add to
008112609260/0CIRCLIP D=20£2.02 Add to
009382207204/1BLADE SHAFT ASSEMBLY LEFT HAND£102.48 Add to
010125020804/0BLADE SHAFT LEFT HAND£35.71 Add to
011135061508/0LCDECK DRIVE BELT AA86£63.60 Add to
012125601585/1BLADE SHAFT PULLEY£45.26 Add to
013112793102/0SCREW TE M8x20 UNI 5739 ACC.8.8£2.06 Add to
014112540260/0INNER TOOTHED WASHER M8£2.06 Add to
015125670007/0FIXING WASHER£2.06 Add to
016112139480/0KEY 6x6x20 UNI6604-A 6.8£2.06 Add to
017112818690/0SCREW M8X20 UNI 5732 WO/NUT 8.8 BZ£1.49 Add to
018112154210/0SELF-LOCK WINGED NUT M8 DIN 6927£2.06 Add to
020325785391/0SUPPORT BRACKET£22.23 Add to
021112691400/0HEX-HEAD SCREW M8 X 50£1.76 Add to
022112524010/0WASHER M8 8.4 x 24 x 4£1.91 Add to
023112610800/0CIRCLIP D=35£2.06 Add to
024119216048/0BEARING£18.27 Add to
025125601595/0BLADE IDLER PULLEY£35.71 Add to
026125160052/0PULLEY SPACER£2.87 Add to
027325318289/0LEVER£7.10 Add to
028112293201/0HEXAGON NUT M8 WITH EXAGONAL FLANGE£2.06 Add to
029112155020/0SELF-BINDING NUT M10£2.06 Add to
030125670022/0WASHER£2.06 Add to
031125040635/0BUSH£4.78 Add to
032382004618/0DECK ENGAGE CABLE£23.17 Add to
033125160049/0SPACER£6.42 Add to
034112523080/0WASHER M10 11 x 30 x 2.5£2.06 Add to
035112156602/0LOW SELF-LOCKING NUT M10£1.79 Add to
036118399075/1ELECTROMAGNETIC CLUTCH (NO RETURNS ON THIS ITEM )£296.52 Add to
037112543000/0SAFETY WASHER D=7/16£2.06 Add to
038112737320/0THREADED SCREW 7/16" x 3" 20 UNF£4.78 Add to
039125430277/1TENSION SPRING£2.47 Add to
041112691115/0HEX-HEAD SCREW M8 x 40£2.06 Add to
042112523060/0WASHER M8 8.4 X 24 X 2£2.06 Add to
043125601613/0PLASTIC PULLEY£16.61 Add to
043325601599/0PULLEY (STEEL) (BEARING HOLE D 15)£19.62 Add to
044125160110/0PULLEY SPACER£3.69 Add to
045112155000/0LOW SELF-LOCKING NUT M8£2.06 Add to
046112692100/0HEX-HEAD SCREW M8 x 105£2.74 Add to
047112521350/0WASHER M8 8.4 x 16 x 1.6£2.06 Add to
048125160072/0WHEELS SPACER£4.11 Add to
049182700005/0ANTI-SCALP WHEEL D=90mm£18.68 Add to
049182700006/0ANTI-SCALP WHEEL D=95MM£17.66 Add to
050112293201/0HEXAGON NUT M8 WITH EXAGONAL FLANGE£2.06 Add to
051382000565/1BALANCE ROD£20.99 Add to
052325670008/1ANTI-FRICTION WASHER 10.8 x 19 x 0.8£2.06 Add to
053112156602/0LOW SELF-LOCKING NUT M10£1.79 Add to
060112735694/0HEX-HEAD SCREW 3/8" X 1 1/2" 24 UNF£1.97 Add to
061112735695/1HEX-HEAD SCREW 3/8" x 1 1/2" L/H THREAD£4.23 Add to
062112523080/0WASHER M10 11 x 30 x 2.5£2.06 Add to
063122160400/0SPRING WASHER 50 x 2 x 10.2£2.18 Add to
064182004358/0RIGHT WINGED BLADE 84cm£22.35 Add to
065182004359/0LEFT WINGED BLADE 84cm£19.50 Add to
066125463200/0BLADE BOSS£9.08 Add to
067112139100/0WOODRUFF KEY 4 x 6.5 D=16 UNI6606 C40£2.75 Add to
071182004360/0RIGHT MULCHING BLADE 84cm£20.32 Add to
072182004361/0LEFT MULCHING BLADE 84cm£20.32 Add to
075112791213/1SCREW M6 X 18£1.74 Add to
076325140108/0PLASTIC DEFLECTOR PLATE£5.32 Add to
077112154510/0LOW SELF-LOCKING NUT M6 UNI7474 ACC.6S£2.06 Add to
078325785418/0METAL SUPPORT PLATE£8.73 Add to
079112523040/0WASHER M6 6.6 x 18 x 1.6£2.06 Add to
080112790781/0HEX-HEAD SCREW M6 x 12£1.76 Add to
0811134-9221-01STIGA MULCHING BLADE 84cm£46.06 Add to
0821134-9220-01WINGED BLADE 84CM/30" [STIGA PACK]£56.15 Add to